CWD_YSM10_sATS15_KMG&KMF-000_1704.pdf - 第3页
YSM10 & sA TS15 T able of contents / 目次 Over view / 全体接続図 Power circuit / 電源回路図 Emergency circuit / 非常停止回路図 Control box -1- /コントローラー接続図 -1- Control box -2- /コントローラー接続図 -2- Conveyor Driver / コンベア駆動回路図 I/O conveyor -1-…

Safety.
To replace the purchased parts safely, be sure to comply with the following items.
However the following cannot cover all items regarding safety in detail. So it is
extremely important that the worker or person handling the machine make correct
decisions regarding safety.
CAUTION Machine operation of operator•Work is limited to maintenance and
safety skill.
Be sure to turn off the machine’s power supply before doing the exchange work.
Be sure to push the emergency stop SW, and do adjustment work under the
emergency stop condition.
Refer to the manual for the replacement work of each consumable part.
*
Safety alert symbols and signal words
CAUTION
Indicates a potentially hazardous situation which, if not avoided, may result in minor
injury, or material loss or damage to the machine. These points are important for
protecting the safety of the machine and data, etc.
安全について
お買い上げいただいたパーツを安全に交換していただくために、下記の事項は必ず守って作
業を行ってください。しかしながら、下記に全ての安全性に関する項目を細部にわたり網羅
することは困難です。従って作業者自身の安全に対する正確な判断が非常に大切な要素とな
りますことをご留意ください。
注意 作業者は本機の動作・メンテナンスに習熟していて安全に作業を行える方に限り
ます。
①交換作業は、マシンの電源を切ってから必ず行ってください。
②調整作業は、非常停止 SW を押し、非常停止状態で必ず行ってください。
③消耗品の交換、各メンテナンス作業についてはマニュアルをご参照ください。
※安全標記の 注意は取り扱いを誤った場合、傷害に至る可能性または物的損害の発生
が想定される内容を示しています。本体およびデータなどの損傷を防ぐために重要な注
意事項です。
YSM10 & sATS15
Table of contents
/ 目次
Over view / 全体接続図
Power circuit / 電源回路図
Emergency circuit / 非常停止回路図
Control box -1- /コントローラー接続図 -1-
Control box -2- /コントローラー接続図 -2-
Conveyor Driver / コンベア駆動回路図
I/O conveyor -1- / I/O コンベア接続図 -1-
I/O conveyor -2- / I/O コンベア接続図 -2-
I/O conveyor -3- / I/O コンベア接続図 -3-
HM Head / HM ヘッド
HM5 Head / HM5 ヘッド
F FIX24 feeder structure / 前側 24 連固定フィーダー構成図
F & R FIX24 feeder structure / 前後両側 24 連固定フィーダー構成図
F FIX24 feeder structure & R sATS15 / 前側 24 連固定フィーダー & 後側 sATS15 構成図
Power transformer / 電源トランス接続図
sATS15 Interface circuit / sATS15 インターフェース回路図
sATS15 Fdr. Ctrl. Board Assy / sATS15 制御基板接続図
sATS15 Indicator Assy Sel. / sATS15 表示器選択図
sATS15 AZ Interlock circuit / sATS15 AZ 軸 インターロック回路図
Pneumatic circuit -MAIN- / 空圧回路図 - 主配管 -
Pneumatic circuit -HM Head- / 空圧回路図 -HM ヘッド -
Pneumatic circuit -HM5 Head- / 空圧回路図 -HM5 ヘッド -
Pneumatic circuit -sATS15- / 空圧回路図 -sATS15-
Wiring parts list / 配線部品表
P.1
P.2
P.3
P.4
P.5
P.6
P.7
P.8
P.9
P.10
P.11
P.12
P.13
P.14
P.15
P.16
P.17
P.18
P.19
P.20
P.21
P.22
P.23
P.24
Condential & Proprietary

Confidential & Proprietary
PAGE
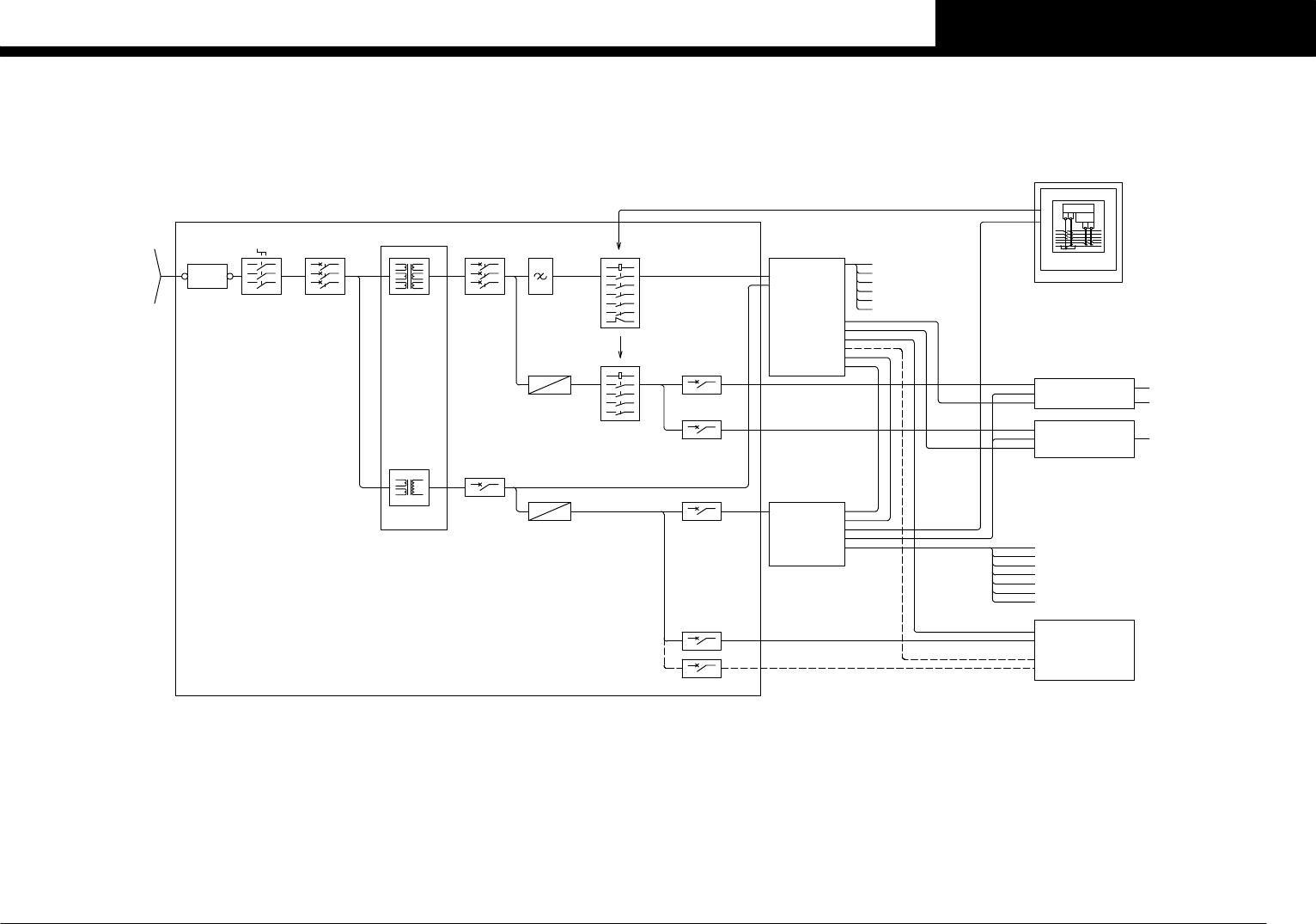
380/400/416V
200/208/220/240
3∼ 50/60Hz Terminal
XB11
Main Switch
Main Breaker
POWER TRANSFORMER
TERMINAL
Transformer
TC11 1.00KVA
Transformer
POWER CIRCUIT
See Page 2
QF11 20AQS11 25A TM11 2.79KVA
Circuit
Protector
QF21 10A
QF31 set6A
(4-6.3A)
Noise
Filter Contactor
KM11/KM11A
Power Supply
GS21 600W 25A
Power Supply
Contactor
KM12/KM12A
NF11
GS31 300W 6.3A
Rating 7.0KVA MAX.
I/O CONVEYOR BOARD
COM
EMG S/W
COVER S/W
SIGNAL TOWER
SENSOR
VALVE
COM
DC24V
COM
DC24V
F FIX24
FR FIX24
DC48V
LAN
HEAD
DC48V
CONVEYOR
LAN
INPUT:
CONTROL:1∼ 100V
MOTOR :3∼ 230V
OUTPUT :3∼ 200V
Each Motors
CAMERA UNIT
TOUCH LCD
USB MEMORY
COM
COM
COM
See Page 4-5
CONTROL BOX
K3 K4
Control
Circuit
K1 K2 Off Delay
Timer
Safety Relay
EMERGENCY CIRCUIT
KM10
See Page 3
Z,R MOTOR
SENSOR,VALVE
CV,W,PU MOTOR
COM
COM
DC24V
DC24V
QF41 10A
QF42 7A
QF43 7A
QF51 3A
QF52 3A
Page 7
Page 8
Page 9
See Page 6CONV.DRIVER
FEEDER HOLDER,sATS15
F FIX24,R sATS15
HM5 HEAD
HM HEAD
BARCODE READER(Option)
FDR SET ST. (Option)
IONIZER ASSY(Option)
USB KEYBOARD(Option)
See Page 15
CN1 - CN15 …
CN16 - CN37 …
CN38 - CN45 …
See Page 12
See Page 13
See Page 14
See Page 10
See Page 11
CC.V0
1
OVER VIEW
YSM10