JX-300LED_维修调整要领书 - 第32页
Rev 1.0 维修调整要领书 1-25 1-8-3 . 电缆的装配 1 ) 给各电缆 (40058385、 40044517、 40048070) 放进塑料导轨的部分涂敷润滑油, 按照 X 轴塑料 导轨的 A 向视图配置电缆、气管。 ※ 请注意插座朝向和空气管不要挠曲。 A 向视 图 1-8-3-1 X 轴塑料导轨 XY 拖链电缆 A 向视图 图 1-8-3-2 2 ) 将各电缆、气管穿入后,盖上电缆拖链的盖子。 3 ) 在电缆的贴装…

Rev 1.0
维修调整要领书
1-24
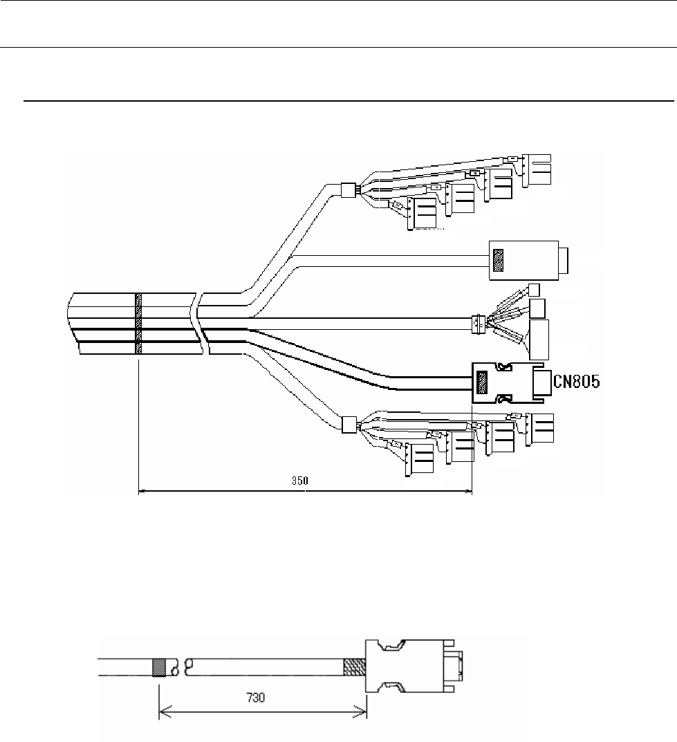
XY 拖链电缆
1-8-2.电缆标识(X)的确认
1)确认 XY 拖链电缆(40058385)的标识位置。
(位置是离开 CN805 插接器端 350mm)
图1-8-2-1
2)确认 1394 机器人电缆(40044517)的标识位置。(位置是离开插接器端 730mm)
1394 机器人电缆

Rev 1.0
维修调整要领书
1-25
1-8-3.电缆的装配
1) 给各电缆(40058385、40044517、40048070)放进塑料导轨的部分涂敷润滑油,按照 X 轴塑料
导轨的 A 向视图配置电缆、气管。
※ 请注意插座朝向和空气管不要挠曲。
A 向视
图1-8-3-1
X 轴塑料导轨
XY 拖链电缆
A 向视图
图1-8-3-2
2)
将各电缆、气管穿入后,盖上电缆拖链的盖子。
3) 在电缆的贴装头一侧,将各电缆的记号位置与「FC 支架」的上端对齐,予以固定。

Rev 1.0
维修调整要领书
1-26
4) 在反方向一侧,将电缆向图示的①方向拉,并在此状态下在安装夹具前端做记号,接着朝②方
向推入,同样在此状态下划上记号。(参照下图)
5) 使 2 个记号的中心位置位于安装夹具前端,用电缆夹 X 卡住电缆予以固定。
1
2
将安装夹具前端对准记号
与记号的中间(中心)
在各记号位置上固定
40048070(290mm)
40044517(730mm)
40058385(350mm)
图1-8-3-3
6)
用手把塑料导轨内部的线束揿进,确认没有挠曲。