PTS-NAHEAD-10 - 第135页
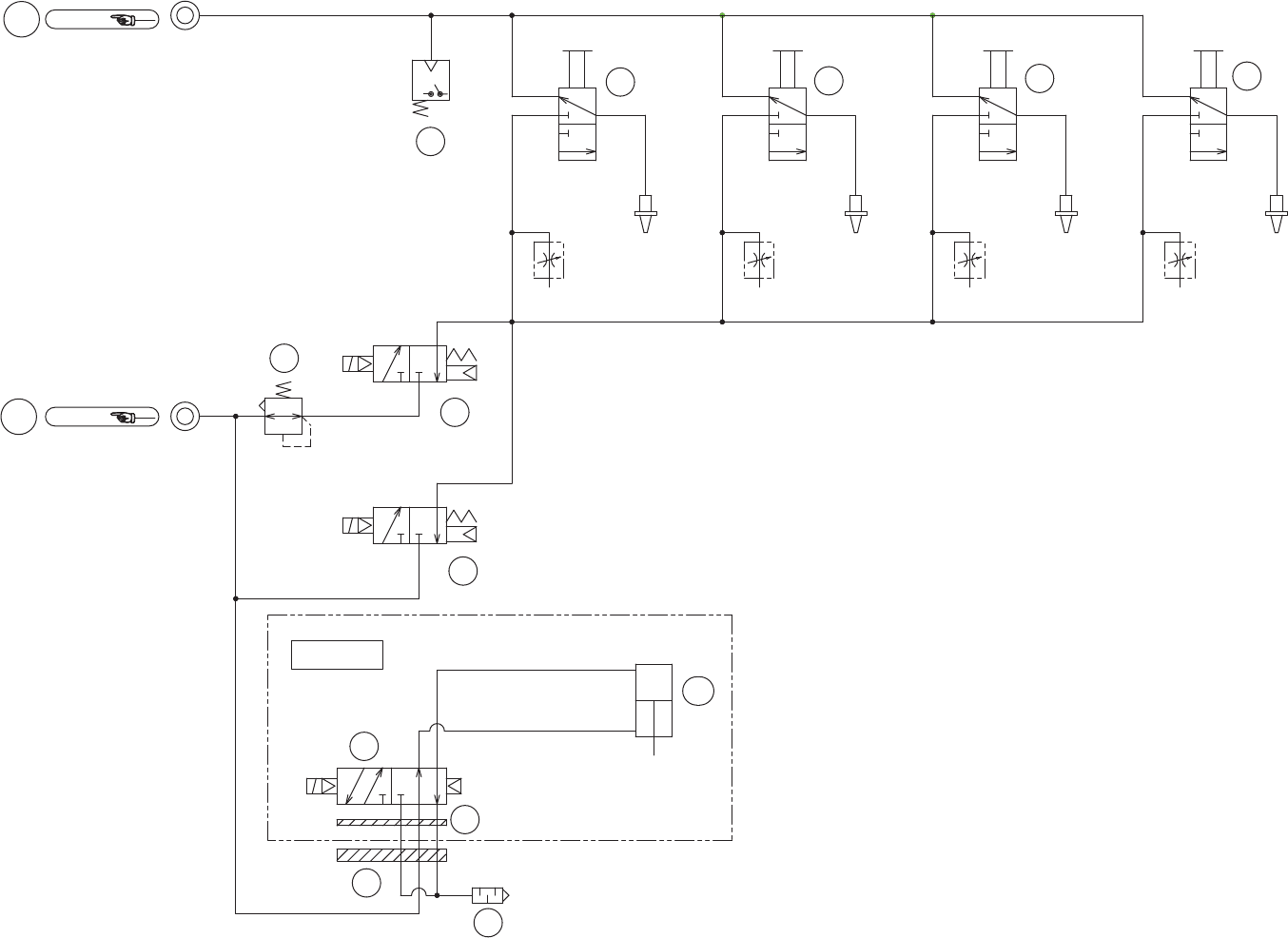
H04 HEAD 4/ H04 ヘ ッド 4/ UH00879 No. Drg.No. & Code No. QTY Description Rating Remarks 番号 図番 & コード番 号 個数 品名 規格 備考 1 XB033 30 2 VALVE , SOL バルブ SOL 2 2MGKHB0 06000 1 VALVE , PRESSURE RED UCING バルブ 減圧 3 XS011 86 4 …

㈇ᅽ
┿✵࣏ࣥࣉࡼࡾ
Neg press
(From Vacuum pump)
OPTION
%
$
┿✵◚ቯ
NOZZLE NOZZLE NOZZLE NOZZLE
[A] [B] [C] [D]
Pos press
ṇᅽ
(500KPa)
Air blow
ࣀࢬࣝࢡ࣮ࣜࢽࣥࢢ
Nozzle cleaning
⮬ືࣂࢵࢡࢵࣉࣆࣥᶵ⬟
Auto backup pin equipment
Ref.BED
Ref.BED
a1a1
a2a2
5
6
10
9
7
1
1
2
3
3
3
8
3
+࣊ࢵࢻ
H04 HEAD 4/
UH00879
134
PTS- NAHEAD- 10

H04 HEAD 4/
H04 ヘッド 4/
UH00879
No. Drg.No. & Code No. QTY Description Rating Remarks
番号 図番 & コード番号 個数 品名 規格 備考
1 XB03330 2 VALVE, SOL
バルブ SOL
2 2MGKHB006000 1 VALVE, PRESSURE REDUCING
バルブ 減圧
3 XS01186 4 SPOOL
スプール
5 S1058B 1 SILENCER
サイレンサ
AN120-M3
6 H62140 1 PLATE
プレート
SYJ3000-21-12A
7 XS00842 1 SENSOR, PRESSURE
センサ 圧力
8 PJ06032 1 PLATE, ACRYLIC
プレート アクリル
9 H1122D 1 VALVE, SOL
バルブ SOL
SYJ3140-5M0U
10 XS01844 1 CYLINDER
シリンダ
135
PTS- NAHEAD- 10

49
8
9
10
11
30
29
28
35
34
18
5
3
4
19
20
21
25
25.1
12
6
7
7.1
41
40
45
46
42
26
27
43
2
31
32
33
37
AA15Y26
H04 HEAD (AUTO BACKUP PIN EQUIPMENT)
+࣊ࢵࢻ⮬ືࣂࢵࢡࢵࣉࣆࣥᶵ⬟
136
PTS- NAHEAD- 10