PTS-NAHEAD-10 - 第40页
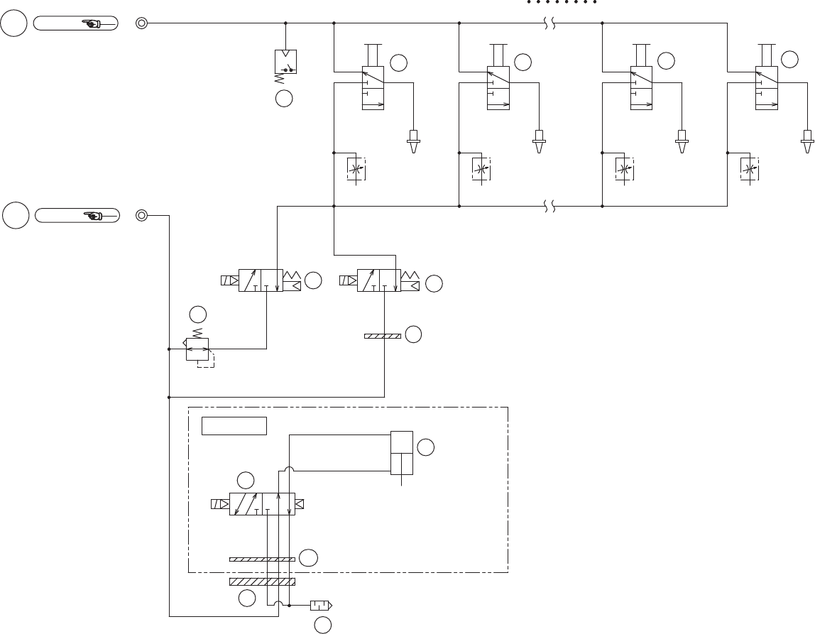
㈇ᅽ ┿✵࣏ࣥࣉࡼࡾ Neg press (From Vacuum pump) Ref.BED a2 a2 Pos press ṇᅽ (500KPa) Ref.BED a1 a1 ࣀࢬࣝࢡ࣮ࣜࢽࣥࢢ ┿✵◚ቯ Air blow Nozzle cleaning OPTION ⮬ືࣂࢵࢡࢵࣉࣆࣥᶵ⬟ Auto backup pin equipment NOZZLE NOZZLE NOZZLE NOZZLE [A] [B] [K] […

V12 HEAD 3/
V12 ヘッド 3/
UH03377
No. Drg.No. & Code No. QTY Description Rating Remarks
番号 図番 & コード番号 個数 品名 規格 備考
106 2MGKHA033601 1 PLATE, INSULATING
プレート 絶縁
107 2MGKHA033501 1 PLATE, INSULATING
プレート 絶縁
108 PJ24621 2 COLLAR, INSULATION
カラー 絶縁
109 2MGKHA049001 2 BOLT, HEX SOCKET
ボルト 六角穴
110 W1106C 2 WASHER, LOCK
ワッシャ スプリング
3M/M(3カ シロ)
111 W1108B 2 WASHER, FLAT
ワッシャ 平
3M/MX0.5X7(3カシロ)
112 2MGKHA033401 2 PLATE, INSULATING
プレート 絶縁
113 PJ24621 1 COLLAR, INSULATION
カラー 絶縁
114 H54254 1 BOLT, HEX SOCKET
ボルト 六角穴
M03X012(3カ シロ)
115 W1106C 1 WASHER, LOCK
ワッシャ スプリング
3M/M(3カ シロ)
116 W1108B 1 WASHER, FLAT
ワッシャ 平
3M/MX0.5X7(3カシロ)
117 2MGKHA010400 1 BKT
BKT
118 H54254 1 BOLT, HEX SOCKET
ボルト 六角穴
M03X012(3カ シロ)
119 2MGKHA010601 1 WASHER
ワッシャ
120 XB03216 1 BOX, PRISM
BOX プリズム
121 K5258F 2 SCREW, HEX SOCKET BUTTON
小ネジ 六角穴ボタン
M03X008(3カ シロ)
122 W1106C 2 WASHER, LOCK
ワッシャ スプリング
3M/M(3カ シロ)
123 PB04TA1 1 COVER, LOWER
カバー 下
124 K5258C 1 SCREW, HEX SOCKET BUTTON
小ネジ 六角穴ボタン
M03X004(3カ シロ)
125 AA9AS04 1 BOARD
基板
126 PZ53033 3 SCREW, C/R PAN
小ネジ 十穴鍋
127 2MGKHA010000 1 SEAL, RUBBER
シール ゴム
131 2EGKHA005700 1 TAPE
テープ
132 2EGKHA006100 1 TAPE
テープ
133 2EGKHA005900 1 TAPE
テープ
134 2EGKHA005800 1 TAPE
テープ
135 2EGKHA006000 2 TAPE
テープ
141 PZ42691 12 SPRING
スプリング
Option
142 PM0BZZ0 12 PIPE
パイプ
Option
39
PTS- NAHEAD- 10

㈇ᅽ
┿✵࣏ࣥࣉࡼࡾ
Neg press
(From Vacuum pump)
Ref.BED
a2a2
Pos press
ṇᅽ
(500KPa)
Ref.BED
a1a1
ࣀࢬࣝࢡ࣮ࣜࢽࣥࢢ┿✵◚ቯ
Air blow
Nozzle cleaning
OPTION
⮬ືࣂࢵࢡࢵࣉࣆࣥᶵ⬟
Auto backup pin equipment
NOZZLE NOZZLE NOZZLE NOZZLE
[A] [B] [K] [L]
㸿
㹀
2
2
2
2
1
6
7
5
4
4
9
13
11
8
UH03377
9࣊ࢵࢻ
V12 HEAD 4/
40
PTS- NAHEAD- 10

V12 HEAD 4/
V12 ヘッド 4/
UH03377
No. Drg.No. & Code No. QTY Description Rating Remarks
番号 図番 & コード番号 個数 品名 規格 備考
1 XS00842 1 SENSOR, PRESSURE
センサ 圧力
2 XS03764 12 SPOOL
スプール
4 H11352 2 VALVE, SOL
バルブ SOL
SYJ314R-5G
5 2MGKHB006000 1 VALVE, PRESSURE REDUCING
バルブ 減圧
6 H62140 1 PLATE
プレート
SYJ3000-21-12A
7 S1058B 1 SILENCER
サイレンサ
AN120-M3
8 H1122D 1 VALVE, SOL
バルブ SOL
SYJ3140-5M0U
9 XS01844 1 CYLINDER
シリンダ
11 2MGKHA008101 1 PLATE, ACRYLIC
プレート アクリル
13 PJ22721 1 PLATE, ACRYLIC
プレート アクリル
41
PTS- NAHEAD- 10