PTS-NAHEAD-10 - 第54页
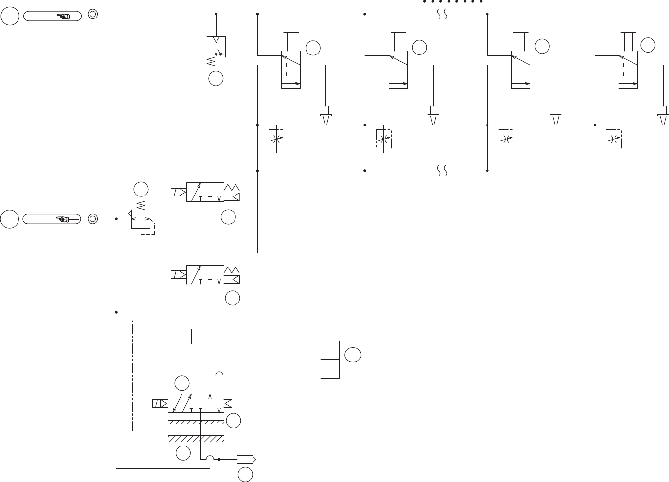
ࣀࢬࣝࢡ࣮ࣜࢽࣥࢢ ┿✵◚ቯ ㈇ᅽ ┿✵࣏ࣥࣉࡼࡾ NOZZLE NOZZLE NOZZLE NOZZLE [A] [B] [K] [L] OPTION ⮬ືࣂࢵࢡࢵࣉࣆࣥᶵ⬟ % $ Neg press (From Vacuum pump) Air blow Nozzle cleaning Auto backup pin equipment Pos press ṇᅽ (500KPa) Ref.BED Ref.BED a1 a1…
このページはブランクページです
This page is intentionally blank.
此页是空白页
53
PTS- NAHEAD- 10

ࣀࢬࣝࢡ࣮ࣜࢽࣥࢢ
┿✵◚ቯ
㈇ᅽ
┿✵࣏ࣥࣉࡼࡾ
NOZZLE NOZZLE NOZZLE NOZZLE
[A] [B] [K] [L]
OPTION
⮬ືࣂࢵࢡࢵࣉࣆࣥᶵ⬟
%
$
Neg press
(From Vacuum pump)
Air blow
Nozzle cleaning
Auto backup pin equipment
Pos press
ṇᅽ
(500KPa)
Ref.BED
Ref.BED
a1a1
a2a2
7
1
2
3
3
3
3
13
1
5
6
9
10
++6࣊ࢵࢻ
H12HS HEAD 3/
UH03057
54
PTS- NAHEAD- 10

H12HS HEAD 3/
H12HS ヘッド 3/
UH03057
No. Drg.No. & Code No. QTY Description Rating Remarks
番号 図番 & コード番号 個数 品名 規格 備考
1 XB03330 2 VALVE, SOL
バルブ SOL
2 2MGKHB006000 1 VALVE, PRESSURE REDUCING
バルブ 減圧
3 XS03693 12 SPOOL
スプール
5 S1058B 1 SILENCER
サイレンサ
AN120-M3
6 H62140 1 PLATE
プレート
SYJ3000-21-12A
7 XS00842 1 SENSOR, PRESSURE
センサ 圧力
9 H1122D 1 VALVE, SOL
バルブ SOL
SYJ3140-5M0U
10 XS01844 1 CYLINDER
シリンダ
13 PJ06032 1 PLATE, ACRYLIC
プレート アクリル
55
PTS- NAHEAD- 10