PTS-NAHEAD-10 - 第65页
H08M HEAD 1/ H08M ヘ ッド 1/ 2UGKHF000172 No. Drg.No. & Code No. QTY Description Rating Remarks 番号 図番 & コード番 号 個数 品名 規格 備考 1 2MGKHF0 05001 1 PLATE プレート 2 R5003 5 2 ROL LER, NEEDLE ローラ ニードル φ3X7.8 AWC3 3 H5425 2 3 B…

AA
AA
BB
Ref.2/
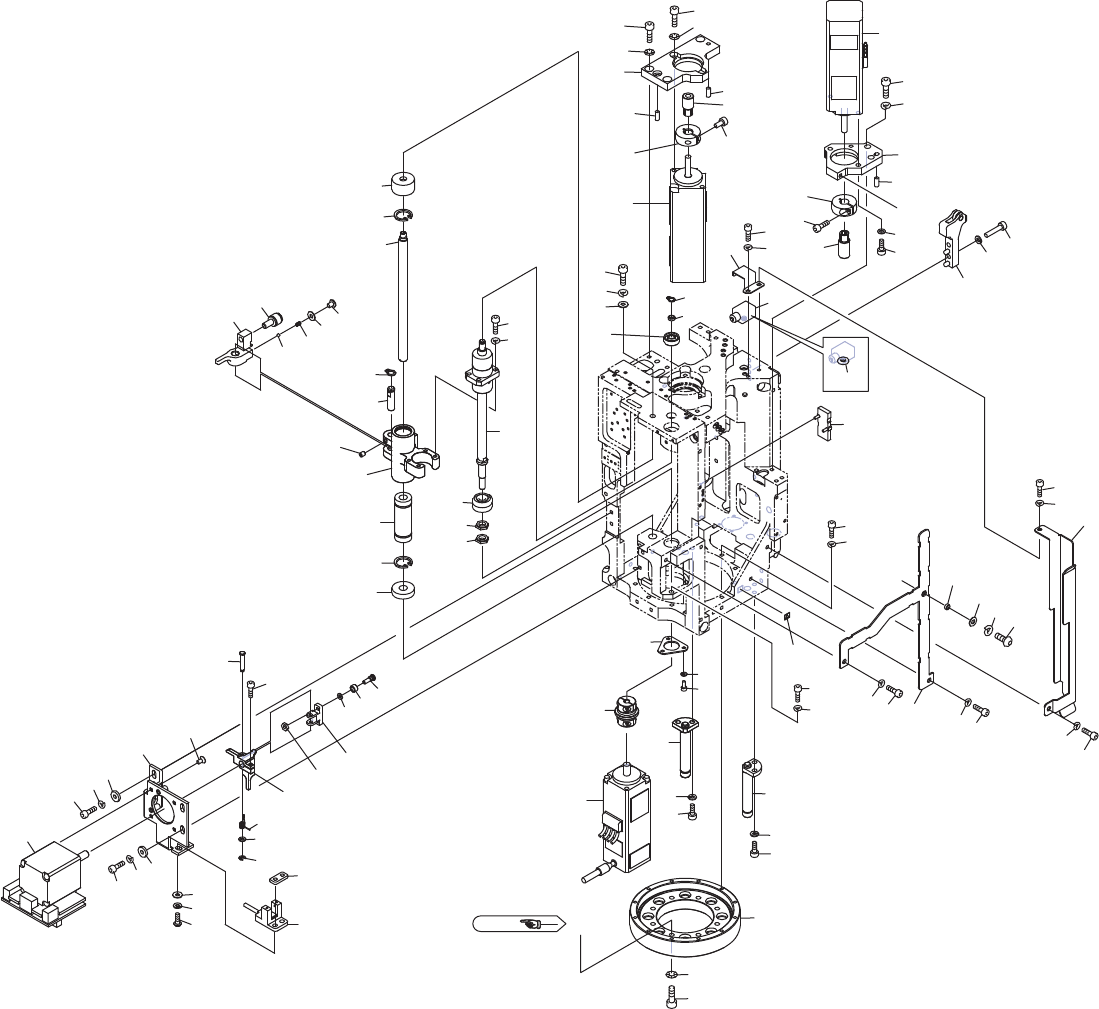
1
2
2
3
4
5
6
7
8
9
10
11
24
25
26
33
34
35
36
37
37
38
39
40
41
42
43
44
45
46
16.1
48
49
50
51
52
53
54
55
56
57
58
59
62
63
64
65
66
67
68
69
67
68
69
70
71
72
73
74
105
106
108
107
75
76
77
78
79
80
81
82
83
84
85
86
88
88
89
90
89
90
92
93
94
109
96
97
97
98
98
99
100
101
110
103
102
104
12
13
14
16
17
18
19
20
21
22
23
23.1
15
60
92.1
92.2
79
21.1
22
H08M HEAD 1/
+0࣊ࢵࢻ
2UGKHF000172
64
PTS- NAHEAD- 10

H08M HEAD 1/
H08M ヘッド 1/
2UGKHF000172
No. Drg.No. & Code No. QTY Description Rating Remarks
番号 図番 & コード番号 個数 品名 規格 備考
1 2MGKHF005001 1 PLATE
プレート
2 R50035 2 ROLLER, NEEDLE
ローラ ニードル
φ3X7.8 AWC3
3 H54252 3 BOLT, HEX SOCKET
ボルト 六角穴
M03X008(3カ シロ)
4 W1010A 3 WASHER, CONICAL
ワッシャ 皿
M-3-L
5 2MGKHF017100 1 MOTOR, AC SERVO
モータ ACサーボ
6 H54252 2 BOLT, HEX SOCKET
ボルト 六角穴
M03X008(3カ シロ)
7 W1010A 2 WASHER, CONICAL
ワッシャ 皿
M-3-L
8 PM0CMZ5 1 GEAR
ギヤ
9 PM76241 1 COLLAR
カラー
10 H5274A 1 BOLT, HEX SOCKET
ボルト 六角穴
M03X006
11 2MGKHA113400 1 MOTOR, AC SERVO
モータ ACサーボ
12 H54252 2 BOLT, HEX SOCKET
ボルト 六角穴
M03X008(3カ シロ)
13 W1010A 2 WASHER, CONICAL
ワッシャ 皿
M-3-L
14 2MGKHF004900 1 PLATE
プレート
15 H5289R 2 BOLT, HEX SOCKET
ボルト 六角穴
M04X014(3カ シロ)
16 W1106D 2 WASHER, LOCK
ワッシャ スプリング
4M/M(3カ シロ)
16.1 R50035 2 ROLLER, NEEDLE
ローラ ニードル
φ3X7.8 AWC3
17 PM76241 1 COLLAR
カラー
18 H5274A 1 BOLT, HEX SOCKET
ボルト 六角穴
M03X006
19 PM06FL7 1 GEAR
ギヤ
20 PB04BN0 1 BKT, RETAINER
BKT 押え
21 H67896 1 BOLT, HEX SOCKET
ボルト 六角穴
M02.5X005(3カ シロ)
21.1 H5425F 1 BOLT, HEX SOCKET
ボルト 六角穴
M02.5X006(3カ シロ)
22 W1106A 2 WASHER, LOCK
ワッシャ スプリング
2.5M/M(3カ シロ)
23 XS00842 1 SENSOR, PRESSURE
センサ 圧力
23.1 A60764 1 O RING
Oリング
φ2.8X1.6(NBR) ACC-23
24 AA06D10 1 ROLLER
ローラ
25 H54255 2 BOLT, HEX SOCKET
ボルト 六角穴
M03X015(3カ シロ)
26 W1106C 2 WASHER, LOCK
ワッシャ スプリング
3M/M(3カ シロ)
33 PZ48711 1 SHAFT
シャフト
34 H54251 1 BOLT, HEX SOCKET
ボルト 六角穴
M03X006(3カ シロ)
35 W1106C 1 WASHER, LOCK
ワッシャ スプリング
3M/M(3カ シロ)
36 W1108B 1 WASHER, FLAT
ワッシャ 平
3M/MX0.5X7(3カシロ)
37 S10015 2 CIR-CLIP
サークリップ
RTW 12
38 PG07300 1 STOPPER
ストッパ
39 H42740 1 BEARING, SLIDE
ベアリング スライド
NL-6VUU-SW
40 PG06500 1 STOPPER
ストッパ
41 PM0CXR1 1 SLIDER
スライダ
42 PM76232 1 PIN
ピン
43 S1027A 1 CIR-CLIP
サークリップ
STW 5
44 N4019C 1 SCREW, HEX SOCKET SET
ネジ 六角穴止め
M03X004 ヒラサキ(ステンレス)
45 PM0CXS2 1 ARM
アーム
46 K1090B 1 CAM FOLLOWER
カムフォロア
CFS4-A
48 PM04565 2 PIN, ROLLER
ピン ローラ
49 PM04574 2 ROLLER
ローラ
50 PM04552 2 COLLAR
カラー
51 PH00908 1 ARM
アーム
52 N1074Z 2 NUT, HEX
ナット 六角
M02.5(ステンレス)
53 PM064M2 1 ARM
アーム
54 H5425L 1 BOLT, HEX SOCKET
ボルト 六角穴
M02X005(3カ シロ)
55 PM46182 1 PIN
ピン
65
PTS- NAHEAD- 10

H08M HEAD 1/
H08M ヘッド 1/
2UGKHF000172
No. Drg.No. & Code No. QTY Description Rating Remarks
番号 図番 & コード番号 個数 品名 規格 備考
56 PZ04721 1 SPRING, TORSION
スプリング ネジリ
57 W1039K 1 WASHER, FLAT
ワッシャ 平
2.5M/MX0.5X5(ステンレス)
58 S1003D 1 CIR-CLIP
サークリップ
ST-EW-2(3カ シロ)
59 2MGKHF004100 1 BKT, MOTOR
BKT モータ
60 H62140 1 PLATE
プレート
SYJ3000-21-12A
62 S69236 1 SENSOR, PHOTO
センサ フォト
PM-Y45-P
63 PP00171 1 NUT
ナット
64 K5258F 2 SCREW, HEX SOCKET BUTTON
小ネジ 六角穴ボタン
M03X008(3カ シロ)
65 W1106C 2 WASHER, LOCK
ワッシャ スプリング
3M/M(3カ シロ)
66 W1108B 2 WASHER, FLAT
ワッシャ 平
3M/MX0.5X7(3カシロ)
67 H54252 4 BOLT, HEX SOCKET
ボルト 六角穴
M03X008(3カ シロ)
68 W1106C 4 WASHER, LOCK
ワッシャ スプリング
3M/M(3カ シロ)
69 W1108D 4 WASHER, FLAT
ワッシャ 平
4W-3(3カ シロ)
70 K5169R 4 SCREW, C/R COUNTERSUNK
小ネジ 十穴皿
M02.6X005(ステンレス)
71 XM01173 1 MOTOR, STEPPING
モータ ステッピング
72 XB03791 1 BALL SCREW
ボールネジ
73 H54292 4 BOLT, HEX SOCKET
ボルト 六角穴
M2.5X008(3カ シロ)
74 W1106A 4 WASHER, LOCK
ワッシャ スプリング
2.5M/M(3カ シロ)
75 S10267 1 CIR-CLIP
サークリップ
STW 4
76 PM04642 1 COLLAR
カラー
77 H4581B 1 BEARING, MINIATURE
ベアリング ミニチュア
694ZZ
78 H4897A 1 BEARING
ベアリング
AC5-14DBSP2 SET
79 PM04723 2 NUT
ナット
80 PB97201 1 RETAINER, BEARING
押え ベアリング
81 H5425L 3 BOLT, HEX SOCKET
ボルト 六角穴
M02X005(3カ シロ)
82 W1106B 3 WASHER, LOCK
ワッシャ スプリング
2M/M(3カ シロ)
83 XK04101 1 COUPLING
カップリング
84 2MGKHM008302 1 MOTOR, AC SERVO
モータ ACサーボ
85 H54253 2 BOLT, HEX SOCKET
ボルト 六角穴
M03X010(3カ シロ)
86 W1106C 2 WASHER, LOCK
ワッシャ スプリング
3M/M(3カ シロ)
88 AB22102 2 PIN, REFERENCE
ピン 基準
89 H54253 4 BOLT, HEX SOCKET
ボルト 六角穴
M03X010(3カ シロ)
90 W1106C 4 WASHER, LOCK
ワッシャ スプリング
3M/M(3カ シロ)
92 XB03710 1 BEARING
ベアリング
92.1 H54252 8 BOLT, HEX SOCKET
ボルト 六角穴
M03X008(3カ シロ)
92.2 W1010A 8 WASHER, CONICAL
ワッシャ 皿
M-3-L
93 H5425G 12 BOLT, HEX SOCKET
ボルト 六角穴
M02.5X015(3カ シロ)
94 W1106A 12 WASHER, LOCK
ワッシャ スプリング
2.5M/M(3カ シロ)
96 PB0ADC3 1 BKT, WIRING
BKT 配線
97 H54250 2 BOLT, HEX SOCKET
ボルト 六角穴
M03X005(3カ シロ)
98 W1106C 2 WASHER, LOCK
ワッシャ スプリング
3M/M(3カ シロ)
99 K5258E 1 SCREW, HEX SOCKET BUTTON
小ネジ 六角穴ボタン
M03X006(3カ シロ)
100 W1106C 1 WASHER, LOCK
ワッシャ スプリング
3M/M(3カ シロ)
101 W1038R 1 WASHER, FLAT
ワッシャ 平
3M/MX0.5X7(ステンレス)
102
2MGKHF009401
1 COVER, WIRING
カバー 配線
103 H54250 1 BOLT, HEX SOCKET
ボルト 六角穴
M03X005(3カ シロ)
104 W1106C 1 WASHER, LOCK
ワッシャ スプリング
3M/M(3カ シロ)
105 K52543 1 SCREW, C/R FLAT
小ネジ 十穴平
M03X004ヒラトウH=1.0ニッケル
106 W1040R 1 WASHER, FLAT
ワッシャ 平
3M/MX0.5X7(1W-3)(3カクロ)
107 PZ49600 1 SPRING
スプリング
108 H5065B 1 BALL, STEEL
ボール スチール
2.5[mm]
66
PTS- NAHEAD- 10