西门子技术培训TX-Series_ZH.pdf - 第107页

7 电源 7.7 SMPS 诊断 技术培训 FSE SIPLACE TX系列 01/2018 107 7.7 SMPS 诊断 贴片机软件中的诊断功能可以轻松监测贴片机的电压状态。 可能提供以下分析和监测选项: ● 电源组 PS1 和电容储能电池 CAP 监测 ● CSB上的安全状态监测 ● FD 上的贴片头中间电路电压 160VDC 监测 ● FD 上的 42VDC/28VDC/24VDC 电压监测 为了实现上述电源组电压及 CAP 和…

100%1 / 170
7 电源
7.6 SMPS TX 各单元的功能描述
106 技术培训 FSE SIPLACE TX系列 01/2018
7.6.5 电源(SMPS)– 测量和测试300VDC
来自 PS1(输入)的 300VDC 可以在 X303 (300VDC) 和 X305(接地)之间测量。
来自 CAP1(输出)的 300VDC 可以在 X304(300VDC)和 X305 (接地)之间测量。
1. 测量插孔 X303
2. 测量插孔 X304
3. 测量插孔 X305
提示
测量始终以 X305(GND)为参考点!
测量应该采用适当的干线电压测试仪,因为我们操作的是 300VDC 直流电。
确保在任何情况下都不会触碰到测量设备的测量末端。
7 电源
7.7 SMPS 诊断
技术培训 FSE SIPLACE TX系列 01/2018 107
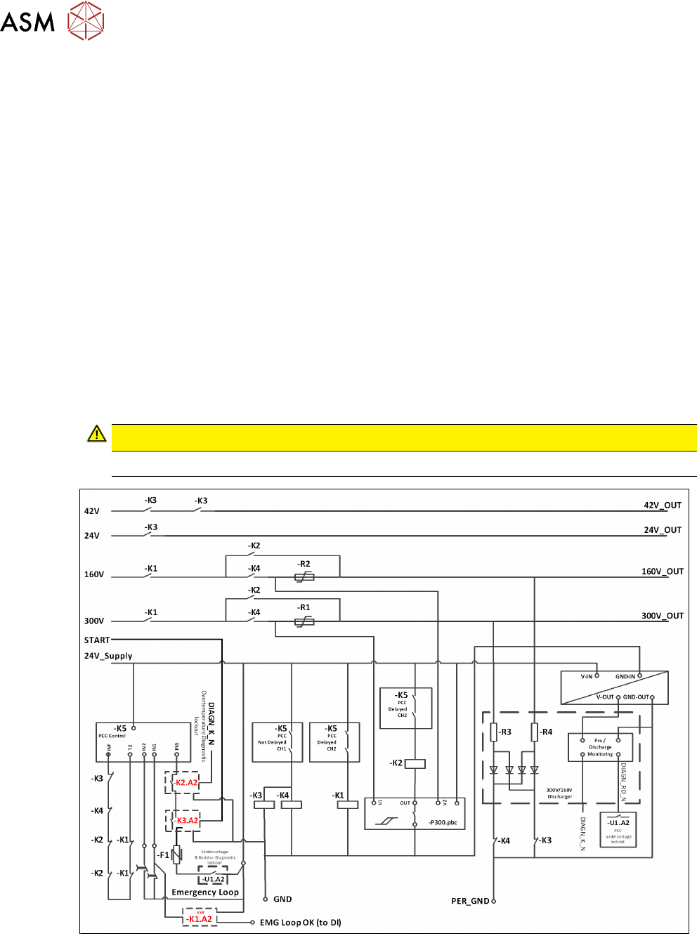
7.7 SMPS 诊断
贴片机软件中的诊断功能可以轻松监测贴片机的电压状态。
可能提供以下分析和监测选项:
电源组 PS1 和电容储能电池 CAP 监测
CSB上的安全状态监测
FD 上的贴片头中间电路电压 160VDC 监测
FD 上的 42VDC/28VDC/24VDC 电压监测
为了实现上述电源组电压及 CAP 和 FD 上的保险丝状态监测,在 SMPS 有两个额外的诊断回路,两
个回路在输入输出控制单元(IOCU)汇合,进而传输到控制计算机。
连接1、2和3仅用于传递诊断数据,因此对于诊断功能的正常运作至关重要。
必须正确连接 SMPS 电缆才能诊断 GUI 功能是否正常。排除故障时,需确保所有电缆均已正
确连接。如果贴片机控制器未收到来自电容器电池的任何诊断数据(例如发生故障或电缆未连
接),将不会显示任何 FD 诊断信息!
Diagnostics Master是集成在CAP1中的固定部分,它会根据诊断需要,评估来自整个PS1-CAP1组
件的信息。
此外,Diagnostics Master还会查询来自CAP1电容储能电池的数据(充电状态、温度、备用存储容
量、运行时间)。
FD.A1 收集低电压控制(来自 PS2/PS3/PS4 或 FD 上的保险丝)和安全逻辑(来自 CSB)的所有
诊断数据。然后,将诊断数据从 FD 发送至 IOCU。
另外,还会查询有关 160VDC 的信息,以获取贴片头的中间电路电压。此操作通过保险丝 F19 和
F20 的逻辑来完成。
7 电源
7.8 安全控制
108 技术培训 FSE SIPLACE TX系列 01/2018
7.8 安全控制
安全控制输出电压由 CSB单元(基于接触器的安全断路器)完成,它由两个功能单元组成:
1. 电路安全触断器单元
2. 预充/放电板–A2,用于监测和抑制主轴的负载电流
此单元具有以下功能
输出电压300V/160V/42V和24V的安全控制
在1s内对外侧电容器(300和160V 线路)进行预充电,防止打开输出电压时连接上出现未经授
权的电流负载
关闭输出电压时,在1s内将外侧电容器(300和160V 线路)放电到 60V 以下
向FD.A1上的保险丝诊断单元发送信号
往MGCU、HCU和传送导轨单元发送电源启动信号
该单元由基板制成,其承载所有接触器和连线,由装有所有插头和接口的 PCB覆盖。
 注意
如果单元出现故障,则需要更换整个单元
.