西门子技术培训TX-Series_ZH.pdf - 第96页

7 电源 7.3 电压概览方框图 96 技术培训 FSE SIPLACE TX系列 01/2018 7.3.3 160 V 贴片头轴的中间电路电压 下图显示了为贴片头轴生成 160V 中间电路电流。 * S1切换Z轴中间电压,CPP 为 160V,C&P20 P为 42V ● 贴片头轴的 160VDC 电压(中间电路)不会通过储能电池管理,不存在能量补偿问题。 ● 该电压直接从电源组 PS1 经过储能电池 CAP(无处理)进入 …

100%1 / 170
7 电源
7.3 电压概览方框图
技术培训 FSE SIPLACE TX系列 01/2018 95
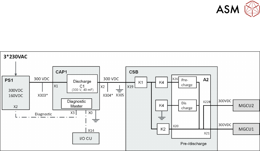
7.3.2 主轴的 300 V 中间电路电压
下图显示了为贴片头轴生成 300V 中间电路电流。
* X303/X304 维修测试点(DC 300V 输入/输出)
主轴的 300VDC 中间电路电压由 PS1 电源组生成,直接通过 CAP1 和 CSB 单元传输到
MGCU。
电容储能电池 CAP1 使用该 300VDC 充电。
主轴的预充电/放电控制以及储能电池的能源管理由安全断路器(CSB)中的预充/放电板-A2完
成。
7 电源
7.3 电压概览方框图
96 技术培训 FSE SIPLACE TX系列 01/2018
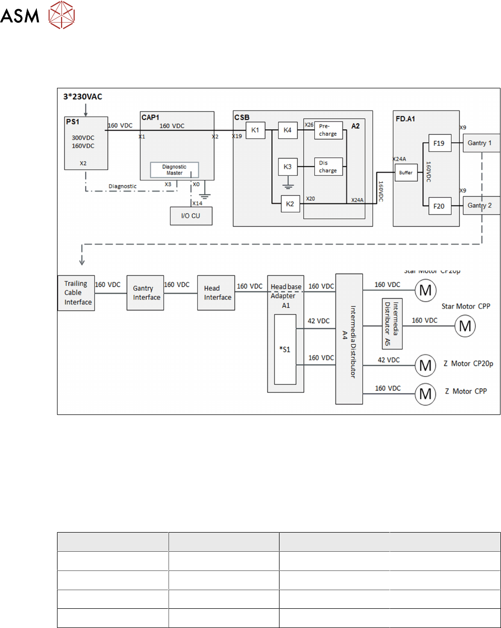
7.3.3 160 V 贴片头轴的中间电路电压
下图显示了为贴片头轴生成 160V 中间电路电流。
*
S1切换Z轴中间电压,CPP 为 160V,C&P20 P为 42V
贴片头轴的 160VDC 电压(中间电路)不会通过储能电池管理,不存在能量补偿问题。
该电压直接从电源组 PS1 经过储能电池 CAP(无处理)进入 CSB,在那里切换到预充/放电
板。
然后,贴片头轴电压经过 FDB 总成,由那里的保险丝保护,然后发传到贴片头。
电压 类型 保险丝 使用
160 VDC 受控 F19 星形电机悬臂 1
160 VDC 受控 F19 Z 电机 CPP 悬臂 1
160 VDC 受控 F20 星形电机悬臂 2
160 VDC 受控 F20 Z 电机 CPP 悬臂 2
7 电源
7.3 电压概览方框图
技术培训 FSE SIPLACE TX系列 01/2018 97
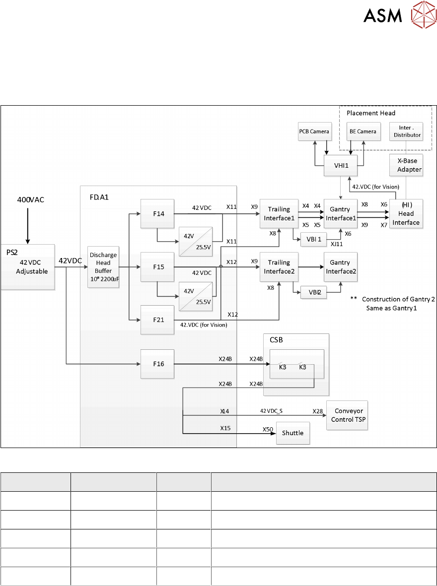
7.3.4 42 VDC 受控和非受控
下图显示了生成 42V 中间电路。
电压 类型 保险丝 使用
42 VDC 非受控 F14 Z 电机 CP20 悬臂 1
42 VDC 非受控 F15 Z 电机 CP20 悬臂 2
42 VDC 非受控 F21 相机照明(元件和 PCB)悬臂 1 和 2
42 VDC 非受控 F21 固定式相机的照明
42 VDC 受控 F16 传送导轨驱动电机