P-0294-004.pdf - 第147页
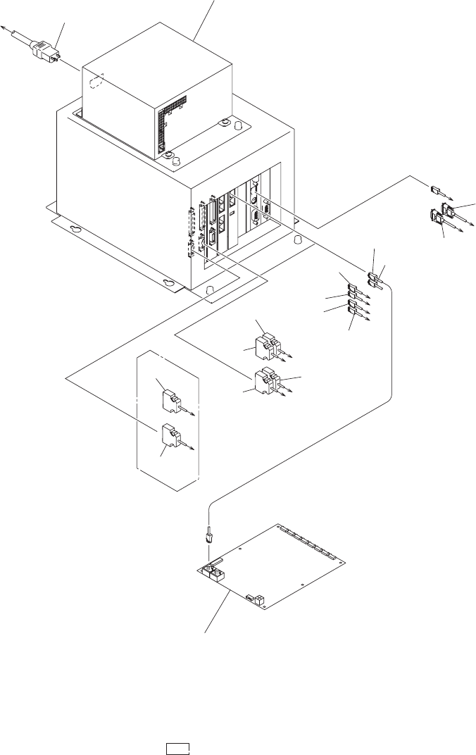
0801-002 178 内が本体対応箇所です。 The explanation in brackets is for the locations to be treated in the main machine. 157 AC200V X6001 X8502 X8503 X8504 X8501 X0519 X8203 X8303 X851 1 X8513 X8104 X18109 X1300B1 X0501 X0521 X21 1,…

0801-002
内が本体対応箇所です。
The explanation in brackets is for the locations to be treated in the main machine.
157
AC200V
X6001
X8502
X8503
X8504
X8501
X0519
X8203
X8303
X8511
X8513
X8104
X18109
X1300B1
X0501
X0521
X211,X531
X8201
X8301
X187C1
X0101
X0901
X1300B1
X20201
X8102
X7204
N1
-U83
-U60
-A81
-U82
-U85
-U85
-U81
172
166
155
173
154
153
152
151
174
175
164
165
See Fig. FD-1
Key No.151
-A51
See Fig. BR-2
Key No.175
N1
-U90
176
177
X0522
X90C1
X90C2
X9003
X9001
制御
PC
部 右
CONTROL PC SECTION RIGHT
Fig. FD-2
ケーブル
(G -S014-14) Cable(G -S014-14)
FD-2 illust-1

0801-002
178
内が本体対応箇所です。
The explanation in brackets is for the locations to be treated in the main machine.
157
AC200V
X6001
X8502
X8503
X8504
X8501
X0519
X8203
X8303
X8511
X8513
X8104
X18109
X1300B1
X0501
X0521
X211,X531
X8201
X8301
X187C1
X0101
X0901
X505
X1300B1
X20201
X8102
X7204
N1
-U83
-U60
-A81
-U82
-U85
-U85
-U81
172
166
155
173
154
153
152
151
174
175
164
165
See Fig. FD-1
Key No.151
-A51
See Fig. BR-2
Key No.175
N1
-U90
176
177
X0522
X90C1
X90C2
X9003
X9001
制御
PC
部 右
CONTROL PC SECTION RIGHT
Fig. FD-2
ケーブル
(G -S014-15) Cable(G -S014-15)
FD-2 illust-2

1004-004
Key No. PART No. PART NAME Q’ty REMARKS New Code
NOTE
FD-2
FD-2 list-1
151 6301611518 CORD 1 845BR-100-951 4W204353
152 6301618364 CORD(HLS-LINK) 1 845BR-100-952 4W204378
153 6301505848 CORD(HLS-LINK) 1 845BR-100-953 4W203717
154 6301505855 CORD(HLS-LINK) 1 845BR-100-954 4W203718
155 6301506142 CORD(AE-LINK) 1 845BR-100-955 4W203723
157 6301081861 CORD 1 845FB-100-157 4W202121
164 6301554099 CORD(DSUB9-SERIAL) 1 845BR-100-964 4W204092
165 6301554105 CORD(DSUB9-SERIAL) 1 845BR-100-965 4W204093
166 6301568980 CORD(RS485-PWR) 1 845BR-100-966 4W204125
172 6301505428 CORD(X8203-I/O) 1 845BC-100-952 4W203711
173 6301505435 CORD(X8303-I/O) 1 845BC-100-953 4W203712
174 6301508221 CORD(X8301-SSCNET) 1 845BC-100-954 4W203743
175 6301533056 CORD(X8201-X211A,X531A) 1 845BC-100-955 4W203894
176 6301589978 CORD 1
845BRA100020-A051
4W204297
176 6301589978 CORD 1
845BRA100030-A051
4W204297
177 6301290751 CORD(X9001-X90C1:X90C2) 1 1 806TF-110-066 4W202911
178 6301462790 CORD 1
845BRA100030-A052
4W203580
GXH-3PH
G -S014-14
G -S014-15