JX-350-Rev06 - 第102页
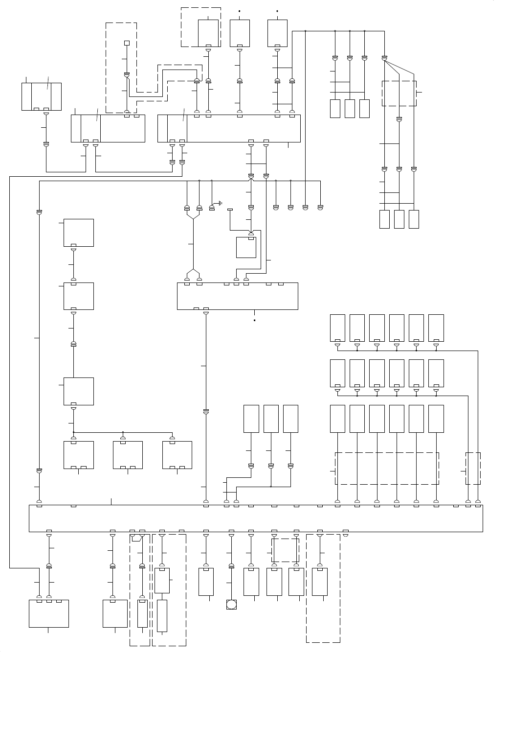
- 97 - 49. SYSTEM D IAGRAM (2) SYSTEM DIAGRAM (2) 1 4 3 2 5 6 7 4 9 12 8 10 11 14 16 18 20 23 15 13 17 19 21 21 4 24 26 4 32 36 37 38 39 40 41 42 28 30 35 43 44 45 46 47 57 58 59 60 63 67 71 72 68 64 61 55 54 73 73 73 51…

- 96 -
NOTE( 注記 ) #01....FOR EN EN 用
REF.NO NOTE PART NO D E S C R I P T I O N
品 名
Qty
1 401-29262 AC INPUT SURGE PROTECTOR ASM
ACインプットサージプロテクタ組
1
2 401-46386 NFB-LF CABLE ASM
NFB−LFケーブル組
1
3 401-33966 MAIN SW INPUT CABLE ASM
メインスイッチ入力束線組
1
4 401-48269 AC INPUT UNIT FG CABLE ASM
AC入力ユニット FGケーブル組
1
5 400-92401 AC INPUT NO.26 CABLE ASM
AC入力ユニット NO.26 ケーブル組
1
6 HA-0053800-00 SWITCH
スイッチ
1
7 401-46437 MTC/MTS PWR CONNECTOR ASM
MTC/MTS パワーコネクタ組
1
8 401-46387 MAIN SW-TF CABLE ASM
メインSW−TFケーブル組
1
9 401-61279 MTS PWR CABLE ASM(R)
MTS パワーケーブル組(R)
1
10 401-33971 TF INPUT CABLE (DELTA) ASM
変圧器入力端子デルタ結線束線組
1
11 401-09925 TF FG CABLE ASM
トランスFGケーブル組
1
12 401-35052 TRANSFORMER
トランス
1
13 401-09926 TF 200V OUTPUT CABLE ASM
TF200V出力ケーブル組
1
14 401-09927 TF 34V OUTPUT CABLE ASM
TF34V出力ケーブル組
1
15
#01
401-13637 SAFETY U 34V IN CABLE ASM(EN)
セーフティ U 34V INケーブル組(EN)
1
16
#01
401-13638 SAFETY U 34V OUT CABLE ASM(EN)
セーフティ U 34V OUTケーブル組(EN)
1
17 401-09928 TF 100VA OUTPUT CABLE ASM
TF100VA出力ケーブル組
1
18 401-09929 TF 200VB OUTPUT CABLE ASM
TF200VA出力ケーブル組
1
19 401-49489 POWER SUPPLY UNIT 10 ASM
電源ユニット10組
1
20
#01
401-49490 POWER SUPPLY UNIT 10 (EN) ASM
電源ユニット10(EN)組
1
21 401-14533 ETF_POWER_ASM
ETF_電源組
1
22 401-46452 SERVO MOTOR 10W
サーボモータ 10W
1
23 401-29244 VACUUM PUMP ASM
真空ポンプ組
1
24 401-46409 VACUUM PUMP RELAY CABLE ASM
真空ポンプ中継ケーブル組
1
25 401-33768 DC FAN
DCファン
1
26 401-48286 FAN CABLE ASM
ファンケーブル組
1
27 401-09930 X PWR CABLE ASM
X電源ケーブル組
1
28 401-29652 X AXIS DRIVER
X軸ドライバ
1
29 401-18621 OPTICAL FIBER CABLE 2M
光ファイバケーブル2M
1
30 400-44540 16AXIS 2CH SERVO CONTROLLER
16軸 2CHポジションボード
1
31 401-09948 POS BOARD1 1CH CABLE ASM
ポジションボード1 1CHケーブル組
1
32 400-97614 XY-RELAY POS RELAY CABLE ASM
XY−RELAY ポジション中継ケーブル組
1
33 401-06795 S-XY RELAY PCB ASM
S−XYリレー基板組
1
34 400-48070 OPTICAL FIBER CABLE 7M
光ファイバケーブル7M
1
35 401-46388 XY BEAR CABLES ASM
XY ベアケーブル組
1
36 401-29630 XY LINEAR SCALE HEAD
XYリニアスケールヘッド
1
37 401-46367 X ENC CABLE ASM
X ENCケーブル組
1
38 401-09943 X MOTOR CABLE ASM
Xモータケーブル組
1
39
#01
HN-0015500-00 CORE
コア
1
40 401-46380 Y BEAR CABLES ASM
Y ベアケーブル組
1
41 400-44545 X MOTOR ENCODER CABLE ASM
X軸エンコーダ中継ケーブル組
1
42 400-44546 X MTR PWR CABLE
X MTRパワーケーブル
1
43 401-29653 X AXIS MOTOR
X軸モータ
1
44 401-09933 X DRV FG CABLE ASM
XドライバFGケーブル組
1
45 401-29627 OPTICAL FIBER CABLE 1M
光ファイバケーブル1M
1
46 401-09931 YL PWR CABLE ASM
YL電源ケーブル組
1
47 401-29654 Y AXIS DRIVER
Y軸ドライバ
1
48 400-92416 DRV FG CABLE ASM
ドライバFGケーブル組
1
49 401-46368 YL ENC CABLE ASM
YL ENCケーブル組
1
50 401-46383 YL LINEAR SENS CABLE ASM
YL リニアセンサケーブル組
1
51 401-46382 YR ENCODER CABLE ASM
YR エンコーダケーブル組
1
52 401-46381 YL ENCODER CABLE ASM
YL エンコーダケーブル組
1
53 401-46439 YL MOTOR CABLE ASM
YL モータケーブル組
1
54 401-46348 Y AXIS SERVO MOTOR
Y軸モータ
1
55 401-29628 OPTICAL FIBER CABLE 0.15M
光ファイバケーブル0.15M
1
56 401-09932 YR PWR CABLE ASM
YR電源ケーブル組
1
57 401-46369 YR ENC CABLE SAM
YR ENCケーブル組
1
58 401-46384 YR LINEAR SENS CABLE ASM
YR リニアセンサケーブル組
1
59 401-46440 YR MOTOR CABLE ASM
YR モータケーブル組
1
60 401-46431 ATX POWER CABLE ASM
ATX パワーケーブル組
1
61 401-46346 ATX PSU
ATX電源
1
62 401-63313 ATX MAIN CABLE ASM
ATXメインケーブル組
1
63 401-46426 ATX 12V CABLE ASM
ATX 12Vケーブル組
1
64 401-31764 ATX CTRL CABLE ASM
ATX電源制御束線組
1
65 401-72513 CPCI POWER CABLE ASM
CPCIパワーケーブル組
1
66 401-49143 SERVO MOTOR 30W
サーボモータ 30W
1
67 401-72512 CPCI BACK BOARD 6SLOT
CPCIバックボード6スロット
1
68 401-46347 BATTERY
バッテリー
1
69 401-29650 4AXIS INTEGRAL TYPE T AXIS DRIVER
4軸一体型T軸ドライバ
1
70 401-46396 LZT PWR RELAY CABLE ASM
LZT パワー中継ケーブル組
1

- 97 -
49. SYSTEM DIAGRAM (2)
SYSTEM DIAGRAM(2)
1
4
32
5
6
7
4
9 12
8
10
11
14 16 18 20 23
15
13 17 19 21 21
4
24
26
4
32
36
37
38 39 40
41 42
28
30
35
43
44
45
46
47
57 58
59
60
63
67
71
72
68
64
61
55
54
73
73
73
51
25 25 25
27
29
31
33 34
49 52
5250
53
56
52
62 65 66 69 70
22
75
73
73
74
48
FEEDER PCB(1/2)
ETHER
SLAVE
PCB
3-2A
EN2
EN1
ES F
BASE I/O PCB(1/2)
MTS I/F
4-2A
CN2
CN1
ETHER
SLAVE
PCB
EN2
EN1
(MTS OPTION)
ETHER
SLAVE
PCB
EN2
EN1
XY-RELAY PCB(2/3)
1-3A
CN5
CN33
CN7
CN16
CN10
CN9
CN4
4-5A
XY01
XY02
XY04
XY08
XY05
I/F R
(COM PORT OPTION)
8-PORT
COM BOARD
SI02
4-4C
OPERATION
PCB (F)
CN14
3-4A
OPERATION
PCB (R)
CN14
3-4B
CN1239
CN1247
CN1241
CN1223
Y -LIMIT
SENSOR
Y+LINIT
SENSOR
YNEAR
SENSOR
CN127
XNEAR
X+LIM
X-LIM
X -LIMIT
SENSOR
X +LINIT
SENSOR
XNEAR
SENSOR
FULX RLY
COPLA LA
LED R
LED F
SAFE IO
XY03
XY10
ION I/O
SAFTY
UNIT(EN)
CN901
XYEN2
XYEN2
PUMP-IO
CN064
HEAD IO
IEEE1394
BOARD
CH1
IEEE1394a
REPEATER
CH1CH2
LNC60
POWER UNIT(3/5)
1-3B
CN68
CN064
CN32
CN20
CN17
CN26
CN19
CN61
CN62
3-3B
Z1 BLW SV
Z2 BLW SV
Z3 BL W SV
Z4 BLW SV
Z5 BLW SV
Z6 BLW SV
NOZZLE UP
SV ASM
NOZZLE DOWN
SENSOR L
NOZZLE DOWN
SENSOR R
Z1
PRESSURE
SENSOR
Z2
PRESSURE
SENSOR
Z3
PRESSURE
SENSOR
Z4
PRESSURE
SENSOR
Z5
PRESSURE
SENSOR
Z6
PRESSURE
SENSOR
Z1 VAC SV
Z2 VAC SV
Z3 VAC SV
Z4 VAC SV
Z5 VAC SV
Z6 VAC SV
CN201
NZ DWN1
NZ DWN2
CN5
4AXIS SERVO AMP(3)
CN4B
CN4D
1-5C
CN5
1-5B
CN4D
CN4B
4AXIS SERVO AMP(2)
4AXIS SERVO AMP(1)
CN5
1-5A
CN4D
CN4B
CN245
S-HEAD MAIN
PCB ASM
CN15
EN1
CN19
CN2
CN33
CN32
CN14
CN20
CN1
LNC60
CN13
CN23
CN12
CN16
CN28
CN1
CN31
CN6CN9
CN7
CN10
CN11
CN8
CN35
CN27
CN36
CN37
CN38
CN39
CN40
CN41
CN25
CN26
(SOLDER REC OPTION)
OCC A LIGHT
PCB ASM
LIGHT-A2
LIGHT-A1
LIGHT-C
OCCL
OCC CAMERA
OCC C LIGHT
PCB ASM
OCC A LIGHT
PCB ASM
FAN
TEMPERATURE
SENSOR PWB ASM
AMP
BAD MARK
SENSOR
(HMS OPTION)
HMS
SENSOR
AC3
4-1D
IP-X7 PCB(1/2)
CN478
HMS
CN813
EN2
EN1
EN3
ETHER MAIN PCB

- 98 -
NOTE( 注記 ) #01....FOR EN EN 用
REF.NO NOTE PART NO D E S C R I P T I O N
品 名
Qty
1 401-49647 ETHER-MAIN PCB ASM
イーサメイン基板組
1
2 401-47903 ETHER CABLE MAIN-XY ASM
イーサ束線メイン−XY組
1
3 401-47904 ETHER HEAD CABLE ASM
イーサヘッド束線組
1
4 401-46388 XY BEAR CABLES ASM
XY ベアケーブル組
1
5 401-30259 S-HEAD MAIN PCB ASM
Sヘッドメイン基板組
1
6 400-71300 IPX7 ASM
IPX7組図
1
7 401-46374 OCC CABLE ASM
OCCケーブル組
1
8 401-46354 HMS CABLE ASM
HMSケーブル組
1
9 401-46355 HIGHT SENSOR RELAY CABLE ASM
ハイトセンサ中継ケーブル組
1
10 HD-0013100-30 FIBER UNIT
ファイバユニット
1
11 HD-0026400-00 SENSOR
センサ
1
12 400-47981 BAD MARK FIBER AMP ASM
バッドマークファイバアンプ組
1
13 401-28883 THERMAL SENSOR PCB ASM
サーマルセンサ基板組
1
14 401-46370 HDM-TMP SENSOR CABLE ASM
HDM−TMP センサケーブル組
1
15 401-19461 HEAD FAN MOTOR A ASSY
頭部ファンモータA組
1
16 401-46385 HEAD FAN RELAY CABLE ASM
ヘッドファン中継ケーブル組
1
17 400-48028 OCC CAMERA
OCCカメラ
1
18 400-92466 OCC CAMERA L CABLE ASM
OCCカメラLケーブル組
1
19 400-47512 OCC C LIGHT PCB ASM
OCC C ライト基板組
1
20 401-09978 OCC LIGHT 3010 CABLE ASM
OCCライト3010ケーブル組
1
21 400-47508 OCC A LIGHT PCB ASM
OCC A ライト基板組
1
22 401-46380 Y BEAR CABLES ASM
Y ベアケーブル組
1
23 400-92470 OCC A2 LIGHT CABLE ASM
OCC A2 ライトケーブル組
1
24 401-09976 HEAD I/O CABLE ASM
ヘッド I/O ケーブル組
1
25 401-29650 4AXIS INTEGRAL TYPE T AXIS DRIVER
4軸一体型T軸ドライバ
1
26 401-46398 LNC60 I/F CABLE ASM
LNC60 I/F ケーブル組
1
27 400-45547 LNC60
レーザセンサ
1
28 400-44517 1394 ROBOT CABLE ASM
1394ロボットケーブル組
1
29 400-44518 IEEE1394 REPEATER BOARD
IEEE1394リピータボード
1
30 401-13617 1394 RELAY CABLE ASM
1394中継ケーブル組
1
31 401-50021 IEEE1394 BOARD
IEEE1394ボード
1
32 401-09974 HEAD MAIN PWR CABLE ASM
HEAD MAIN 電源ケーブル組
1
33 401-49489 POWER SUPPLY UNIT 10 ASM
電源ユニット10組
1
34
#01
401-49490 POWER SUPPLY UNIT 10 (EN) ASM
電源ユニット10(EN)組
1
35 401-46433 SERV/PMP CTRL CABLE ASM
SERV/PMP コントロールケーブル組
1
36 401-46401 NOZZLE UP SV RELAY CABLE ASM
ノズルアップSV中継ケーブル組
1
37 401-46413 NOZZLE DOWN CABLE ASM
ノズルダウンケーブル組
1
38 401-29113 NZL-UP SV CABLE ASM
NZL−UP SVケーブル組
1
39 400-92495 NOZZLE DOWN SENS L ASM
ノズルダウンセンサ Lケーブル組
1
40 401-13701 NOZZLE DOWN SENS R ASM
ノズルダウンセンサ Rケーブル組
1
41 401-58238 VAC SENS CABLE ASM(6AXIS)
VAC センサケーブル組(6軸)
1
42 401-58236 VAC SV CABLE ASM(6AXIS)
VAC SV ケーブル組(6軸)
1
43 401-13640 SAFETY U 901 CABLE ASM(EN)
セーフティ U 901 ケーブル組(EN)
1
44 401-46389 XY-RELAY I/O CABLE ASM
XY−RELAY I/O ケーブル組
1
45 401-09960 XY-RELAY PWR CABLE ASM
XY−RELAY 電源ケーブル組
1
46 400-97616 XY-RELAY I/O REALY CABLE ASM
XY−RELAY I/O中継ケーブル組
1
47 401-13690 XY-RELAY PWR RELAY CABLE ASM
XY−RELAY パワー中継ケーブル組
1
48 401-47905 ETHER CABLE FEEDER LR-RF ASM
イーサ束線フィーダLR−RF組
1
49 400-47560 FEEDER PCB ASM
フィーダ基板組
1
50 400-71680 BASE IO PCB ASM
ベースIO基板組
1
51 401-47906 ETHER CABLE BASE FEEDER ASM
イーサ束線ベースフィーダ組
1
52 400-47557 ETHER-SLAVE PCB ASM
ETHER−SLAVE基板組
1
53 401-47901 ETHER CABLE XY BASE ASM
イーサ束線XYベース組
1
54 401-61263 MTS IF CABLE ASM(R)
MTS IF ケーブル組(R)
1
55 401-10050 MTC MTS I/F BR CABLE ASM
MTC MTS I/Fブラケットケーブル組
1
56 401-06795 S-XY RELAY PCB ASM
S−XYリレー基板組
1
57 401-47900 ETHER CABLE XY BASE RELAY ASM
イーサ束線XYベース中継組
1
58 401-47902 ETHER CABLE MAIN-XY RELAY ASM
イーサ束線メイン−XY中継組
1
59 401-13688 XY MTC MTS CABLE ASM
XY MTC MTS ケーブル組
1
60 401-13691 XY-RELAY HOD 232C RELAY CABLE ASM
XY−RELAY HOD 232C 中継ケーブル組
1
61 401-46372 XY-RELAY HOD 232C CABLE ASM
XY−RELAY HOD 232C ケーブル組
1
62 401-35433 8-PORT COM BOARD
8−PORT COM ボード
1
63 400-97619 XY-RELAY OPERATION RELAY CABLE ASM
XY−RELAYオペレーションリレーケーブル組
1
64 401-10068 OPERATION RLY CABLE F ASM
オペレーション電源ケーブル組(F)
1
65 401-48273 OPERATION PCB FRONT10 PCB ASM
オペレーション基板 フロント10組
1
66
#01
401-48277 OPERATION PCB FRONT10 ASM(EN)
オペレーション基板 フロント10組(EN)
1
67 400-97620 XY-RELAY OPERATION RELAY CABLE ASM
XY−RELAYオペレーションリレーケーブル組
1
68 401-10069 OPERATION RLY CABLE R ASM
オペレーション電源ケーブル組(R)
1
69 401-48275 OPERATION PCB REAR10 ASM
オペレーション基板 リア10組
1
70
#01
401-48279 OPERATION PCB REAR10 ASM(EN)
オペレーション基板 リア10組(EN)
1
71 401-13689 XY-RELAY SENSOR RELAY CABLE ASM
XY−RELAY センサ中継ケーブル組
1
72 401-46403 XY-RELAY SENSOR CABLE ASM
XY−RELAY センサケーブル組
1
73 401-65028 XY LMT SENSOR ASM
XY LMT センサ組
1
74 401-29002 NEAR SENSOR CABLE ASM
ニアセンサケーブル組
1
75 401-46404 X PLUS SENSOR RELAY CABLE ASM
X プラスセンサ中継ケーブル組
1