CTFR-Rev02.pdf - 第3页
在线预览 CTFR-Rev02.pdf PDF 文档。
CONTENTS
目 次
1. CTFR (1) ..............................................................................................................................................................................1
2. CTFR (2) ..............................................................................................................................................................................3

- 1 -
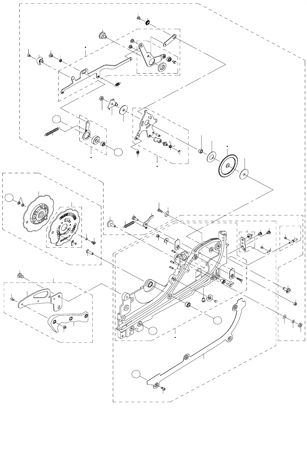
1. CTFR (1)
8
7
9
11
12
12
10
14
13
15
20
19
18
16
17
27
26
28
24
25
31
32
38
39
40
41
37
33
34
36
29
30
47
50
51
49
52
53
A
A
54
55
57
56
21
22
23
44
45
46
59
61
62
63
B
B
C
C
60
42
35
43
58
1
2
48
3
4
5
3
6