threem2_e.pdf - 第3页

T able of Contents THREEM II (LC2) Over view Control box Interface board I/O head Power circuit Emergency circuit UPS power circuit (op.) Cell-conveyor (op.) Extension conveyor (op.) Air circuit W iring parts list

100%1 / 15
IM COMPANY
882 Soude Hamamatsu, Shizuoka
435-0054,Japan
Telephon 81-53-460-6126
Facsimile 81-53-460-6145
YAMAHA MOTOR CO,. LTD
Table of Contents
THREEM II (LC2)
Over view
Control box
Interface board
I/O head
Power circuit
Emergency circuit
UPS power circuit (op.)
Cell-conveyor (op.)
Extension conveyor (op.)
Air circuit
Wiring parts list
PAGE 1
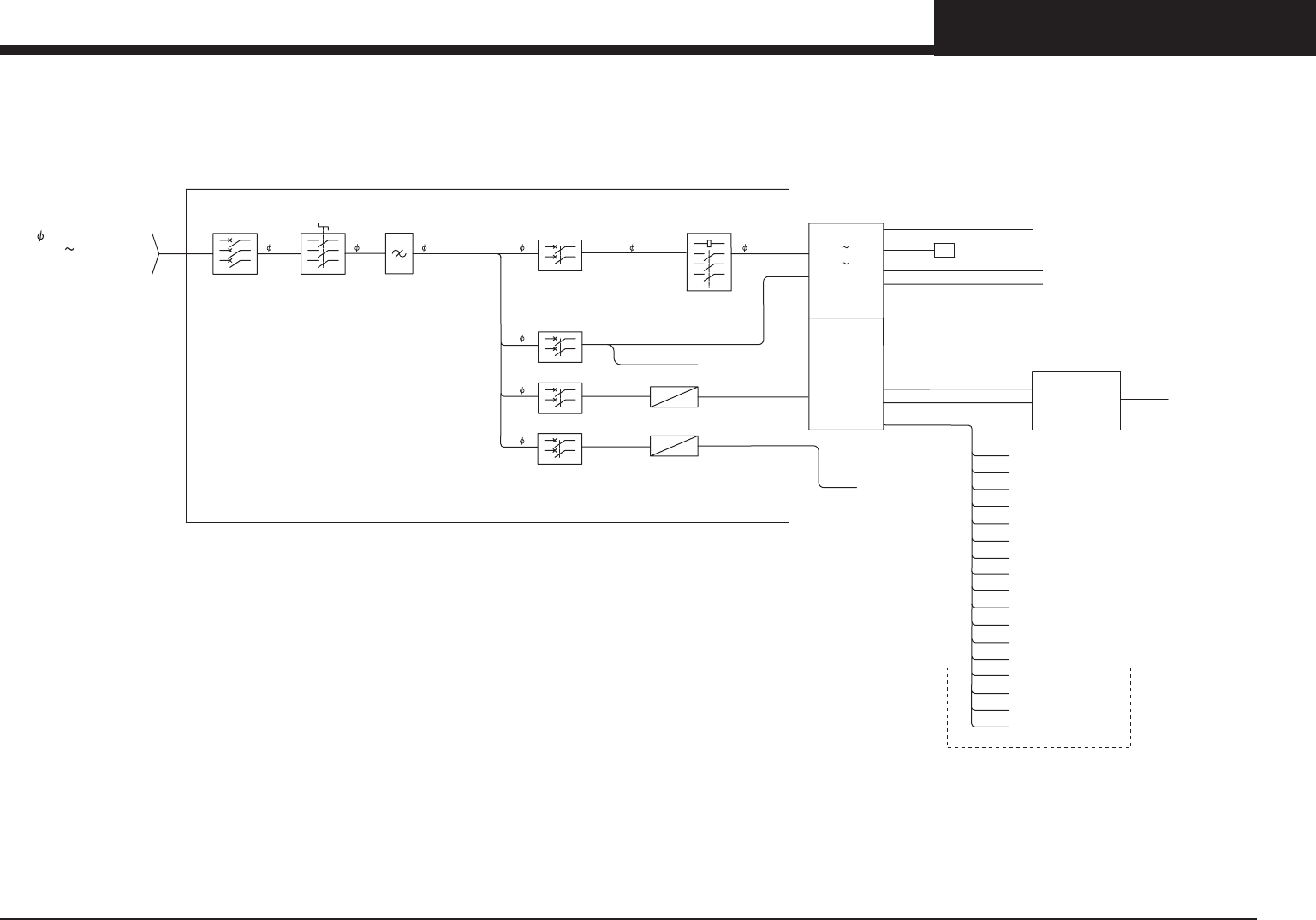
THREEM II (LC2)
Over view
Contactor
Protector
Circuit
Main Switch
QS11QF11
INPUT:
DRIVER
Main Breaker
FDD
HEAD SENSOR,VALVE
I/O HEAD
COMU
DC24V
CONTROL BOX
Each Cameras
Each Motors
1 50/60Hz
Set A
Filter
Noise
NF11
OPERATION PANEL SEL.
INTERFASE BORD
KM10/KM10A
QF31 10A
QF33 2A
QF34 2A
Power Supply
Power Supply
DC24V
GS22 DC24V 4A
CRT
QF32 7A
DC5V 5A
GS21 DC24V 7.5A
CONVEYOR ORG,OT
CONVEYOR SENSOR
CONVEYOR VALVE
CONVEYOR MOTOR
FRONT OPERETION PANEL
SIGNAL TOWER
CONVER COVER S/W
SIDE COVER S/W
EMG S/W
CONVEYOR MOTOR
FEEDER
CELL CONVER
OPTION
FEEDER
Rating 2.8KVA MAX.
See POWER CIRCUIT
AC200 240(-10%.+6%)
OUTPUT:
CONTROL:1PH 50/60Hz
MOTOR:1PH 50/60Hz
AC200 240V
AC200 240V
DC24V/DC5V
1 1 1 1 1 1
1
1
1
See Control Box
TSF1