Part List-XPFL-041JE - 第237页
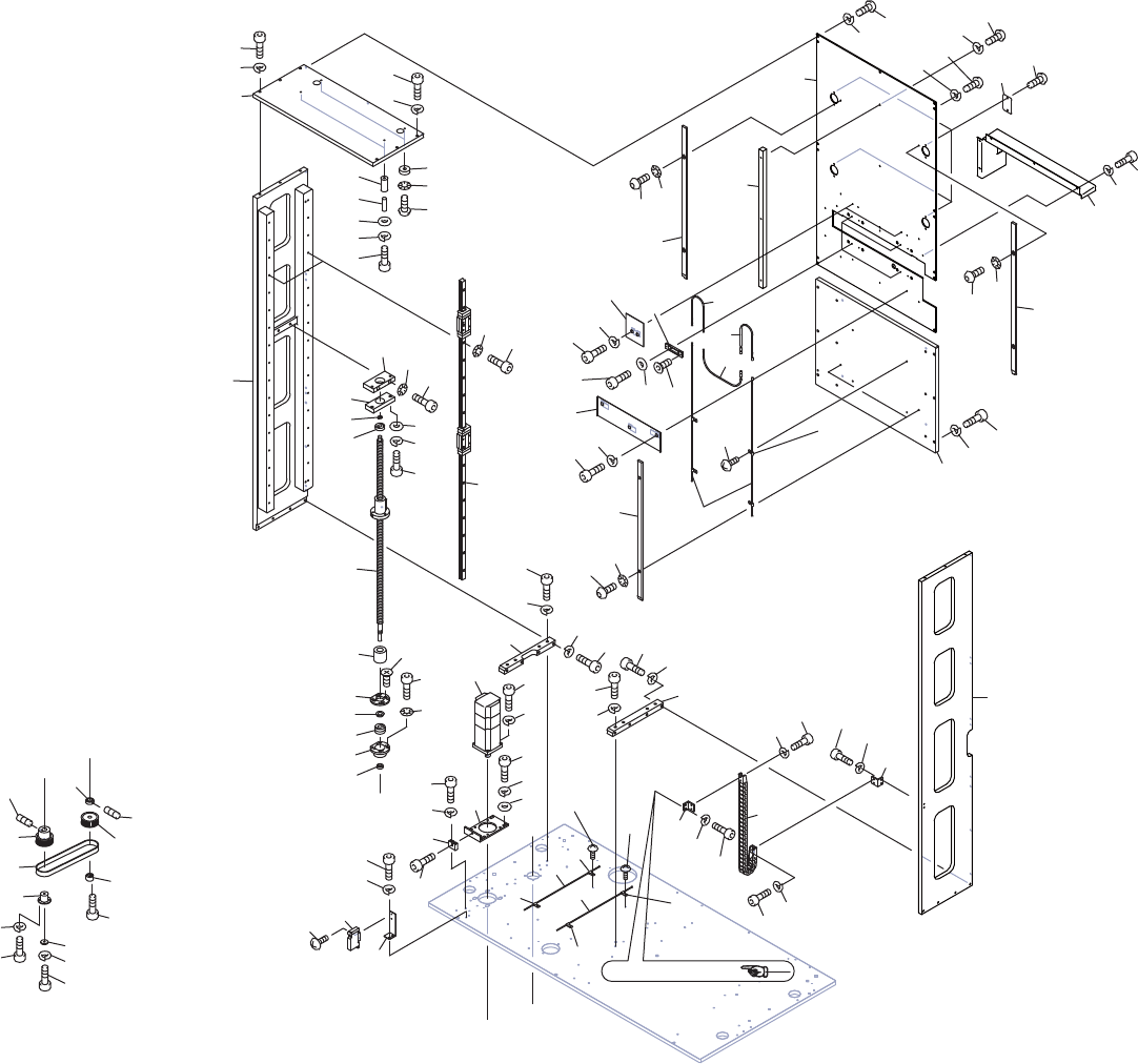
MTU-A(TRAY ELEVATOR) 2/2 MTU-A(トレイ エレベータ) 2/2 AGGTF9513 No. Drg.No. & Code No. QTY Description Rating Materials Remarks 番号 図番 & コード番号 個 数 品名 規格 材質 備考 1 GGTF3151 1 PLATE, UPPER プレート 上 FE 2 H5326A 6 BOLT, HEX SOCK…

AA
AA
BB
CC
BB
CC
Ref.
MAGAZINE RACK
62
35
67
67
70
69
65
6
34
2
2
11
40
40
59
51
55
55
55
55
55
56
56
56
47
49
45
38
1
32
77
82
83
74
25
29
15
17
21
20
85
88
87
12
3
9
3
10
4
5
8
7
63
13
33
36
37
60
61
42
41
41
39
53
53
53
54
54
57
58
50
52
43
44
46
48
64
69
68
66
71
68
70
72
14
18
19
16
22
23
31
28
27
26
24
30
73
76
78
79
75
80
81
86
84
93
99
101
102
95
105
97
94
100
98
92
103
96
104
107
109
111
110
106
108
108
107
106
111
110
112
113
114
54
115
116
117
078$ࢺ࢚࣮ࣞࣞ࣋ࢱ
078$75$<(/(9$725
AGGTF9513
236
PTS-XPFL-04.1JE

MTU-A(TRAY ELEVATOR) 2/2
MTU-A(トレイ エレベータ) 2/2 AGGTF9513
No. Drg.No. & Code No. QTY Description Rating Materials Remarks
番号 図番 & コード番号 個数 品名 規格 材質 備考
1 GGTF3151 1 PLATE, UPPER プレート 上 FE
2 H5326A 6 BOLT, HEX SOCKET ボルト 六角穴 M06X025 ゼンネジ FE
3 W1024A 6 WASHER, LOCK ワッシャ スプリング 6M/M FE
4 DETR3330 2 STOPPER ストッパ PL
5 DETR3340 2 COLLAR カラー FE
6 H5294A 2 BOLT, HEX SOCKET ボルト 六角穴 M04X030 FE
7 W1022A 2 WASHER, LOCK ワッシャ スプリング 4M/M FE
8 W1040S 2 WASHER, FLAT ワッシャ 平 4M/MX0.8X9(1W-4)(3カ クロ) FE
9 GGTF3261 2 WASHER ワッシャ PL
10 K52565 2 SCREW, HEX SOCKET BUTTON 小ネジ 六角穴ボタン M04X006 FE
11 W1011A 2 WASHER, CONICAL ワッシャ 皿 M- 4-L FE
12 GGTF3331 1 PLATE, SIDE プレート サイド FE
13 GGTF3400 1 BLOCK ブロック FE
14 H5330A 2 BOLT, HEX SOCKET ボルト 六角穴 M06X040 FE
15 W1013A 2 WASHER, CONICAL ワッシャ 皿 M- 6-H FE
16 DNTR3580 1 HOLDER, BEARING ホルダ ベアリング FE
17 H5326A 2 BOLT, HEX SOCKET ボルト 六角穴 M06X025 ゼンネジ FE
18 W1024A 2 WASHER, LOCK ワッシャ スプリング 6M/M FE
19 W1045A 2 WASHER, FLAT ワッシャ 平 4W- 6 FE
20 S1031A 1 CIR-CLIP サークリップ STW 10 OT
21 H4175A 1 BEARING ベアリング 6000ZZ OT
22 GGTF3031 1 BALL SCREW ボールネジ OT
23 GGTF3100 1 STOPPER ストッパ PL
24 DNTR3560 1 RETAINER, BEARING 押え ベアリング FE
25 K5359E 4 SCREW, HEX SOCKET COUNTERSUNK 小ネジ 六角穴皿 M04X008 FE
26 DETR6240 1 COLLAR カラー FE
27 H42699 1 BEARING, ANGULAR ベアリング アンギュラ 7001ATYNDBMP5 OT
28 DNTR3551 1 HOLDER, BEARING ホルダ ベアリング FE
29 H5288A 4 BOLT, HEX SOCKET ボルト 六角穴 M04X010 FE
30 W1011A 4 WASHER, CONICAL ワッシャ 皿 M- 4-L FE
31 DETR6230 1 COLLAR カラー FE
32 GGTF3073 1 COVER カバー FE
33 K5261H 7 SCREW, HEX SOCKET BUTTON 小ネジ 六角穴ボタン M05X012 FE
34 W1023A 7 WASHER, LOCK ワッシャ スプリング 5M/M FE
35 K5261H 6 SCREW, HEX SOCKET BUTTON 小ネジ 六角穴ボタン M05X012 FE
36 W1023A 6 WASHER, LOCK ワッシャ スプリング 5M/M FE
37 GGTF3410 4 COVER カバー FE
38 K5172K 8 SCREW, C/R TRUSS 小ネジ 十穴トラス M04X005(3カ シロ) FE
237
PTS-XPFL-04.1JE

MTU-A(TRAY ELEVATOR) 2/2
MTU-A(トレイ エレベータ) 2/2 AGGTF9513
No. Drg.No. & Code No. QTY Description Rating Materials Remarks
番号 図番 & コード番号 個数 品名 規格 材質 備考
39 GGTF3321 1 GUIDE ガイド FE
40 K52565 4 SCREW, HEX SOCKET BUTTON 小ネジ 六角穴ボタン M04X006 FE
41 W1011A 4 WASHER, CONICAL ワッシャ 皿 M- 4-L FE
42 GGTF3311 1 GUIDE ガイド FE
43 DETR6864 2 COVER カバー FE
44 H5273A 4 BOLT, HEX SOCKET ボルト 六角穴 M03X005 FE
45 W1021A 4 WASHER, LOCK ワッシャ スプリング 3M/M FE
46 DNTR3330 4 BKT, SENSOR BKT センサ PL
47 H5268T 8 BOLT, HEX SOCKET ボルト 六角穴 M02.5X006 FE
48 W11081 8 WASHER, FLAT ワッシャ 平 2.5X5X0.5(3カ クロ) FE
49 K5357M 8 SCREW, HEX SOCKET COUNTERSUNK 小ネジ 六角穴皿 M03X006 FE
50 DNTR3741 1 COVER カバー FE
51 H5273A 3 BOLT, HEX SOCKET ボルト 六角穴 M03X005 FE
52 W1021A 3 WASHER, LOCK ワッシャ スプリング 3M/M FE
53 DETR6871 3 FIBER UNIT ファイバユニット OT
54 DETR6880 2 FIBER UNIT ファイバユニット OT
55 K30100 8 CLAMPER, CABLE クランパ ケーブル AL2 OT
56 K5172L 8 SCREW, C/R TRUSS 小ネジ 十穴トラス M04X006(3カ シロ) FE
57 GGTF3162 2 GUIDE ガイド FE
58 K52565 4 SCREW, HEX SOCKET BUTTON 小ネジ 六角穴ボタン M04X006 FE
59 W1011A 4 WASHER, CONICAL ワッシャ 皿 M- 4-L FE
60 GGTF3350 1 PLATE, BASE プレート ベース FE
61 H5325A 6 BOLT, HEX SOCKET ボルト 六角穴 M06X022 ゼンネジ FE
62 W1024A 6 WASHER, LOCK ワッシャ スプリング 6M/M FE
63 GGTF3041 1 GUIDE, RAIL ガイド レール OT
64 H5290A 34 BOLT, HEX SOCKET ボルト 六角穴 M04X015 FE
65 W1011A 34 WASHER, CONICAL ワッシャ 皿 M- 4-L FE
66 GGTF3380 1 BLOCK ブロック FE
67 H5326A 8 BOLT, HEX SOCKET ボルト 六角穴 M06X025 ゼンネジ FE
68 W1024A 8 WASHER, LOCK ワッシャ スプリング 6M/M FE
69 H5329A 8 BOLT, HEX SOCKET ボルト 六角穴 M06X035 FE
70 W1024A 8 WASHER, LOCK ワッシャ スプリング 6M/M FE
71 GGTF3390 1 BLOCK ブロック FE
72 GGTF3141 1 PLATE, SIDE プレート サイド FE
73 SAM4020 1 MOTOR モータ OT
74 H5300A 4 BOLT, HEX SOCKET ボルト 六角穴 M05X015 FE
75 W1023A 4 WASHER, LOCK ワッシャ スプリング 5M/M FE
76 GGTF3082 1 BKT BKT FE
238
PTS-XPFL-04.1JE