Part List-XPFL-041JE - 第305页
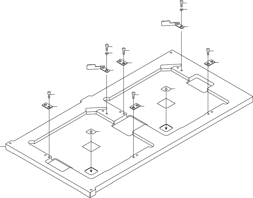
No. Drg.No. & Code No. QTY Description Rating Materials Remarks 番号 図番 & コード番号 個 数 品名 規格 材質 備考 1 GGTS3220 1 ATTACHMENT アタッチメント AL 2 GGTS1170 16 BLOCK 駒 FE 3 H52683 32 BOLT, HEX SOCKET ボルト 六角穴 M02.5X005 FE 4 GGTS3…

1
2
3
3
4
5
6
7
2
ࣥࢳࢳࢵࣉࢺࣞ⏝ࢱࢵࢳ࣓ࣥࢺ
$WWDFKPHQWIRULQFK&KLS7UD\
A10DETAIL
AGGTS8190
ATTACHMENT
ࢱࢵࢳ࣓ࣥࢺ
304
PTS-XPFL-04.1JE

No. Drg.No. & Code No. QTY Description Rating Materials Remarks
番号 図番 & コード番号 個数 品名 規格 材質 備考
1 GGTS3220 1 ATTACHMENT アタッチメント AL
2 GGTS1170 16 BLOCK 駒 FE
3 H52683 32 BOLT, HEX SOCKET ボルト 六角穴 M02.5X005 FE
4 GGTS3190 8 RETAINER, SPRING 押え スプリング FE
5 H52683 16 BOLT, HEX SOCKET ボルト 六角穴 M02.5X005 FE
6 W1020H 16 WASHER, LOCK ワッシャ スプリング 2.5M/M FE
7 GGTS3210 8 NAMEPLATE 銘板 PL
DETAIL A10
305
PTS-XPFL-04.1JE

1
2
3
3
2
4
5
6
2
3
3
2
4
5
6
7
7
A11DETAIL
AGGTS8200
ATTACHMENT
ࢱࢵࢳ࣓ࣥࢺ
ࣥࢳࢳࢵࣉࢺࣞ⏝ࢱࢵࢳ࣓ࣥࢺ
$WWDFKPHQWIRULQFK&KLS7UD\
306
PTS-XPFL-04.1JE