TT2Wiring Diagram__N7205A122B.pdf - 第175页

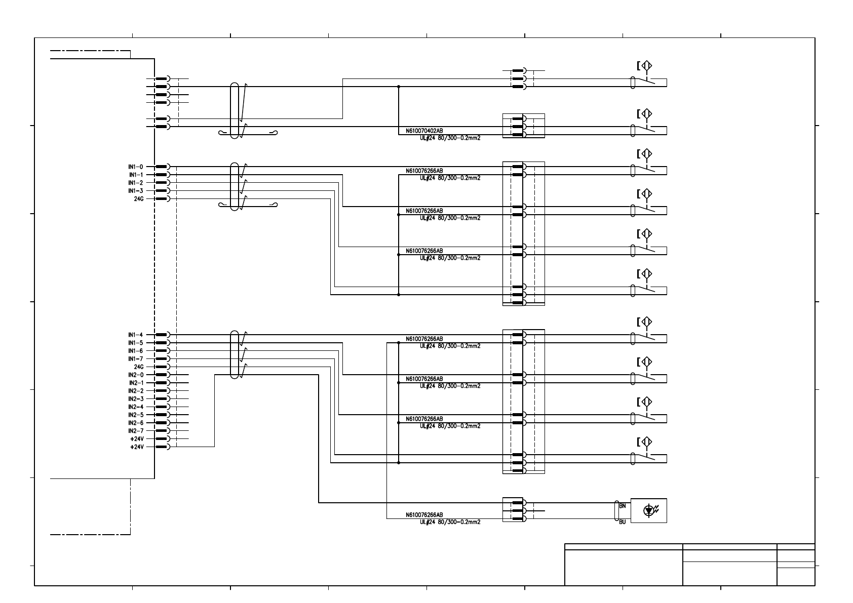
-K301 PNF0AT Tray control board -A05 Tray control unit IN2 1 2 3 4 5 6 +24V 24G IN610 IN611 IN612 IN613 43025-0600 IN2K301 MOLEX 6 5 4 3 2 1 -B1352 BN BU 9 8 7 177903-1 B1350R AMP 6 5 4 3 2 1 177911-1 B1350P AMP 1 2 3 4 …

100%1 / 264