TT2Wiring Diagram__N7205A122B.pdf - 第180页
在线预览 TT2Wiring Diagram__N7205A122B.pdf PDF 文档。

4.
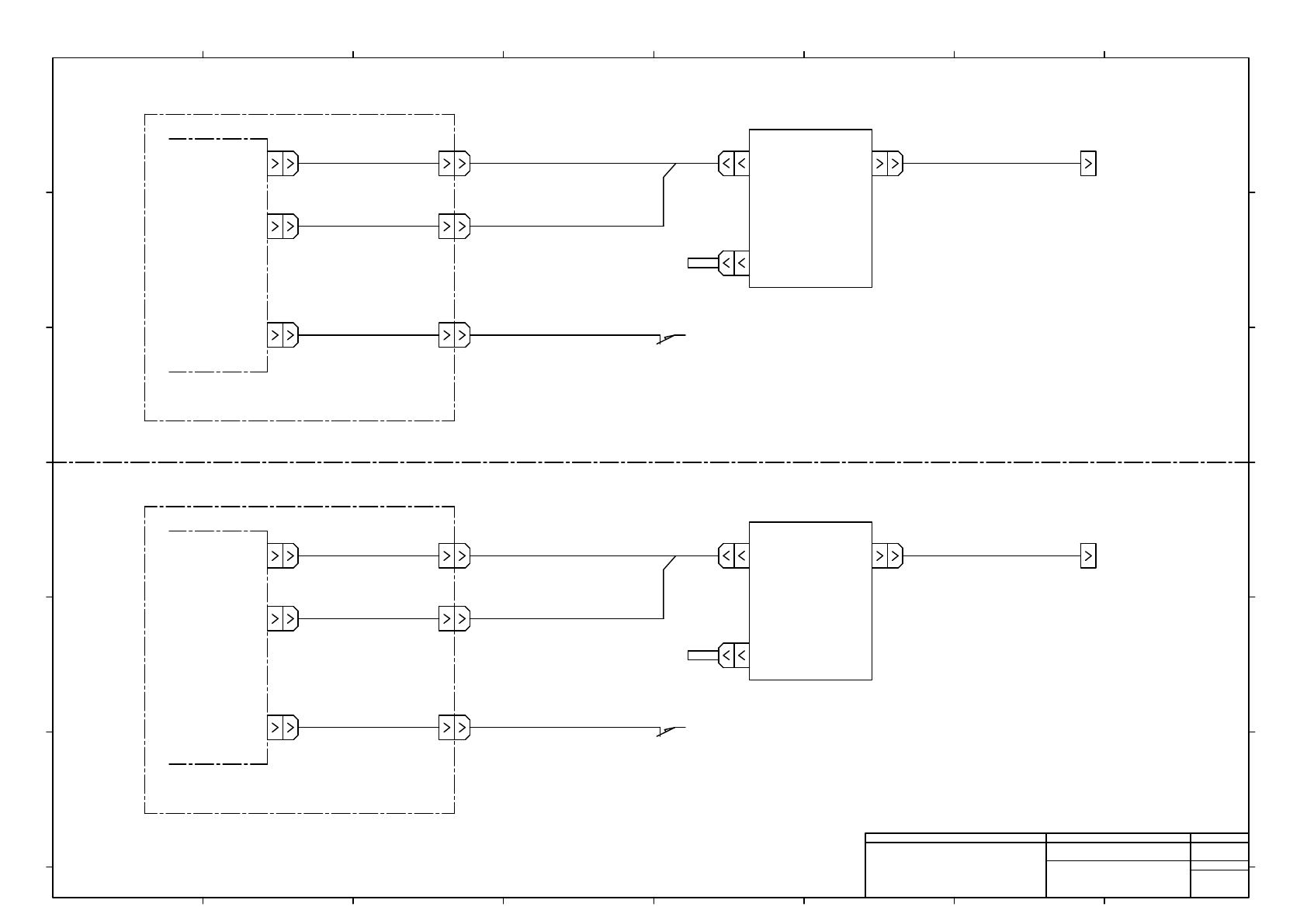
LOAD WIRING DIAGRAM OPTION
負荷配線図 オプション
4-4 13-SLOT SUPPLY PART WIRING
13 連供給部配線
EJM1EB-10-404-00

POWER UNIT
-A02
CARTF4R/CARTR4R
-K365
CARTF5R/CARTR5R
C2
C1
NF3ACE
CN20
CNFP
Front Side
Rear Side
-K365
C2
C1
NF3ACE
CN20
CNFP
1
2
N610135234**:Main Body wiring
CARTF1
CARTF2
CARTR1
CARTR2
CARTF4R/CARTR4R
CARTF5R/CARTR5R
CNFDCVFP
CNFDCVRP
FDCVFR/FDCVRR
FDCVFR/FDCVRR
-S401,-S402
-S403,-S404
2
POWER UNIT
-A02
N610135234**:Main Body wiring
Panasonic Factory Solutions Co.,Ltd. パナソニック ファクトリーソリューションズ株式会社
Name
Drawing No.
Loc. No.
F4K1020-05A
1
2 3 4 5 6 7 8
A
B
C
D
E
F
1 2 3 4 5 6 7 8
A
B
C
D
E
F
Page. No.
13-Slot Supply Part Wiring:NPM-TT
(BLOCK DIAGRAM)
N610135244+002AC
P002