TT2Wiring Diagram__N7205A122B.pdf - 第209页
CNFOF 1 5 6 2 7 3 10 8 4 9 P24 IN200 G24 P24 G24 P24 IN202 G24 P24 G24 AMP B1200P 177907-1 3 2 1 AMP B1201TP 177907-1 3 2 1 AMP B1202P 177907-1 3 2 1 AMP B1203TP 177907-1 3 2 1 AMP B1200R 177899-1 3 2 1 MOLEX CNFOFK322 5…

-A02
Power Unit
CNFDCVRP
1
2
3
4
5
6
7
8
9
10
11
12
24GND
IN106
CHECK1
CHECK2
CHECK3
CHECK4
N610135244**:13-Slot Supply Part Wiring:NPM-TT
11S401/3
N0.5-3
JST
12S401/3
21S401/3
22S401/3
31S401/3
32S401/3
11S402/4
N0.5-3
JST
12S402/4
21S402/4
22S402/4
31S402/4
32S402/4
Tray Feeder Detection 3
-S403
HS5D-03RNP
IDEC
11 12
21 22
31 32
Tray Feeder Detection 4
-S404
HS5D-03RNP
IDEC
11 12
21 22
31 32
MTKC003520AD
N610143356**
MTKA005506**:Main Body Wiring:NPM-TT2
11
N0.5-3
JST
12
21
22
31
32
11
N0.5-3
JST
12
21
22
31
32
17-Slot Feeder Safety
Cover 3
-S407
HS5D-03RNP
IDEC
11 12
21 22
31 32
-S408
HS5D-03RNP
IDEC
11 12
21 22
31 32
17-Slot Feeder Safety
Cover 4
UL2464 (SPV840) 6P×24AWG(11/0.16TA) LF BK
BU/WH
BU
BK/WH
BK
RD/WH
RD
GN/WH
GN
YE/WH
YE
BN/WH
BN
MOLEX
FDCVRP
5559-12P-210
12
11
10
9
8
7
6
5
4
3
2
1
MOLEX
FDCVFP/FDCVRP
5559-12P-210
12
11
10
9
8
7
6
5
4
3
2
1
MOLEX
FDCVFP/FDCVRP
5559-12P-210
12
11
10
9
8
7
6
5
4
3
2
1
MOLEX
CNFDCVRR
5557-12R-210
1
2
3
4
5
6
7
8
9
10
11
12
MOLEX
FDCVFR/FDCVRR
5557-12R-210
1
2
3
4
5
6
7
8
9
10
11
12
MOLEX
FDCVFR/FDCVRR
5557-12R-210
1
2
3
4
5
6
7
8
9
10
11
12
MOLEX
FDCVFR/FDCVRR
5557-12R-210
1
2
3
4
5
6
7
8
9
10
11
12
UL2464 (SPV840) 6P×24AWG(11/0.16TA) LF BK
BU/WH
BU
BK/WH
BK
RD/WH
RD
GN/WH
GN
YE/WH
YE
BN/WH
BN
UL2464 (SPV840) 3P×24AWG(11/0.16TA) LF BK
BK/WH
BK
RD/WH
RD
GN/WH
GN
UL2464 (SPV840) 3P×24AWG(11/0.16TA) LF BK
BK/WH
BK
RD/WH
RD
GN/WH
GN
UL#24 80/300-0.2mm2 BU
UL#24 80/300-0.2mm2 BU
UL#24 80/300-0.2mm2 BU
UL#24 80/300-0.2mm2 BU
UL#24 80/300-0.2mm2 BU
UL#24 80/300-0.2mm2 BU
UL2464 (SPV840) 3P×24AWG(11/0.16TA) LF BK
BK/WH
BK
RD/WH
RD
GN/WH
GN
UL2464 (SPV840) 3P×24AWG(11/0.16TA) LF BK
BK/WH
BK
RD/WH
RD
GN/WH
GN
MTKC003526AC
S405/S407
S406/S408
MTKC003351**
2464-1061/ⅡA(PF) LF 6P×24AWG
2
2464-1061/ⅡA(PF) LF 6P×24AWG
2
2464-1061/ⅡA(PF) LF 3P×24AWG
2
2464-1061/ⅡA(PF) LF 3P×24AWG
2
2464-1061/ⅡA(PF) LF 3P×24AWG
2
2464-1061/ⅡA(PF) LF 3P×24AWG
2
3
3 3
3
3
3
Panasonic Smart Factory Solutions Co.,Ltd パナソニック スマートファクトリーソリューションズ株式会社
Name
Drawing No.
Kit No. Loc. No.
1 2 3 4 5 6 7 8
A
B
C
D
E
F
1
2 3 4 5 6 7 8
A
B
C
D
E
F
F4K1020-03A
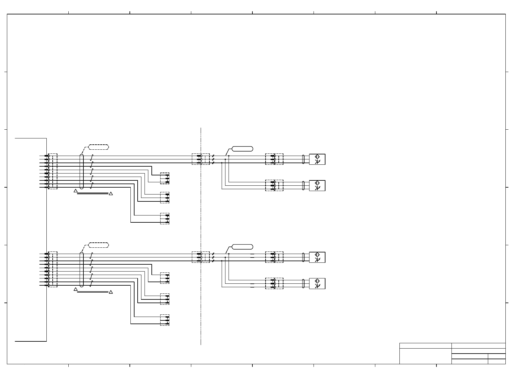
Feeder Cart Changing Unit Wiring:NPM-TT2
(Rear Feeder Cover Wiring)
MTKA005521+003AD
三野(15-004787)
三野(16-001129)
渡邊(19-003309)

CNFOF
1
5
6
2
7
3
10
8
4
9
P24
IN200
G24
P24
G24
P24
IN202
G24
P24
G24
AMP
B1200P
177907-1
3
2
1
AMP
B1201TP
177907-1
3
2
1
AMP
B1202P
177907-1
3
2
1
AMP
B1203TP
177907-1
3
2
1
AMP
B1200R
177899-1
3
2
1
MOLEX
CNFOFK322
5557-10R-210
1
5
6
2
7
3
10
8
4
9
-K322
PNF0B3
I/O Board
F 17+13 Slot Feeder
Opening 4
(Receive Side)
-B1200
BN
BK
BU
UL2464 (SPV840) 5P×24AWG(11/0.16TA) LF BK
BN/WH
BN
YE/WH
YE
GN/WH
GN
BK/WH
BK
RD/WH
RD
Note1) Connector Pin arrangement is not sequential.
Note1)
AMP
B1200R/B1204R
177899-1
3
2
1
AMP
B1200P/B1204P
177907-1
3
2
1
AMP
B1200R
177899-1
3
2
1
F 13 Slot Feeder
Opening 4
(Receive Side)
-B1200
BN
BK
BU
AMP
1B1200P/1B1204P
177907-1
3
2
1
BU UL#24 80/300-0.2mm2
UL#24 80/300-0.2mm2 BU
BU UL#24 80/300-0.2mm2
BU UL#24 80/300-0.2mm2
UL#24 80/300-0.2mm2 BU
BU UL#24 80/300-0.2mm2
CNFOR
1
5
6
2
7
3
10
8
4
9
P24
IN204
G24
P24
G24
P24
IN206
G24
P24
G24
UL2464 (SPV840) 5P×24AWG(11/0.16TA) LF BK
BN/WH
BN
YE/WH
YE
GN/WH
GN
BK/WH
BK
RD/WH
RD
MOLEX
CNFORK322
5557-10R-210
1
5
6
2
7
3
10
8
4
9
-B1204
BN
BK
BU
AMP
B1204R
177899-1
3
2
1
AMP
B1204P
177907-1
3
2
1
AMP
B1205TP
177907-1
3
2
1
AMP
B1206P
177907-1
3
2
1
AMP
B1207TP
177907-1
3
2
1
Note1)
MTKC003521AC
MTKC003327**
MTKC003350**
AMP
B1200R/B1204R
177899-1
3
2
1
AMP
B1200P/B1204P
177907-1
3
2
1
AMP
1B1200P/1B1204P
177907-1
3
2
1
BU
UL#24 80/300-0.2mm2
UL#24 80/300-0.2mm2
BU
BU
UL#24 80/300-0.2mm2
BU
UL#24 80/300-0.2mm2
UL#24 80/300-0.2mm2
BU
BU
UL#24 80/300-0.2mm2
MTKC003521AC
R 17+13 Slot Feeder
Opening 4
(Receive Side)
-B1204
BN
BK
BU
AMP
B1204R
177899-1
3
2
1
R 13 Slot Feeder
Opening 4
(Receive Side)
R Feeder Opening 3
(Projection Side)
R Feeder Opening 2
(Receive Side)
R Feeder Opening 1
(Projection Side)
F Feeder Opening 3
(Projection Side)
F Feeder Opening 2
(Receive Side)
F Feeder Opening 1
(Projection Side)
MTKA005506**:Main Body Wiring:NPM-TT2
2464-1061/ⅡA(PF) LF 5P×24AWG
2
2464-1061/ⅡA(PF) LF 5P×24AWG
2
3
3
Panasonic Smart Factory Solutions Co.,Ltd パナソニック スマートファクトリーソリューションズ株式会社
Name
Drawing No.
Kit No. Loc. No.
1 2 3 4 5 6 7 8
A
B
C
D
E
F
1
2 3 4 5 6 7 8
A
B
C
D
E
F
F4K1020-03A
Feeder Cart Changing Unit Wiring:NPM-TT2
(Feeder Opening Sensor Wiring)
MTKA005521+004AD
三野(15-004787)
渡邊(16-000209)
渡邊(19-003309)

Note1) Connector pin arrangement is not sequential.
Note1)
TXD+
TXD-
RXD+
RXD-
GND
NC
NC
SVONSW1
G24
NC
EMG+
EMG-
IN110
NC
NC
CHK1
CHK1
NC
CHK2
CHK2
51238-2011
MOLEX
TRAY.SF
C2
C1
D1
D2
C3
A1
A2
A3
A4
A5
B2
B3
B1
B4
B5
C4
C5
D3
D4
D5
Main Body Wiring:NPM-TT2
MTKA005506**:
-K321
PNF0B4
ILK Board #1
CN3D
24GND
24VOUT
24VOUT
IN034
24VOUT
24GND
24GND
IN035
24GND
24GND
24GND
IN036
IN037
24VOUT
1
2
3
4
5
6
7
8
9
10
11
12
13
14
JST
CN3DK321
PUDP-14V-S
1
2
3
4
5
6
7
8
9
10
11
12
13
14
MOLEX
TRAY.SF/TRAY.SR
55836-2070
C1
C2
D1
D2
C3
A1
A2
A3
A4
A5
B2
B3
B1
B4
B5
C4
C5
D3
D4
D5
MOLEX
TRAY.SF/TRAY.SR
51238-2011
D5
D4
D3
C5
C4
B5
B4
B1
B3
B2
A5
A4
A3
A2
A1
C3
D2
D1
C2
C1
32
31
12
11
N0.5-3.7
JST
32 31
22 21
12 11
-S409
F Tray Feeder Detection 2
(F Hinge Type)
D4NH-1DBC
OMRON
S409/S410
22
21
S
S
MOLEX
1S409P
5559-02P-210
2
1
MOLEX
1S410P
5559-02P-210
2
1
MOLEX
2S409P/2S410P
5559-04P-210
4
3
2
1
UL2464 (SPV840) 1P×24AWG(11/0.16TA) LF BK
BK
BK/WH
UL2464 (SPV840) 1P×24AWG(11/0.16TA) LF BK
BK
BK/WH
MOLEX
1S409R/1S410R
5557-02R-210
2
1
MOLEX
2S409R/2S410R
5557-04R-210
4
3
2
1
UL2464 (SPV840) 2P×24AWG(11/0.16TA) LF BK
RD
RD/WH
BK
BK/WH
UL2464 (SPV840) 1P×24AWG(11/0.16TA) LF BK
BK
BK/WH
MTKC003525AC
MTKC003523AC
Single Tray Unit
(Front)
Note1)
MTKC003522AD
UL2464 (SPV840) 1P×24AWG(11/0.16TA) LF BK
BK
BK/WH
BK/WH
BK
RD/WH
RD
GN/WH
GN
YE/WH
YE
BN/WH
BN
UL2464 (SPV840) 5P×24AWG(11/0.16TA) LF BK
UL2464 (SPV840) 1P×24AWG(11/0.16TA) LF BK
BK
BK/WH
MTKA005506**:Main Body Wiring:NPM-TT2
MTKC003524**
2464-1061/ⅡA(PF) LF 1P×24AWG
2
2464-1061/ⅡA(PF) LF 1P×24AWG
2
2464-1061/ⅡA(PF) LF 1P×24AWG
2
2464-1061/ⅡA(PF) LF 1P×24AWG
2
2464-1061/ⅡA(PF) LF 2P×24AWG
2
2464-1061/ⅡA(PF) LF 5P×24AWG
2
2464-1061/ⅡA(PF) LF 1P×24AWG
2
3
3
3
3
3
3
3
Panasonic Smart Factory Solutions Co.,Ltd パナソニック スマートファクトリーソリューションズ株式会社
Name
Drawing No.
Kit No. Loc. No.
1 2 3 4 5 6 7 8
A
B
C
D
E
F
1
2 3 4 5 6 7 8
A
B
C
D
E
F
F4K1020-03A
Feeder Cart Changing Unit Wiring:NPM-TT2
(F Tray Feeder Detection 2)
MTKA005521+005AD
三野(15-004787)
渡邊(16-000209)
渡邊(19-003309)