TT2Wiring Diagram__N7205A122B.pdf - 第67页
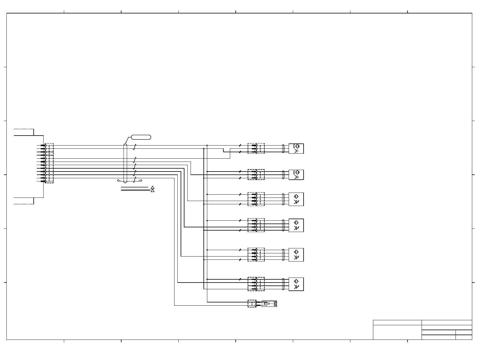
UL1007 24AWG BU CHNG2 -A02 Power Unit ILK Board #1 -K321 PNF0B4 -B13 BN BK WH BU -B14 BN BK WH BU -B15 BN BK WH BU -R11 -B12 BN BK BU -B11 BN BK BU -B16 BN BK WH BU UL1007 24AWG BU BU UL1007 24AWG BU BU UL1007 24AWG BU B…

CHNG1
1
12
10
11
6
7
2
3
4
5
8
9
CP+24V
24GND
D+Main
D-Main
F-NG-OP-IN
F-NG-CL-IN
FPLATE#0
FPLATE#1
FPLATE#2
IN030
F-NG-OP-OUT
F-NG-CL-OUT
-A02
Power Unit
ILK Board #1
-K321
PNF0B4
-B03
BN
BK
WH
BU
-B04
BN
BK
WH
BU
-B05
BN
BK
WH
BU
-R01
Plate Identification
Bit0
Plate Identification
Bit1
Plate Identification
Bit2
Nozzle Changer
Shutter Open
Nozzle Changer
Shutter Close
Nozzle Changer
Shutter Open
-B02
BN
BK
BU
-B01
BN
BK
BU
-B06
BN
BK
WH
BU
Plate Identification
Bit3
MTKC003307AC
BN/WH
BN
YE/WH
YE
GN/WH
GN
RD/WH
RD
UL2464 (SPV840) 5P×24AWG(11/0.16TA) LF BK
BK/WH
BK
UL1007 24AWG BU BU
UL1007 24AWG BU BU
UL1007 24AWG BU BU
UL1007 24AWG BU BU
UL1007 24AWG BU BU
UL1007 24AWG BU BU
UL1007 24AWG BU BU
UL1007 24AWG BU BU
UL1007 24AWG BU BU
UL1007 24AWG BU BU
UL1007 24AWG BU BU
JST
CHNG1
PAP-12V-S
1
12
10
11
6
7
2
3
4
5
8
9
SMC
R01
SY100-29-1
-
+
AMP
B01P
177907-1
3
2
1
AMP
B01R
177899-1
3
2
1
AMP
B02P
177907-1
3
2
1
AMP
B02R
177899-1
3
2
1
AMP
B03P
177908-1
4
3
2
1
AMP
B03R
177900-1
4
3
2
1
AMP
B04P
177908-1
4
3
2
1
AMP
B04R
177900-1
4
3
2
1
AMP
B05P
177908-1
4
3
2
1
AMP
B05R
177900-1
4
3
2
1
AMP
B06P
177908-1
4
3
2
1
AMP
B06R
177900-1
4
3
2
1
Note1)
Note1) Connector Pin arrangement is not sequential.
2464C(BPF)VVP AWG#24×5P-B
2
2464-1061/ⅡA(PF) LF 5P×24AWG
1
Panasonic Smart Factory Solutions Co.,Ltd パナソニック スマートファクトリーソリューションズ株式会社
Name
Drawing No.
Kit No. Loc. No.
1 2 3 4 5 6 7 8
A
B
C
D
E
F
1
2 3 4 5 6 7 8
A
B
C
D
E
F
F4K1020-03A
NPM-TT2:Main Body Wiring
(Front Nozzle Changer)
MTKA005506+019AC
渡邊(16-000209)
渡邊(19-003309)

UL1007 24AWG BU
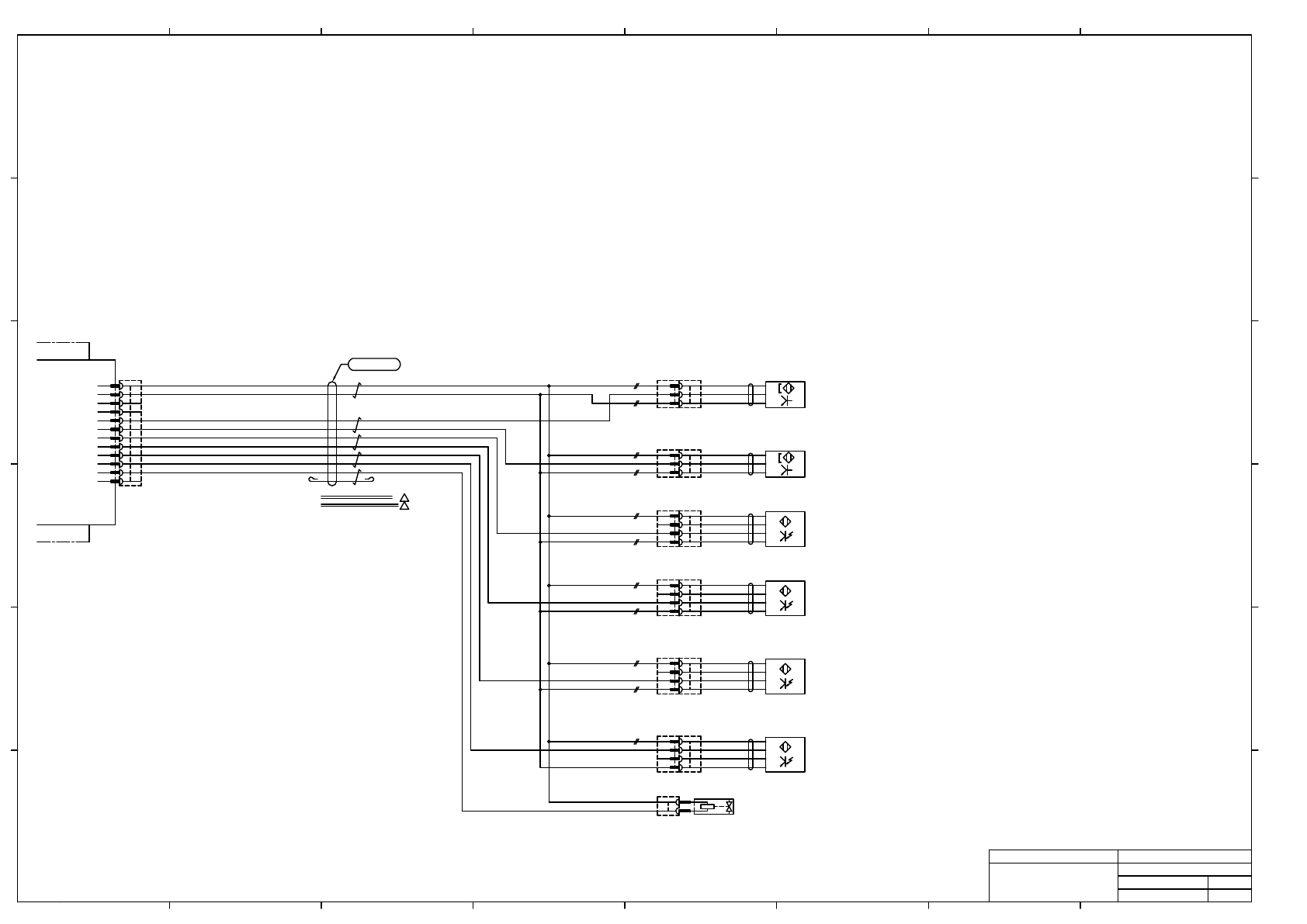
CHNG2
-A02
Power Unit
ILK Board #1
-K321
PNF0B4
-B13
BN
BK
WH
BU
-B14
BN
BK
WH
BU
-B15
BN
BK
WH
BU
-R11
-B12
BN
BK
BU
-B11
BN
BK
BU
-B16
BN
BK
WH
BU
UL1007 24AWG BU BU
UL1007 24AWG BU BU
UL1007 24AWG BU BU
UL1007 24AWG BU BU
UL1007 24AWG BU BU
UL1007 24AWG BU BU
UL1007 24AWG BU BU
UL1007 24AWG BU BU
UL1007 24AWG BU BU
UL1007 24AWG BU BU
BU
MTKC003314AC
JST
CHNG2
PAP-12V-S
1
12
10
11
6
7
2
3
4
5
8
9
AMP
B12P
177907-1
3
2
1
AMP
B12R
177899-1
3
2
1
AMP
B16R
177900-1
4
3
2
1
AMP
B16P
177908-1
4
3
2
1
SMC
R11
SY100-29-1
-
+
BN/WH
BN
YE/WH
YE
GN/WH
GN
BK/WH
BK
RD/WH
RD
UL2464 (SPV840) 5P×24AWG(11/0.16TA) LF BK
AMP
B11P
177907-1
3
2
1
AMP
B11R
177899-1
3
2
1
AMP
B13R
177900-1
4
3
2
1
AMP
B13P
177908-1
4
3
2
1
AMP
B14R
177900-1
4
3
2
1
AMP
B14P
177908-1
4
3
2
1
AMP
B15R
177900-1
4
3
2
1
AMP
B15P
177908-1
4
3
2
1
Note1)
1
12
10
11
6
7
2
3
4
5
8
9
CP+24V
24GND
D+Sub
D-Sub
R-NG-OP-IN
R-NG-CL-IN
RPLATE#0
RPLATE#1
RPLATE#2
IN031
R-NG-OP-OUT
R-NG-CL-OUT
Plate Identification
Bit0
Plate Identification
Bit1
Plate Identification
Bit2
Nozzle Changer
Shutter Open
Nozzle Changer
Shutter Close
Nozzle Changer
Shutter Open
Plate Identification
Bit3
Note1) Connector Pin arrangement is not sequential.
2464C(BPF)VVP AWG#24×5P-B
2
2464-1061/ⅡA(PF) LF 5P×24AWG
1
Panasonic Smart Factory Solutions Co.,Ltd パナソニック スマートファクトリーソリューションズ株式会社
Name
Drawing No.
Kit No. Loc. No.
1 2 3 4 5 6 7 8
A
B
C
D
E
F
1
2 3 4 5 6 7 8
A
B
C
D
E
F
F4K1020-03A
NPM-TT2:Main Body Wiring
(Rear Nozzle Changer)
MTKA005506+020AC
渡邊(16-000209)
渡邊(19-003309)

FX-Axis
LA
LAR
LB
LBR
LZ
LZR
LG
Motor Driver
CN3
6
16
7
17
8
18
11
-K501
MR-J4-70B-MQ058
Mitsubishi Electric
CN3
-A41
ENC_A1_P
ENC_A1_N
1
8
3
10
2
9
ENC_B1_P
ENC_B1_N
GND
NC
GND
ENC_A2_P
4
11
5
12
7
14
ENC_A2_N
ENC_B2_P
ENC_B2_N
GND
NC
6
13
NC
(Front)
Note1)
UL2464-SB(SPV856) 3P×24AWG(11/0.16TA) LF BK
GN/WH
GN
BK/WH
BK
RD/WH
RD
Multi Recognition
Camera
MTKC003321AD
Note1) Connector Pin arrangement is not sequential.
Sumitomo 3M
CN3A41
10114-3000PE
1
8
3
10
2
9
4
11
5
12
7
14
6
13
Sumitomo 3M
CN3K501
10120-3000PE
6
16
7
17
8
18
11
Note1)
-R117
TDK
ZCAT3035-1330
-R120
TDK
ZCAT3035-1330
2464C(BPF)VSVP AWG#24×3P-B
3
2464-1061/ⅡA-SBX(PF) LF 3P×24AWG
2
Panasonic Smart Factory Solutions Co.,Ltd パナソニック スマートファクトリーソリューションズ株式会社
Name
Drawing No.
Kit No. Loc. No.
1 2 3 4 5 6 7 8
A
B
C
D
E
F
1
2 3 4 5 6 7 8
A
B
C
D
E
F
F4K1020-03A
NPM-TT2:Main Body Wiring
(Encoder Connection FX Axis)
MTKA005506+021AD
三野(15-004787)
渡邊(16-000209)
渡邊(19-003309)