TT2Wiring Diagram__N7205A122B.pdf - 第79页
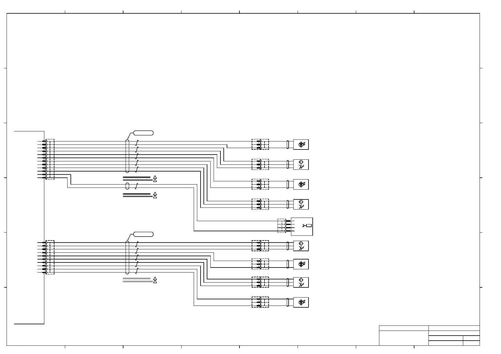
-K322 PNF0B3 I/O Board R Dust Box Detection CNTCR 1 2 OT212 CNDUSTR 1 2 3 P24 IN222 G24 -R4212 R Tape Cutter GY OG WH MTKC003349AB + - SMC R4212 SY100-29-1 -R4213 R2 Tape Cutter + - SMC R4213 SY100-29-1 OT213 P030-2A UL2…

Note1) Connector pin arrangement is not sequential.
I/O Board
-R4210
R Cart Lock
CNCLR
1
2
3
7
8
6
5
4
9
10
11
12
P24
IN216
GND
IN217
G24
P24
NC
OT210
OT211
IN214
IN215
MTKC003346AD
+
-
SMC
R4210
SY100-29-1
BK/WH
BK
RD/WH
RD
UL2464 (SPV840) 2P×24AWG(11/0.16TA) LF BK
-R4211
R Cart Lock Release
+
-
SMC
R4211
SY100-29-1
s
s
R Cart Setting Check
-S3217
D4N-1122
31 32
13 14
OMRON
-B1216T
BN
BK
BU
R Cart Lock
Release Confirmation 2
UL2464VV1007 3C×AWG24 BK
WH
OG
GY
N610135574AF
31
N0.5-3.7
JST
32
13
14
S3211/S3217
BK/WH
BK
RD/WH
RD
UL2464 (SPV855) 2P×20AWG(26/0.16TA) LF BK
N610135573AB
(2) In case of 13-Slot Feeder Unit + 17-Slot Feeder Cart ,
→ Connect it as follows.
(1) In case of 13-Slot Feeder Unit + Single Tray Unit ,
→ Short Connector
P032-1A P24
MTKA005524**:Single Tray Feeder Support Wiring:NPM-TT2
MTKA005523**:Feeder Cart Support Wiring:NPM-TT2
-K322
PNF0B3
BU UL1007 24AWG BU
UL1007 24AWG BU BU
Note1)
AMP
CNCLRK322
177905-1
1
2
3
7
8
6
5
4
9
10
11
12
Note1)
MOLEX
1B1210TP/1B1216TP
55836-1271
A1
A2
A3
A4
B1
B3
B4
C1
C2
C3
C4
MOLEX
1B1216TR
51238-1212
C4
C3
C2
C1
B4
B3
B1
A4
A3
A2
A1
s
s
MOLEX
1B1210TP/1B1216TP
55836-1271
A1
A2
A3
A4
B1
B3
B4
C1
C2
C3
C4
AMP
B1210TP/B1216TP
177907-1
3
2
1
AMP
B1210TR/B1216TR
177899-1
3
2
1
BN/WH
BN
YE/WH
YE
GN/WH
GN
BK/WH
BK
RD/WH
RD
UL2464 (SPV840) 5P×24AWG(11/0.16TA) LF BK
2464C(BPF)VVP AWG#24×5P-B
3
2
U-TKVV 2P-AWG20
3
2464-1061/ⅡA(PF) LF 2P×20AWG
2
2464C(BPF)VVP AWG#24×2P-B
3
2464-1061/ⅡA(PF) LF 2P×24AWG
2
2464-1061/ⅡA(PF) LF 5P×24AWG
2
3
Panasonic Smart Factory Solutions Co.,Ltd パナソニック スマートファクトリーソリューションズ株式会社
Name
Drawing No.
Kit No. Loc. No.
1 2 3 4 5 6 7 8
A
B
C
D
E
F
1
2 3 4 5 6 7 8
A
B
C
D
E
F
F4K1020-03A
NPM-TT2:Main Body Wiring
(Cart Sensor Rear 1)
MTKA005506+031AD
三野(15-004787)
渡邊(16-000209)
渡邊(19-003309)

-K322
PNF0B3
I/O Board
R Dust Box Detection
CNTCR
1
2
OT212
CNDUSTR
1
2
3
P24
IN222
G24
-R4212
R Tape Cutter
GY
OG
WH
MTKC003349AB
+
-
SMC
R4212
SY100-29-1
-R4213
R2 Tape Cutter
+
-
SMC
R4213
SY100-29-1
OT213 P030-2A
UL2464VV1007 3CXAWG24 BK
BK/WH
BK
RD/WH
RD
UL2464 (SPV840) 2P×24AWG(11/0.16TA) LF BK
P31-1F P24
MTKC003300**
AMP
CNTCRR
177898-1
2
1
AMP
CNDUSTRR
177899-1
3
2
1
JST
B1222
PAP-04V-S
4
3
2
1
1
2
3
4
P24
OUT1
OUT2
GND
-B1222
2464C(BPF)VVP AWG#24×2P-B
3
2464-1061/ⅡA(PF) LF 2P×24AWG
2
Panasonic Smart Factory Solutions Co.,Ltd パナソニック スマートファクトリーソリューションズ株式会社
Name
Drawing No.
Kit No. Loc. No.
1 2 3 4 5 6 7 8
A
B
C
D
E
F
1
2 3 4 5 6 7 8
A
B
C
D
E
F
F4K1020-03A
NPM-TT2:Main Body Wiring
(Cart Sensor Rear 2)
MTKA005506+032AD
三野(15-004787)
渡邊(16-000209)
渡邊(19-003309)

CN16
1
7
2
6
8
3
9
4
12
10
5
11
P24
G24
P24
IN201
G24
P24
G24
P24
IN203
G24
P24
G24
Vacuum Break
Pressure Meter
CNFOF
1
5
6
2
7
3
10
8
4
9
P24
IN200
G24
P24
G24
P24
IN202
G24
P24
G24
AMP
B1200TP
177907-1
3
2
1
AMP
B1201P
177907-1
3
2
1
AMP
B1202TP
177907-1
3
2
1
AMP
B1203P
177907-1
3
2
1
AMP
B1200P
177907-1
3
2
1
AMP
B1201TP
177907-1
3
2
1
AMP
B1202P
177907-1
3
2
1
AMP
B1203TP
177907-1
3
2
1
AMP
B1200TR
177899-1
3
2
1
AMP
B1201R
177899-1
3
2
1
AMP
B1202TR
177899-1
3
2
1
AMP
B1203R
177899-1
3
2
1
AMP
B1200R
177899-1
3
2
1
AMP
B1201TR
177899-1
3
2
1
AMP
B1202R
177899-1
3
2
1
AMP
B1203TR
177899-1
3
2
1
MOLEX
CN16K322
5557-12R-210
1
7
2
6
8
3
9
4
12
10
5
11
MOLEX
CNFOFK322
5557-10R-210
1
5
6
2
7
3
10
8
4
9
-K322
PNF0B3
I/O Board
F Feeder Opening 4
(Projection Side)
F Feeder Opening 3
(Receive Side)
F Feeder Opening 2
(Projection Side)
F Feeder Opening 1
(Receive Side)
F Feeder Opening 4
(Receive Side)
F Feeder Opening 3
(Projection Side)
F Feeder Opening 2
(Receive Side)
F Feeder Opening 1
(Projection Side)
-B1202
BN
BK
BU
-B1200T
BN
BU
-B1201T
BN
BU
-B1200
BN
BK
BU
-B1201
BN
BK
BU
-B1202T
BN
BU
-B1203
BN
BK
BU
-B1203T
BN
BU
UL2464 (SPV840) 5P×24AWG(11/0.16TA) LF BK
BN/WH
BN
YE/WH
YE
GN/WH
GN
BK/WH
BK
RD/WH
RD
UL2464 (SPV840) 5P×24AWG(11/0.16TA) LF BK
BN/WH
BN
YE/WH
YE
GN/WH
GN
BK/WH
BK
RD/WH
RD
BK/WH
BK
UL2464 (SPV840) 1P×24AWG(11/0.16TA) LF BK
MTKC003327AC
MTKC003333AC
Note1)
Note1) Connector Pin arrangement is not sequential.
Note1)
p p
1
2
3
4
1
2
3
4
p
1
2
3
4
24V
OUT
N.C
GND
p
1
2
3
4
-B103X
DP-001Z
SUNX
JST
B103X
PAP-04V-S
4
3
2
1
2464C(BPF)VVP AWG#24×1P-B
2
2464C(BPF)VVP AWG#24×5P-B
2
2464-1061/ⅡA(PF) LF 5P×24AWG
1
2464C(BPF)VVP AWG#24×5P-B
2
2464-1061/ⅡA(PF) LF 5P×24AWG
1
2464-1061/ⅡA(PF) LF 1P×24AWG
1
Panasonic Smart Factory Solutions Co.,Ltd パナソニック スマートファクトリーソリューションズ株式会社
Name
Drawing No.
Kit No. Loc. No.
1 2 3 4 5 6 7 8
A
B
C
D
E
F
1
2 3 4 5 6 7 8
A
B
C
D
E
F
F4K1020-03A
NPM-TT2:Main Body Wiring
(Front Sensor Wiring)
MTKA005506+033AC
渡邊(16-000209)
渡邊(19-003309)