FX-3RA-Rev07 - 第185页
- 178 - NOTE( 注記 ) #01....TYPE XL XL 仕様 #02....FOR EN EN 用 #03....TYPE XL(EN) XL 仕様(EN) REF.NO NOTE PART NO D E S C R I P T I O N 品 名 Qty 1 400-47 559 BASE-CARRY PCB ASM BASE−CARRY基板組 1 2 401-23 602 POWER_SUPPLY_ASSY_ RA…

- 177 -
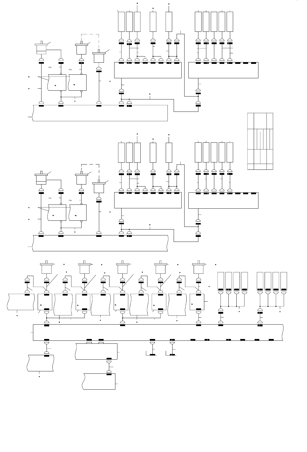
89.SYSTEM DIAGRAM (BASE-CARRY)
SYSTEM DIAGRAM(BASE − CARRY)
EN1
SBR2SBR1/2
7-3A
POWER UNIT(R)
CN027
8-2B
PWRR027 BCPWR
7-1A
ETHER-MAIN
PCB
EN3
ES-BC CN1
SMEMA(L)
SMEMA(R)
SMEMA_U
SMEMA_L
COVER
COVER
OUT
IN
EN1
3-1B
ETHER-SLAVE
PCB(BC)
J1
J2
CN6
MTR1-2
PWR
CN17
BASE-CARRY
PCB
P1
P2
CN9
MTR3-5
CN31
SMEMA-L
CN30
SMEMA-U
CN13
AN1
CN14
AN2
CN20
SPO1
CN16
SPO2
CN24
CN10
MTR6-8
CN32
CN28
SPO1
CN29
SPO2
8-2A
BC-32
EV-R
EV
BC-24
EV-L EV
MT6-8 OTM-1
MT3-5
JM-1
CML-1
MT1-2
INM-1
6-3A
POWER UNIT(L)
CN033
8-2A
PWRL033
5
DRIVER
CN2
CN1
(IN)
INM-2
8-2A
CN035
9-1A
POWER UNIT(L)
PWRL035
5
DRIVER
CN2
CN1
(CENTER L)
CML-2
8-1A
POWER UNIT(R)
CN034
8-2B
PWRR034
JM-2
5
DRIVER
CN1
CN2
(JOINT)
PWRR035
8-2B
POWER UNIT(R)
CN035
8-2C
CMR-1
5
DRIVER
CN1
CN2
(CENTER R)
8-2B
POWER UNIT(R)
CN033
9-2A
CMR-2
PWRR033
5
DRIVER
CN1
CN2
(OUT)
OTM-2
STOP
SHAPE_X
SHAPE_Y
BU_LOCK
STOP
SHAPE_X
SHAPE_Y
BU_LOCK
BU(R) LO C K
SOLV.
SHAPE Y( R )
SOLV.
SHAPE X(R)
SOLV.
STOPPER(R)
SOLV.
STOPPER(L)
SOLV.
SHAPE X (L)
SOLV.
SHAPE Y( L )
SOLV.
BU(L) L OCK
SOLV.
OTM
CN665
CN656
OTM-P
CN665
CN656
CMR
OUT MOTOR
CENTER MOTOR(R)
CMR-P
JOINT MOTOR
CN665
CN 65 6
JM
JM-P
CML CN 665
CN656
CENTER MOTOR(L)
CML-P
INM
CN665
CN656
IN MOTOR
INM-P
8-1D
CN23
ENC3
CN15
MTR9-10
BASE-CARRY
PCB
ENC3
MT9-10
ENC1
CN19
ENC1
SPWR-L
CN25
SPWR-L
CN27
SENS-L
SBL1
SENS-L
8-4A
SBL1/2
SBL2
(EN ONLY)
(EN ONLY)
1-3B
5
DRIVER
(AWC L)
1-3C
5
DRIVER
(BU L)
BULE
CN668
CN658
BULM
AWCLM
AWCLE CN659
CN660
AUTOWIDTH ADJUSTMENT MOTOR(L)
BACK UP MOTOR(L)
CN657
CN667
BU UP ENCODER(L)
SBL1
S1
S2
S3
S4
S5
S6
S7
S8
SBL1-78
SBL1 -5 6
SBL1-34
SBL1 -2
SBL1 -1 I N
BPIN
WAIT-L
STOP-L
COUT-L
PWR2
CSL-5
CSL-4
CSL-3
OUT-L
CN437
IN
SENSOR
SUPPORT PIN
EMITTER SENSOR
WAIT(L)
SENSOR
STOP(L)
SENSOR
COUT(L)
SENSOR
SBL2
S1
S2
S3
S4
S5
S6
S7
S8
SBL2-1
SBL2-2
SBL2-3
SBL2-4
SBL2-5
BU-L
BULK-L
TPIN-L
AWC-L
CN445
CN442
CN446
CN409L
BU(L) ORG
SENSOR
BU(L) LOCK
SENSOR
TPIN(L)
SENSOR
AWC(L) ORG
SENSOR
Note1
(EN ONLY)
(XL ONLY)
8-2C
CN22
ENC4
CN12
MTR11-12
BASE-CARRY
PCB
CN18
ENC2
CN21
SPWR-R
CN26
SENS-R
SPWR-R
SENS-R
SBR1
ENC2
MT11-12
ENC4
1-5B
1-5B
5
DRIVER
5
DRIVER
(AWC R)
(BU R)
AUTOWIDTH ADJUSTMENT MOTOR(R)
CN659AWCRE
AWCRM
CN660
BACK UP MOTOR( R)
BURM
CN657
CN667
BURE CN668
CN658
BU UP ENCODER(R)
(XL ONLY)
OUT
SENSOR
SUPPORT PIN
EMITTER SENSOR
WAIT(R)
SENSOR
STOP(R)
SENSOR
COUT(R)
SENSOR
CN438
OUT-R
CSR-3
CSR-4
CSR-5
PWR2
OUT
BPIN
WAIT-R
STOP-R
COUT-R
SBR1 -7 8
SBR1-56
SBR1-34
SBR1-2
SBR1-1
SBR1
S1
S2
S3
S4
S5
S6
S7
S8
SBR2
S1
S2
S3
S4
S5
S6
S7
S8
SBR2-5
SBR2-4
SBR2-2
SBR2-1
BU(R) ORG
SENSOR
BU(R) LOCK
SENSOR
TPIN (R )
SENS OR
AWC( R) O R G
SENS OR
(EN ONLY)
Note1
CN445
CN446
CN409L
BU-R
BULK-R
TPIN-R
AWC-R
CN442
1
2
3
4
5
11 12
6
7
8
6
715
8
2
3
8
8
2
3
2
3
16
17 18
19
38
39
38
39
36
37
21
22
29
33
34
21
22
29
30
31
23
21
22
21
22
29
27
28
20
24
25
20
1
40
41
9
10
45
46
42
43
44
47
48
88
50
53
54
57
49
58
59
74
75
76
77
78
90
89
91
92
96959493
85
86
83
84
81
82
8079
87
100
101
102
103
104
106
96959493
26
32
113
114
111
112
80
110
35
59
70
73
97
60
61
98
99
64
65
9
10
66
69
62
63
58
49
105
108
109
107
1
14
13
SPEC
CARRY
DIRECTION
RELAY CABLE SENSOR
L
XL
LR
RL
Don't C are
SBL2-3:40065185
SBR2-3:40065185
SEL2-3:40065186
SER2-3:40065186
SBL2-3:40089930
SBR2-3:40089932
40065184
L829E5210A0
NOTE1
NOTE2
PARTS N UMBER FOR EN :( )
PARTS N UMBER FOR XL :[ ]
PARTS N UMBER FOR XL -EN:([ ])
8

- 178 -
NOTE( 注記 ) #01....TYPE XL XL 仕様
#02....FOR EN EN 用
#03....TYPE XL(EN) XL 仕様(EN)
REF.NO NOTE PART NO D E S C R I P T I O N
品 名
Qty
1 400-47559 BASE-CARRY PCB ASM
BASE−CARRY基板組
1
2 401-23602 POWER_SUPPLY_ASSY_RA-R(ST)
電源供給組RA(右)ST
1
3
#02
401-23603 POWER SUPPLY ASSY R(EN)
電源供給組(右)EN
1
4 401-49647 ETHER-MAIN PCB ASM
イーサメイン基板組
1
5 400-47557 ETHER-SLAVE PCB ASM
ETHER−SLAVE基板組
1
6 401-23596 POWER_SUPPLY_ASSY_RA-L(ST)
電源供給組RA(左)ST
1
7
#02
401-23599 POWER SUPPLY ASSY L(EN)
電源供給組(左)EN
1
8 HM-0013200-00 MOTOR DRIVER
モータドライバ
1
9 HX-0042000-00 5 PHASE STEP DRIVER
5相ステッピングモータドライバ
1
10
#02
HX-0068900-00 5 PHASE STEP DRIVER
5相ステッピングモータドライバ
1
11 400-47845 SMEMA IN CABLE ASM
スメマINケーブル組
1
12 400-47846 SMEMA OUT CABLE ASM
スメマOUTケーブル組
1
13 400-91463 ETHER CABLE MAIN-BC ASM
イーサケーブル MAIN−BASECARRY組
1
14 400-89924 BASE-CARRY PWR CABLE ASM
BASE−CARRY電源ケーブル組
1
15 400-89944 MT1-2 PULSE CABLE ASM
モータ1−2パルスケーブル組
1
16 400-47825 MT3-5 PULSE CABLE ASM
モータ3−5パルスケーブル組
1
17 400-47826 MT6-8 PULSE CABLE ASM
モータ6−8パルスケーブル組
1
18 400-47847 SV-L CABLE ASM
ソレノイドバルブLケーブル組
1
19 400-47848 SV-R CABLE ASM
ソレノイドバルブRケーブル組
1
20 401-20276 CARRY MTR L PWR CABLE ASM
搬送モータL電源ケーブル組
1
21 400-48074 CENTER MOTOR ASM
センタモータ組
1
22
#01
400-48075 JOINT MOTOR ASM
ジョイントモータ組
1
23 400-48075 JOINT MOTOR ASM
ジョイントモータ組
1
24 400-47807 IN-MOTOR CABLE ASM
INモータリレーケーブル組
1
25
#01
400-89913 IN-MOTOR CABLE ASM
INモータリレーケーブル組
1
26 402-19324 COUT-R SENSOR ASM
COUT−Rセンサ組
1
27 400-47805 CENT-MOTOR(L) CABLE ASM
CENTモータ(L)リレーケーブル組
1
28
#01
400-89911 CENT-MOTOR(L) CABLE ASM
CENTモータ(L)リレーケーブル組
1
29 401-20277 CARRY MTR R PWR CABLE ASM
搬送モータR電源ケーブル組
1
30 400-47808 JOINT-MOTOR CABLE ASM
ジョイントモータリレーケーブル組
1
31
#01
400-89914 JOINT-MOTOR CABLE ASM
ジョイントモータリレーケーブル組
1
32
#01
401-87867 COUT-R SENSOR ASM
COUT−Rセンサ組
1
33 400-47806 CENT-MOTOR(R) CABLE ASM
CENTモータ(R)リレーケーブル組
1
34
#01
400-89912 CENT-MOTOR(R) CABLE ASM
CENTモータ(R)リレーケーブル組
1
35 400-47907 SBR2 RELAY CABLE ASM
センサブロックR2中継束線組
1
36 400-47809 OUT-MOTOR CABLE ASM
OUTモータリレーケーブル組
1
37
#01
400-89915 OUT-MOTOR CABLE ASM
OUTモータリレーケーブル組
1
38 400-47849 SV WIRE ASM
ソレノイドバルブワイヤー組
1
39
#02
400-48260 SV WIRE ASM(EN)
SV ワイヤー組 (EN)
1
40 400-47843 AWC-L ENC CABLE ASM
AWC−Lエンコーダケーブル組
1
41
#01
400-89844 AWC-L ENC CABLE ASM XL
AWC−L エンコーダケーブル組 XL
1
42 400-47841 BU-L ENC CABLE ASM
BU−Lエンコーダケーブル組
1
43
#01
400-89920 BU-L ENC CABLE ASM
BU−Lエンコーダケーブル組
1
44 400-47904 SBL1 CABLE ASM
センサブロックL1束線組
1
45 400-89945 MT9-10 PULSE CABLE ASM
モータ9−10パルスケーブル組
1
46
#02
400-89950 MT9-10 PULSE CABLE ASM(EN)
モータ9−10パルスケーブル組(EN)
1
47 400-47902 SBL CABLE ASM
センサブロックL束線組
1
48
#01
400-89925 SBL CABLE ASM
センサブロックL束線組
1
49 400-48077 AWC MOTOR ASM
幅調モータ組
2
50 400-47833 AWC-L MOTOR CABLE ASM
幅調モータL中継ケーブル組
1
51
#02
400-47837 AWC-L MOTOR CABLE ASM(EN)
AWCモータL中継ケーブル組(EN)
1
52
#01
400-89842 AWC-L MOTOR CABLE ASM XL
AWC−L モータケーブル組 XL
1
53
#03
400-89953 AWC-L MOTOR CABLE ASM(EN) XL
AWCモータL中継ケーブル組(EN)XL
1
54 400-47831 BU-L MOTOR CABLE ASM
バックアップモータL中継ケーブル組
1
55
#02
400-47835 BU-L MOTOR CABLE ASM(EN)
BUモータL中継ケーブル組(EN)
1
56
#01
400-89916 BU-L MOTOR CABLE ASM
バックアップモータL中継ケーブル組
1
57
#03
400-89951 BU-L MOTOR CABLE ASM(EN)
BUモータL中継ケーブル組(EN)
1
58 400-48076 BACK UP MOTOR ASM
バックアップモータ組
2
59 E9433-729-0A0 BU ENC ASM.
BU ENC組
2
60 400-47844 AWC-R ENC CABLE ASM
AWC−Rエンコーダケーブル組
1
61
#01
400-89845 AWC-R ENC CABLE ASM XL
AWC−R エンコーダケーブル組 XL
1
62 400-91848 MT11-12 PULSE CABLE ASM
モータ11−12パルスケーブル組
1
63
#02
400-93167 MT11-12 PULSE CABLE ASM(EN)
モータ11−12パルスケーブル組(EN)
1
64 400-47842 BU-R ENC CABLE ASM
BU−Rエンコーダケーブル組
1
65
#01
400-89921 BU-R ENC CABLE ASM
BU−Rエンコーダケーブル組
1
66 400-47834 AWC-R MOTOR CABLE ASM
幅調モータR中継ケーブル組
1
67
#02
400-47838 AWC-R MOTOR CABLE ASM(EN)
AWCモータR中継ケーブル組(EN)
1
68
#01
400-89843 AWC-R MOTOR CABLE ASM XL
AWC−R モータケーブル組 XL
1
69
#03
400-89954 AWC-R MOTOR CABLE ASM(EN) XL
AWCモータR中継ケーブル組(EN)XL
1
70 400-47832 BU-R MOTOR CABLE ASM
バックアップモータR中継ケーブル組
1
71
#02
400-47836 BU-R MOTOR CABLE ASM(EN)
BUモータR中継ケーブル組(EN)
1
72
#01
400-89917 BU-R MOTOR CABLE ASM
バックアップモータR中継ケーブル組
1
73
#03
400-89952 BU-R MOTOR CABLE ASM(EN)
BUモータR中継ケーブル組(EN)
1
74 400-47910 IN SENS CABLE ASM
インセンサ束線組
1
75 400-89929 BU PIN-L SENSOR CABLE ASM XL
BU PIN−Lセンサ投光束線組 XL
1
76 400-47912 WAIT-L SENSOR CABLE ASM
WAIT−Lセンサ束線組
1
77 400-47913 STOP-L SENSOR CABLE ASM
STOP−Lセンサ束線組
1
78 400-47914 COUT-L SENSOR CABLE ASM
COUT−Lセンサ束線組
1
79 400-02208 IN_SENSOR_ASM
インセンサ組
1
80
#01
L829E-121-0A0 SUPPORT PIN EMITTER SENSOR ASM
サポートピンEMITTERセンサ組
1
81 402-19320 WAIT-L SENSOR ASM
WAIT−Lセンサ組
1
82
#01
401-87863 WAIT-L SENSOR ASM
WAIT−Lセンサ組
1
83 402-19322 STOP-L SENSOR ASM
STOP−Lセンサ組
1
84
#01
401-87865 STOP-L SENSOR ASM
STOP−Lセンサ組
1
85 402-19321 COUT-L SENSOR ASM
COUT−Lセンサ組
1
86
#01
401-87864 COUT-L SENSOR ASM
COUT−Lセンサ組
1
87 400-47906 SBL2 RELAY CABLE ASM
センサブロックL2中継束線組
1
88 400-47908 SBL2 CABLE ASM
センサブロックL2束線組
1
89 400-47915 BU ORG-L SENSOR CABLE ASM
BU ORG−Lセンサ束線組
1
90 400-47916 BU LK-L SENSOR CABLE ASM
BU LK−Lセンサ束線組
1
91 400-47917 TPN-L SENSOR CABLE ASM
TPIN−Lセンサ束線組
1
92 400-47918 AWC-L SENSOR CABLE ASM
AWC ORG−Lセンサ束線組
1
93 400-02124 BU ORG SENSOR ASM
バックアップテーブル原点センサ組
1
94
#02
400-02241 BU LOCK SENSOR ASM
BUロックセンサ組
1
95 400-02122 T.PIN SENSOR ASM
Tピンセンサ組
1
96 400-02120 AWC ORG SENSOR ASM
自動幅調原点センサ組
1
97 400-47905 SBR1 CABLE ASM
センサブロックR1束線組
1
98 400-47903 SBR CABLE ASM
センサブロックR束線組
1
99
#01
400-89926 SBR CABLE ASM
センサブロックR束線組
1
100 400-47920 OUT SENSOR CABLE ASM
OUTセンサ束線組
1
101 400-89931 BU PIN-R SENSOR CABLE ASM XL
BU PIN−Rセンサ投光束線組 XL
1
102 400-47922 WAIT-R SENSOR CABLE ASM
WAIT−Rセンサ束線組
1
103 400-47923 STOP-R SENSOR CABLE ASM
STOP−Rセンサ束線組
1
104 400-47924 COUT-R SENSOR CABLE ASM
COUT−Rセンサ束線組
1
105 400-47909 SBR2 CABLE ASM
センサブロックR2束線組
1
106 400-47925 BU ORG-R SENSOR CABLE ASM
BU ORG−Rセンサ束線組
1
107 400-47926 BU LK-R SENSOR CABLE ASM
BU LK−Rセンサ束線組
1
108 400-47927 TPN-R SENSOR CABLE ASM
TPIN−Rセンサ束線組
1
109 400-47928 AWC-R SENSOR CABLE ASM
AWC ORG−Rセンサ束線組
1
110 400-02210 OUT SENSOR ASM
アウトセンサ組
1
111 402-19323 WAIT-R SENSOR ASM
WAIT−Rセンサ組
1
112
#01
401-87866 WAIT-R SENSOR ASM
WAIT−Rセンサ組
1
113 402-19325 STOP-R SENSOR ASM
STOP−Rセンサ組
1
114
#01
401-87868 STOP-R SENSOR ASM
STOP−Rセンサ組
1

- 179 -
90.SYSTEM DIAGRAM (OPERATION/CPU/MONITOR)
SYSTEM DIAGRAM(OPERATION / CPU / MONITOR)
XY-7
8-2A
POWER UNIT(L)
CN030
10-1A
MOUSE/KEYBOARD
SELECTOR
EX
9-4B
PWRL030
OPEF13
CHG-EX
OPEF21
OPERATION
PCB(F)
CN13
CN21
CN7
CN8
CN12
OPEF-7
OPEF-12
OP CN8
CN22
CN19
CN2
CN1
CN15
CN718
OPEF-14
CN14
CN24
HOD OPTION
(EN ONL Y)
CN8
HOD BOX
XY-7
3-4D
XY-RELAY PCB
CN7
CN9
10-2C
XY-9
KEY CHANGE SW
(EN ONLY)
8-2C
POWER UNIT(R)
CN030
10-3A
PWRR030
OPER13
EMG SW_FR
MNLT_L
MINIPATLITE
OPERATION
PCB(R)
CN7
CN8
CN13
CN12
CN22
CN19
CN2
CN1
OPER-12
OPER10
CN801
CN801
OPER-14
CN14
CN10
SIGNAL TOWER
EMG SW_RR
CN15
CN24
HOD OPTION
(EN ONLY)
CN8
HOD BOX
FRONT
KEYBOARD WITH TRACBALL
(SPACER ASM)
CV-MS R
CV-KB R
CV-MS F
CV-KB F
REAR MONITOR OPTION
MS R
KB R
MS F
KB F
MS2
KB2
MS1
KB1
9-5B
RS PC
SELECTOR
MOUSE/KEYBOARD
KB/MS PC
9-1B
CV-MS F
CV-KB F
MS F
KB F
9-5C
COM
ATX POWER
5-2B
BUTTERY UNIT
CN55
CN123
CN125
1-4C
CPU BOARD
LAN
CN13
COM1
CN1
HDD I/F
IDE
LPT
USB1
USB2
FDD
MS1
KB1
DVI1
12-4A
MOUSE
KB
EXT 1
RS-PC
7-3B
IP-X5
PCB
NTSC1
NTSC2
12-3C
DVI OUT2
(CN6)
AVI2
(CN4)
AVI1
(CN3)
(CN1)
INPS
RS232 TO
MONITOR(CN12)
SUPER
IMPOSE
BOARD
RS232 TO
MONITOR(CN12)
DVI OUT1
(CN5)
DVI I N
(CN2)
EXT 1
RS-PC
USB2
USB1
COVER
CPU
COM2
(RS1)
F
LCD
RS232C
FRONT MONITOR
RS232C
VIDEO
DC12V
RS232C
ATX-5
9-4B
ATX POWER
CN10
CN8
12-5C
REAR MONITOR
DC12V
RS232C
VIDEO
R LCD RS232C RS2
R-LCD
ATX-8
ATX-10
F-LCD
F LCD RS232C
RS1
9-4C
RS1
MOUSE/KEYBOARD
SELECTOR
RS2
SSD
HDD-CP
HDD LAMP
HDD
HLC
COVER
1 2
3
18
19
4
5
20
21
22
23
24
6
7
25
11
12
29
31
8
9
10
32
33
32
33
9
10
46
47
50
51
48
39
38
36
37
13
14
40
15
46
47
3
52
27
27
28
54
53
45
45
44
41
42
16
54
55
34
57
58
56
17
13
17
49
34
35 43
3
30
OP
CN7L
COVER OPEN SW_LF
OPEF-2
OP CN1
COVER OPEN SW_RF
CN7R
OP
22
21
26
MINIPATLITE
MNLT_R
COVER OPEN SW_LR
CN7L
OP
22
21
20
MINIPATLITE
MNLT_L
OPEF-7
OP C N8
COVER OPEN SW_RR
MNLT_R
MINIPATLITE
26
21
22
OP
CN7R
OPEF-2
OP C N1
KEYBOARD WITH TRACBALL
(SPACER ASM)
48
REAR
KEYBOARD WITH TRACBALL
(SPACER ASM)
48
HDD LAMP
NOTE1
PARTS NUMBER FOR EN:( )
PARTS NUMBER FOR XL:[ ]
PARTS NUMBER FOR XL-EN:([ ])
CN5
ISM COOPERATION OP
BARCORD READER(R)
BARCORD READER(F)
COVER
60
59
60
59
61 61