FX-3RA-Rev07 - 第188页
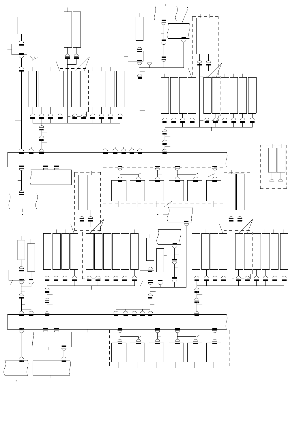
- 18 1 - 91.SYSTE M DIAGRAM (F EEDER STAT ION ) SYST EM DIA GRA M(FEED ER STA TION) PW R L6 7 9 -1A P OWER UNIT( L) C N023 1 0-3C PWRL 023 ETHE R-SLAVE PCB (FEEDE R_R) CN1 1 0-3A CN 1 CN 2 CN2 J2 J1 8 -1B ETHE R-SLAVE PC…

- 180 -
NOTE( 注記 ) #01....FOR EN EN 用
#02....FOR ISM COOPERATION OP ISM COOPERATION OP 用
REF.NO NOTE PART NO D E S C R I P T I O N
品 名
Qty
1 401-23596 POWER_SUPPLY_ASSY_RA-L(ST)
電源供給組 RA(左)ST
1
2
#01
401-23599 POWER SUPPLY ASSY L(EN)
電源供給組(左)EN
1
3 400-03281 MOUSE/KEYBOARD SELECTOR
マウス/キーボード切換器
1
4 400-47520 OPERATION PCB FRONT ASM
オペレーション基板前面組
1
5
#01
400-47543 OPERATION PCB FRONT ASM (EN)
オペレーション基板前面組(EN)
1
6 401-23602 POWER_SUPPLY_ASSY_RA-R(ST)
電源供給組 RA(右)ST
1
7
#01
401-23603 POWER SUPPLY ASSY R(EN)
電源供給組(右)EN
1
8 401-19361 XY-RELAY PCB ASM
XY − RELAY 基板組
1
9 400-48060 HOD ASM
HOD 組
1
10
#01
400-48061 HOD ASM(EN)
HOD 組(EN)
1
11 400-47542 OPERATION PCB REAR ASM
オペレーション基板背面組
1
12
#01
400-47544 OPERATION PCB REAR ASM (EN)
オペレーション基板背面組(EN)
1
13 400-48006 ATX PSU
ATX 電源
1
14 400-48007 BATTERY UNIT
バッテリユニット
1
15 401-07372 CPU BOARD
CPU ボード
1
16 401-22813 SUPER INPAUSE BOARD
スーパーインポーズボード
1
17 401-58158 15INCH LCD MONITOR
15インチ LCD モニタ
1
18 400-89883 OPERATION PWR CABLE (F) ASM XL
オペレーション電源ケーブル組(F)XL
1
19 400-47823 CONSOLE SELECT CABLE ASM
コンソール切換ケーブル組
1
20 401-20274 C OPEN-MINI SIG RLY CABLE(L)ASM
C オープン_ミニパト中継ケーブル L 組
1
21 400-02254 COVER OPEN SW CABLE ASM
カバーオープンスイッチケーブル組
1
22 400-48055 MINI PATLITE ASM
ミニパトライト組
1
23 401-20505 EMG SW(F) ASM
EMG SW(F)組
1
24
#01
401-20507 EMG SW(F) ASM(EN)
EMG SW(F)組(EN)
1
25 400-89884 OPERATION PWR CABLE (R) ASM XL
オペレーション電源ケーブル組(R) XL
1
26 401-20275 C OPEN-MINI SIG RLY CABLE(R)ASM
C オープン_ミニパト中継ケーブル R 組
1
27 400-48042 VIDEO CABLE
ビデオケーブル
1
28 400-47528 IP-X5 PCB ASM
IP − X 5基板 組図
1
29 400-02251 OPERATION ON SW CABLE ASM
オペレーションオン SW ケーブル組
1
30 400-89885 OPERATION RLY CABLE (F) ASM XL
オペレーションリレーケーブル組(F)XL
1
31 400-89886 OPERATION RLY CABLE (R) ASM XL
オペレーションリレーケーブル組(R)XL
1
32 400-79872 HOD CABLE ASM
HOD 束線組
1
33
#01
400-79873 HOD CABLE1 ASM
HOD 束線組_1(EN)
1
34 400-27815 F-232C CABLE ASM
F −232 C ケーブル組
1
35 401-19592 F LCD POWER CABLE ASM
フロント LCD 電源ケーブル組
1
36 401-20506 EMG SW(R) ASM
EMG SW(R)組
1
37
#01
401-20508 EMG SW(R) ASM(EN)
EMG SW(R)組(EN)
1
38 400-48045 SIGNAL TOWER LIGHT ASM
シグナルタワーライト組
1
39 400-47822 SIGNAL LIGHT RLY CABLE ASM
シグナルライトリレーケーブル組
1
40 400-48030 UPS 232C CABLE ASM
UPS 通信ケーブル組
1
41 401-19514 HLC LAN CABLE ASM
HLC LAN ケーブル組
1
42 401-32167 ENVIRONMENT SYSTEM 132 ASM
環境ディスク組132(システム&データ)
1
43 401-19593 R LCD POWER CABLE ASM
リア LCD 電源ケーブル組
1
44 400-47492 HDD I/F CABLE ASM
HDD インターフェイスケーブル組
1
45 401-22816 USB CABLE 2M
USB ケーブル2 M
1
46 400-47494 F-KEYBOARD CABLE ASM
F キーボードケーブル組
1
47 400-47493 F-MOUSE CABLE ASM
F マウスケーブル組
1
48 401-32159 PS2 KEYBOARD SP ASM
PS 2キーボード SP 組
1
49 400-89889 OP-232C CABLE (R) ASM XL
232 C ケーブル(R)組 XL
1
50 400-89899 R-KEY BOARD CABLE ASM XL
R −キーボードケーブル組 XL
1
51 400-89898 R-MOUSE CABLE ASM XL
R −マウスケーブル組 XL
1
52 400-03282 MOUSE/KEYBOARD SELECTOR CABLE ASM
マウス/キーボード切換器ケーブル組
1
53 400-48031 PANEL LINK CABLE 1M
パネルリンクケーブル 1 M
1
54 400-02264 OP-232C CABLE ASM
オプション232 C ケーブル組
1
55 400-98948 MONITOR 232C RLY CABLE ASM
モニタ通信中継ケーブル組
1
56 400-48081 PANEL LINK CABLE 5.0M
パネルリンクケーブル 5.0 M
1
57 400-03312 PANEL LINK CABLE
パネルリンク
1
58 400-47852 INPAUSE BOARD PWR CABLE ASM
インポーズ基板電源ケーブル組
1
59
#02
401-73481 USB REPEATER CABLE
USB リピーターケーブル
1
60
#02
401-73482 USB BARCORD READER CABLE(4M)
USB バーコードリーダーケーブル(4 M)
1
61
#02
EZ-1458644-11 READER BAR CODE
バーコードリーダ(GD 4430− BK)
1

- 181 -
91.SYSTEM DIAGRAM (FEEDER STATION)
SYSTEM DIAGRAM(FEEDER STATION)
PWRL67
9-1A
POWER UNIT(L)
CN023
10-3C
PWRL023
ETHER-SLAVE
PCB(FEEDER_R)
CN1
10-3A
CN1
CN2
CN2
J2
J1
8-1B
ETHER-SLAVE
PCB(FEEDER_L)
LED PCB LF 1
CN1
LED PCB LF 2
CN1
LED PCB LF 3
CN1
LED PCB LR 1
CN1
CN541
FDL15
CN551
CN561
CN541
CN551
FDL17
FDL16
LED PCB LR 2
LED PCB LR 3
CN1
CN1
FPI OPTION
CN561 FLD18
CN18
11-1A
CN21
CN17
CN16
CN21
CN15
CN30
CN27
CN28
CN5
CN20
CN30
CN27
CN28
CN5
CN20
P2
P1
CN19
CN19
CN5
CN20
CN20
CN5
CN1
FEEDER PCB (L)
FDL-1
FDRL19
F-SNS L
CAL F
CAL F(L)
CN491
CN669
CAL PCB
CN1 CN2
ATC-OP
ATC-CL
FROAT-F(RCV)
FROAT-R(RCV)
BANK-UPL
BANK-UPR
ATC S.V
FROAT-F(E)
FROAT-R(E)
SOT-CHK
CAL R
CAL R(L)
CN491
CN669
XYEMGL
CAL PCB
CN1 CN2
CN492
ATC-OP
ATC-CL
FROAT-F(RCV)
FROAT-R(RCV)
BANK-UPL
BANK-UPR
ATC S.V
FROAT-F(E)
FROAT-R(E)
SOT-CHK
SOT CHECK S.V.
FEEDER FLOAT SENSOR(LR-R)
FEEDER FLOAT SENSOR(LR-F)
ATC S.V (LR)
BANK UP SENSOR (LR-R)
BANK UP SENSOR (LR-L)
in the case of "FIXED ELEC BANK",
refer to 10-3D
(EMISSION)
(EMISSION)
FEEDER FLOAT SENSOR(LR-R)
FEEDER FLOAT SENSOR(LR-F)
ATC CLOSE SENSOR(LR)
ATC OPEN SENSOR(LR)
(RECEIVING )
(RECEIVING)
CAL S.V. (LR)
CAL VACUUM SENSOR (LR)
XYEMGL
XY7
10-5C
CN7
XY RELAY PCB
9-2C
SOT CHECK S.V.
FEEDER FLOAT SENSOR(LF-R)
FEEDER FLOAT SENSOR(LF-F)
ATC S.V (LF)
BANK UP SENSOR (LF-R)
BANK UP SENSOR (LF-L)
(EMISSION)
(EMISSION)
in the case of "FIXED ELEC BANK",
refer to 10-3D
FEEDER FLOAT SENSOR(LF-R)
(RECEIVING)
(RECEIVING)
FEEDER FLOAT SENSOR(LF-F)
ATC CLOSE SENSOR(LF)
ATC OPEN SENSOR(LF)
CAL VACUUM SENSOR (LF)
CAL S.V. (LF)
MECH/ELEC TROLY OPTION
ETF FORA SENSOR(LR)(EMISSION)
ETF FOAT SENSOR(LR)(RECEIVING)
E-FROAT(E)
E-FROAT(RCV)
LED PCB RR 3
LED PCB RR 2
LED PCB RR 1
LED PCB RF 3
LED PCB RF 2
LED PCB RF 1
FPI OPTION
CN1
CN1
CN1
CN1
CN1
CN1
10-1A
POWER UNIT(L)
CN067
11-1A
MECH/ELEC TROLY OPTION
ETF FORA SENSOR(LF)(EMISSION)
ETF FOAT SENSOR(LF)(RECEIVING)
E-FROAT(E)
E-FROAT(RCV)
9-2B
POWER UNIT(R)
CN023
10-5C
PWRR023
10-1A
ETHER-SLAVE
PCB(FEEDER_R)
J1
J2
FDR-1
FEEDER PCB (R)
CN1
P1
P2
CN19
CN5
CN20
CN20
CN5
CN19
FDR15
CN541
CN551
CN15
CN16
FDR16
CN561
CN541
FDR17
CN551
CN17
CN561
FLR18
CN18
11-1C
CN21
CN21
CN30
CN27
CN28
CN5
CN20
CN20
CN5
CN28
CN27
CN30
ATC-OP
ATC-CL
FROAT-F(RCV)
FROAT-R(RCV)
BANK-UPL
BA NK -U PR
AT C S.V
FROAT-F(E)
FROAT-R(E)
SOT-CHK
ATC-OP
ATC-CL
FROAT-F(RCV )
FROAT-R(RCV )
BANK-UPL
BANK-UPR
ATC S.V
FROAT-F(E)
FROAT-R(E)
SOT-CHK
SOT CHECK S.V.
FEEDER FLOAT SENSOR(RR-R)
FEEDER FLOAT SENSOR(RR-F)
ATC S.V (RF)
BANK UP SENSOR (RR-R)
BANK UP SENSOR (RR-L)
(EMISSIO N)
(EMISSIO N)
in the case of "FIXED ELEC BANK",
refer to 10-3D
FEEDER FLOAT SENSOR(RR-R)
FEEDER FLOAT SENSOR(RR-F)
ATC CLOSE SENSOR(RR)
ATC OPEN SENSOR(RR)
(RECEIVING)
(RECEIVING)
CAL R
CAL R(R)
SOT CHECK S.V.
FEEDER FLOAT SENSOR(RF-R)
FEEDER F LOAT SENSOR(RF-F)
ATC S.V (RF)
BANK UP SENSOR (RF-R)
BANK UP SENSOR (RF-L)
(EMISSION)
(EMISSION)
in the case of "FIXED ELEC BANK",
refer to 10-3D
FEEDER FLOAT SENSOR(RF-R)
FEEDER F LOAT SENSOR(RF-F)
ATC CLOSE SENSOR(RF)
ATC OPEN SENSOR(RF)
(RECEIVING)
(RECEIVING)
CAL F
CAL F(R)
CN491
CN669
CAL PCB
CN1
CN2
CAL S.V. (RF)
ETF FOAT SENSOR(RF)(RECEIVING)
ETF FORA SENSOR(RF)(EMISSION)
E-FROAT(RCV)
E-FROAT(E)
MECH/ELEC TROLY OPTION
CAL S.V. (LR)
CAL PCB
CN1 C N2
CN669
CN491
XYEMGR XYEMGR
PWRL67
10-3A
POWER UNIT(R)
CN067
11 -1 C
XY7
10-3C
XY RELAY PCB
CN7
12-1B
ETF FOAT SENSOR(RR)(RECEIVING)
ETF FORA SENSOR( RR)(EMISSION)
MECH/ELEC TROLY OPTION
E-FROAT(E)
E-FROAT(RCV)
1 24
30 30 30 30 30 30
26
27
28
29
4
6
13
8
14
31
9
10
11
12
15 16 17
18
22 23 24 25
11
21
32
10
12
35
36
37
2019
42
43
22 44 45 25
21
BUP SENS SHORT ASM
BUP SENS SHORT ASM
FIXED ELEC BANK
BANK-UPL
BANK-UPR
4646
1
2
2019
30 30 3030 3030
40
41
4
7
6
1615
11
20
15
19
42
43
16 22 44 45 25
21
26
28
27
29
31
11
38
8
2019
10
21
2524232216
18
1715
39
10
35
36
40
41
37
5
3
CN492
F SNS-R
34
33
FDRL21
F-SNS L
14
13
FDRL19
F SNS-R
FDRL21
33
34
NOTE1
PARTS NUMBER FOR EN:( )
PARTS NUMBER FOR XL:[ ]
PARTS NUMBER FOR XL-EN:([ ])
48
47
48
47
NOTE2
NOTE2
NOTE2
NOTE2
NOTE2
NOTE2
NOTE2
NOTE2
NOTE2
NOTE2
NOTE2
NOTE2
NOTE2
NOTE2
NOTE2
NOTE2
NOTE2
NOTE2
NOTE2
NOTE2
NOTE2
NOTE2
NOTE2
NOTE2
NOTE2
FLOAT SENSOR set of Emitter asn Receiver
surfix _1:Emitter
surfix _2:Receiver

- 182 -
NOTE( 注記 ) #01....FOR EN EN 用
REF.NO NOTE PART NO D E S C R I P T I O N
品 名
Qty
1 401-23596 POWER_SUPPLY_ASSY_RA-L(ST)
電源供給組 RA(左)ST
1
2
#01
401-23599 POWER SUPPLY ASSY L(EN)
電源供給組(左)EN
1
3 400-91470 FEEDER PWR CABLE (LR) ASM
フィーダ電源ケーブル(LR)組
1
4 400-47557 ETHER-SLAVE PCB ASM
ETHER − SLAVE 基板組
1
5 400-91922 ETHER CABLE FEEDER LF-LR ASM
イーサケーブルフィーダ LF − LR 組
1
6 400-47560 FEEDER PCB ASM
フィーダ基板組
1
7 400-91471 FEEDER PWR CABLE (RR) ASM
フィーダ電源ケーブル(RR)組
1
8 400-47483 FEEDER CAL(F) CABLE ASM
CAL(F)ケーブル組
1
9 400-89890 CAL BLOCK CABLE(LF) ASM
CAL ブロックケーブル(LF)組
1
10 400-07376 CALBLOCK PCB ASM
CAL ブロック基板組
1
11 400-47986 CAL VACUUM SV ASM
CAL バキューム SV 組
1
12 401-22811 CAL-VCUM SENS ASM
CAL バキュームセンサ組
1
13 400-48176 FEEDER SENSOR RELAY(F) CABLE ASM
フィーダセンサ中継ケーブル(F)組
1
14 401-22895 FEEDER SENS RLY-F CABLE ASM
フィーダセンサ RLY − F ケーブル組
1
15 400-02128 ATC OPEN SENSOR ASM
ATC オープンセンサ組
1
16 400-02127 ATC CLOSE SENSOR ASM
ATC クローズセンサ組
1
17 401-53658 FD-FLOAT(FF) SENS SET ASM
フィーダ浮き(FF)センサセット組
1
18 401-53659 FD-FLOAT(FR) SENS SET ASM
フィーダ浮き(FR)センサセット組
1
19 401-53666 ETF-FLOAT SENS SET ASM
ETF − FLOAT センサセット組
1
20 401-53666 ETF-FLOAT SENS SET ASM
ETF − FLOAT センサセット組
1
21 400-02167 BANK UP(F)SENSOR ASM
バンクアップ(F)センサ組
1
22 400-47485 ATC SV CABLE ASM
ATC SV ケーブル組
1
23 401-53658 FD-FLOAT(FF) SENS SET ASM
フィーダ浮き(FF)センサセット組
1
24 401-53659 FD-FLOAT(FR) SENS SET ASM
フィーダ浮き(FR)センサセット組
1
25 400-47486 SOT CHECK SV CABLE ASM
SOT 検査台 SV ケーブル組
1
26 400-93064 FPI-LED 1 CABLE(F) ASM
FPI − LED 1ケーブル(F)組
1
27 400-93065 FPI-LED 2 CABLE(F) ASM
FPI − LED 2ケーブル(F)組
1
28 400-93066 FPI-LED 1 CABLE(R) ASM
FPI − LED 1ケーブル(R)組
1
29 400-93067 FPI-LED 2 CABLE(R) ASM
FPI − LED 2ケーブル(R)組
1
30 E8626-729-0A0 FPI LED BOARD ASM.
FPI LED 基板組
1
31 400-47484 FEEDER CAL(R) CABLE ASM
CAL(R)ケーブル組
1
32 400-89892 CAL BLOCK CABLE(LR)ASM
CAL ブロックケーブル(LR)組
1
33 400-48177 FEEDER SENSOR RELAY(R) CABLE ASM
フィーダセンサ中継ケーブル(R)組
1
34 401-22894 FEEDER SENS RLY-R CABLE ASM
フィーダセンサ RLY − R ケーブル組
1
35 400-89675 FD EMG RLY CABLE ASM
フィーダ非常停止中継束線組
1
36 400-89885 OPERATION RLY CABLE (F) ASM XL
オペレーションリレーケーブル組(F) XL
1
37 401-19361 XY-RELAY PCB ASM
XY − RELAY 基板組
1
38 400-89877 CAL BLOCK CABLE(RF) ASM
キャルブロックケーブル(RF)組
1
39 400-89878 CAL BLOCK CABLE(RR) ASM
キャルブロックケーブル(RR)組
1
40 401-23602 POWER_SUPPLY_ASSY_RA-R(ST)
電源供給組 RA(右)ST
1
41
#01
401-23603 POWER SUPPLY ASSY R(EN)
電源供給組(右)EN
1
42 401-53660 FD-FLOAT(RF) SENS SET ASM
フィーダ浮き(RF)センサセット組
1
43 401-53661 FD-FLOAT(RR) SENS SET ASM
フィーダ浮き(RR)センサセット組
1
44 401-53660 FD-FLOAT(RF) SENS SET ASM
フィーダ浮き(RF)センサセット組
1
45 401-53661 FD-FLOAT(RR) SENS SET ASM
フィーダ浮き(RR)センサセット組
1
46 400-95637 BUP SENSOR SHORT ASM
BUP センサショート組
1
47 401-22896 FEEDER SENS R CABLE ASM
フィーダセンサ R ケーブル組
1
48 401-22897 FEEDER SENS F CABLE ASM
フィーダセンサ F ケーブル組
1