FX-3RA-Rev07 - 第195页
- 18 8 - NOTE ( 注記 ) #01....TY PE XL XL 仕様 #02....F OR EN EN 用 REF. NO NOT E PART NO D E S C R I P T I O N 品 名 Qty 1 4 00 -47560 FEEDER PCB ASM フィーダ基板組 1 2 401- 23 596 POW ER_S UPPL Y_A SSY_R A-L (ST ) 電源供給組 RA( 左)ST 1 3…

- 187 -
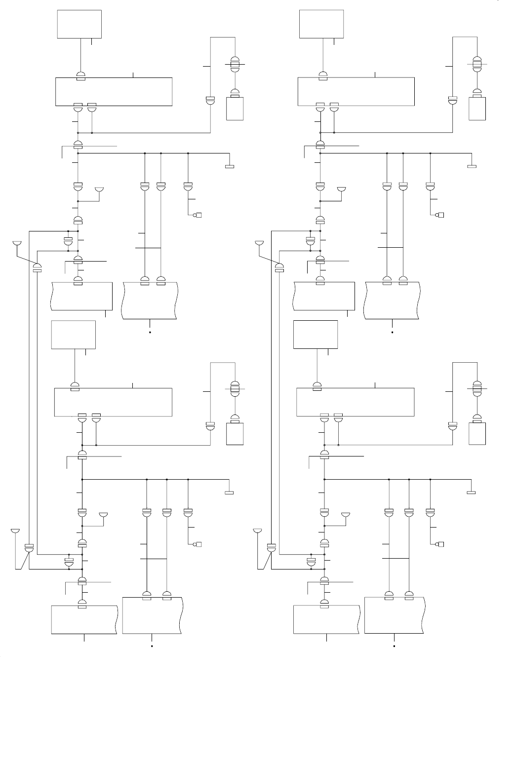
94.SYSTEM DIAGRAM (ELEC TOROLY I/F)
SYSTEM DIAGRAM(ELEC TOROLY I / F)
CP
3A
CP
3A
CP
3A
POWER
LAMP
POWER
LAMP
POWER
LAMP
POWER
LAMP
FRONT
CUTTER
SV
FRONT
CUTTER
CYLIND ER
CLOSE
SENSOR
OPEN
SENSOR
FRONT
CUTTER
SV
FRONT
CUTTER
CYLINDER
CLOSE
SENSOR
OPEN
SENSOR
FRONT
CUTTER
SV
FRONT
CUTTER
CYLIND ER
CLOSE
SENSOR
OPEN
SENSOR
FRONT
CUTTE R
SV
FRONT
CUTTER
CYLIND ER
CLOSE
SENSOR
OPEN
SENSOR
11-3A
FEEDER PCB (L)
CN23
13-3A
FEEDER
PCB(L)
PANEL
CUT F
CN370
11-1A
MECH
TOROLY
I/F
12-1A
POWER UNIT(L)
CN069
13-3B
CN069 CN351
12-5C
CVS
OPTION/RFID
FG TAP
CN353
CN353
CN382
CN351
in rhe case of "FIXED
ELEC BANK"
refer to 13- 5A
11-3C
FEEDER PCB ( R)
CN23
13-3C
FEEDER
PCB(R)
PANEL
11-1C
MECH
TOROLY
I/F
12-4B
POWER UNIT(R)
CN069
13-3D
CN069 CN351
12-5C
CVS
OPTION/RFID
CN353
FG TAP
in rhe case of "FIXED
ELEC BANK"
refer to 13-5A
CN353
CN382
CN351
CN370
E BANK
COVER (RF)
CUT F
CN381
E BANK
COVER (LF)
CN381
OPEN
CLOSE
SV
BK31
BK33
E-BANK FG
RFID
E-BANK FG
SV
CLOSE
OPEN
BK31
BK33
E-BANK FG
RFID
E-BANK FG
RFID
ANTENNA
ANTOUTIN
CN26
30
CN21
25
CN16
20
CN11
15
CN06
10
CN01
05
BANK26
30
BANK21
25
BANK16
20
BANK11
15
BANK06
10
BANK01
05
CN26
CN30
CN21
CN25
CN16
CN20
CN11
CN15
CN6
CN10
CN1
CN5
CN32
ELEC BANK PCB
CN31
CN33
BK32
CP
RLY
PWR
RFID
ANTENNA
ANT
OUT
IN
CN26
30
CN21
25
CN16
20
CN11
15
CN06
10
CN01
05
BANK01
05
BANK06
10
BANK11
15
BANK16
20
BANK21
25
BANK26
30
CN26
CN30
CN21
CN25
CN16
CN20
CN11
CN15
CN6
CN10
CN1
CN5
CN32
ELEC BANK PCB
CN31
CN33
PWRRLY
CP
CP
3A
BK32
13-1A
FEEDER PCB (L)
CN24
11-4A
MECH
TOROLY
I/F
FEEDER
PCB(L)
PANEL
CUT R
CN370
CN351CN351
CN070
13-1B
POWER UNIT(L)
CN070
12-5B
CVS
OPTION/RFID
CN353
FG TAP
CN353
CN382
in rhe case of "FIXED
ELEC BANK"
refer to 13-5A
13-1C
FEEDER PCB (R)
CN24
FEEDER
PCB(R)
PANEL
CUT R
CN381
COVER (RR)
E BANK
CN370
11-4C
MECH
TOROLY
I/F
13-1D
POWER UNIT(R)
CN070
CN070
CN351
CN351
CN382
CN353CN353
12-5B
CVS
OPTION/RFID
FG TAP
in rhe case of "FIXED
ELEC BANK"
refer to 13-5A
E-BANK FG
RFID
E-BANK FG
RF ID
AN TE NN A
ANT
OUT
IN
CN26
30
CN21
25
CN16
20
CN11
15
CN06
10
CN01
05
BANK26
30
BANK21
25
BANK16
20
BANK11
15
BANK06
10
BANK01
05
PWR
RLY
CP
BK32
CN32
ELEC BANK PCB
CN31
CN33
CN1
CN5
CN6
CN10
CN11
CN15
CN16
CN20
CN21
CN25
CN26
CN30
OPEN
CLOSE
SV
BK31
BK33
E-BANK FG
E-BANK FG
RFID
BK33
BK31
COVER (LR)
EBANK
CN381
OPEN
CLOSE
SV
ELEC BANK PCB
CN32
CN31
CN33
CN1
CN5
CN6
CN10
CN11
CN15
CN16
CN20
CN21
CN25
CN26
CN30
BANK26
30
BANK21
25
BANK16
20
BANK11
15
BANK06
10
BANK01
05
BK 32
CP
RLY
CN01
05
CN06
10
CN11
15
CN16
20
CN21
25
CN26
30
PWR
RFID
ANTENNA
ANT
OUT
IN
E-BANK FG
CN33
CN31
ELEC BANK PCB
E- BA NK F G
BK33CN351
CN353
CN370
FIXED ELEC BANK
BK31
1
2
3
7
6
10
12
17
13
14
15
16
19
20
21
23
24
26
25 27
28
22
29
33
18
22
25
28
27
29
18
26
24
20
21
15
14
16
6
7
12
13
10
17
1
4
5
33
23
29
27
22
25
28
18
26
24
20
21
15
14
16
8
9
12
13
11
17
1
4
5
33
23
29
27
22
25
28
18
26
24
20
21
15
14
16
8
9
12
13
11
17
1
2
3
33
23
33
31
30
32
NOTE1
PARTS NUMBER FOR EN:( )
PARTS NUMBER FOR XL:[ ]
PARTS NUMBER FOR XL-EN:([ ])

- 188 -
NOTE( 注記 ) #01....TYPE XL XL 仕様
#02....FOR EN EN 用
REF.NO NOTE PART NO D E S C R I P T I O N
品 名
Qty
1 400-47560 FEEDER PCB ASM
フィーダ基板組
1
2 401-23596 POWER_SUPPLY_ASSY_RA-L(ST)
電源供給組 RA(左)ST
1
3
#02
401-23599 POWER SUPPLY ASSY L(EN)
電源供給組(左)EN
1
4 401-23602 POWER_SUPPLY_ASSY_RA-R(ST)
電源供給組 RA(右)ST
1
5
#02
401-23603 POWER SUPPLY ASSY R(EN)
電源供給組(右)EN
1
6 400-84842 FEEDER CUTTER(F) WIRE ASM
フィーダカッタ(F)ワイヤー組
1
7 400-89894 ETF PWR CABLE(F)ASM
ETF パワーケーブル(F)組
1
8 400-84843 FEEDER CUTTER(R) WIRE ASM
フィーダカッタ(R)ワイヤー組
1
9 400-89896 ETF PWR CABLE(R)ASM
ETF パワーケーブル(R)組
1
10 400-91909 CUTTER RELAY F CABLE ASM
カッタ中継 F ケーブル組
1
11 400-65178 CUTTER RELAY R CABLE ASM
カッタ中継 R ケーブル組
1
12 401-11734 ELEC BANK RELAY WIRE ASM
ELEC バンク中継ワイヤー組
1
13 400-84834 CUT RELAY CABLE ASM
CUT 中継ケーブル組
1
14 400-84835 CUT OPEN SENSOR ASM
CUT オープンセンサ組
1
15 400-84839 CUT CLOSE SENSOR ASM
CUT クローズセンサ組
1
16 400-84836 CUT SV CABLE ASM
CUT SV ケーブル組
1
17 401-11733 ELEC BANK IF CABEL ASM
ELEC バンク IF ケーブル組
1
18 401-12388 ELEC BANK PCB ASM
ELEC バンク基板組
1
19 400-84837 EF ARRANGE CBL 2 ASM
EF ARRANGE ケーブル2組
1
20 400-84841 EF ARRANGE CBL 1 BRACKET ASM
EF ARRANGE ケーブル1ブラケット組
1
21
#01
400-84833 EF ARRANGE CBL 1 ASM
EF ARRANGE ケーブル1組
1
22 400-89673 EF CP ASM
EF CP 組
1
23 400-84826 EF IF CBL 1-5 ASM
EF IF ケーブル 1−5組
1
24 400-84827 EF IF CBL 6-10 ASM
EF IF ケーブル 6−10組
1
25 400-84828 EF IF CBL 11-15 ASM
EF IF ケーブル 11−15組
1
26 400-84829 EF IF CBL 16-20 ASM
EF IF ケーブル 16−20組
1
27 400-84830 EF IF CBL 21-25 ASM
EF IF ケーブル 21−25組
1
28 400-84831 EF IF CBL 26-30 ASM
EF IF ケーブル 26−30組
1
29 400-79659 RFID JOINT CABLE ASM
RFID ジョイントケーブル組
1
30 400-95638 ELEC BANK CABLE ASM
ELEC バンクケーブル組
1
31 400-95639 ELEC BANK PWR CABLE ASM
ELEC バンク電源ケーブル組
1
32 400-47552 ELEC BANK PCB ASM
ELEC バンク基板組
1
33 400-84840 ELEC BANK TOROLY FG WIRE ASM
ELEC バンクトロリー FG ワイヤー組
1

- 189 -
95.SYSTEM DIAGRAM (IFS-NX/MECH TOROLY I/F)
SYSTEM DIAGRAM(IFS − NX / MECH TOROLY I / F)
5
BK31
BK40
6
MECH BANK
PCB
CN36
BK36
CN31
CN40
7
KNOCK PIN
S.V.
8
16
OUT
IN
RFID
RFID
ANTENNA
FEEDER
PCB(R)
1-3C
CN3
POWER
UNIT(R)
CN024
1-3C
CN065
FEEDER
PCB(R)
CN3
CN3
CN03
FCAN1
RYL03
2
3
RLYR03
18
CN350
CN350
CN370
13-1A
ELEC TOROLY
I/F
5
MPC-CAN(F) 3-3C
CAN-MPC
FCAN2
COVER(LF)
MBANK
BK40
BK31
6
7
CN31
CN40
CN36
MECH BANK
PCB
BK36
8
KNOCK PIN
S.V.
FEEDER
PCB(R)
CN4
1-1C
1
CN4 CN4CN4
FEEDER
PCB(R)
9
RCAN1
10
RLY04
RLYR04
CN370
CN350
CN350
19
5
13-3A
ELEC TOROLY
I/F
RCAN2
MPC-CAN(R) 3-3C
CAN-MPC
22
22
PWRR024
PWRR065
FG-TAP
(RF)
15
CN205
CN206
CN352
CN205
CN206
CN352
CN383
2-1C
ELEC TOROLY
I/F
RFID
OUT
IN
RFID
ANTENNA
16
CN025
CN066
2-1C
20 21
PWRR025
PWRR066
23
23
CN205 CN205
CN206
CN206
CN352
CN352
15
FG-TAP
(RR)
2-3C
ELEC TOROLY
I/F
CN383
1-1C
POWER
UNIT(R)
COVER(RR)
MBANK
20 211
RFID
ANTENNA
RFID
IN
OUT
16
POWER
UNIT(L)
1-1B
CN383
2-3A
ELEC TOROLY
I/F
FG-TAP
(LR)
15
CN352
CN352
CN206
CN206
CN205CN205
17
17
PWRL066
PWRL025
12 13
2-1A
CN066
CN025
16
RFID
ANTENNA
IN
OUT
RFID
2-1A
ELEC TOROLY
I/F
CN383
CN352
CN206
CN205
CN352
CN206
CN205
15
FG-TAP
(LF)
PWRL065
PWRL024
14
14
8
KNOCK PIN
S.V.
7
CN40
CN31
BK36
CN36
MECH BANK
PCB
6
BK40
BK31
COVER(LR)
M BANK
3-3B
CAN-MPC
MPC-CAN(R)
RCAN2
13-3A
ELEC TOROLY
I/F
11
CN350
CN350
CN370
RLYL04
RLY04
10
RCAN1
9
FEEDER
PCB(L)
CN4CN4CN4
1
1-1A
CN4
FEEDER
PCB(L)
KNOCK PIN
S.V.
8
BK36
MECH BANK
PCB
CN36
CN40
CN31
7
6
BK31
BK40
COVER(LF)
MBANK
FCAN2
3-3B
CAN-MPC
MPC-CAN(F)
5
13-1A
ELEC TOROLY
I/F
CN370
CN350
CN350
4
RLYL03
3
2
RYL03
FCAN1
CN03CN3
CN3
FEEDER
PCB(L)
CN065
1-3A
CN024
POWER
UNIT(L)
12 131
CN3
1-3A
FEEDER
PCB(L)