FX-3RA-Rev07 - 第198页
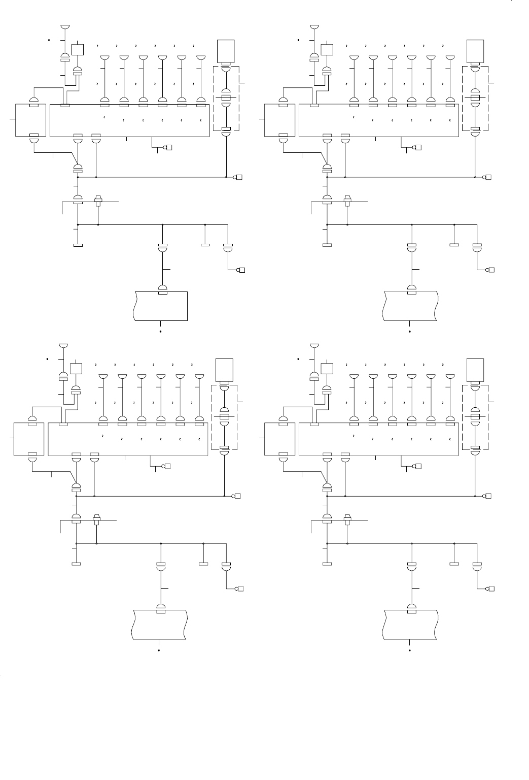
- 19 1 - 96. SYSTEM DIAGRAM (IFS-NX/ELEC TOROLY I/F ) SYST EM DIA GRA M(IFS − NX / ELEC TOROLY I / F) 1- 3B CN06 9 POW ER UNI T(L) 2- 3A CN0 69 FG TAP 1-1 B MEC H TORO L Y I/ F 12- 5C CVS O PTION /RFI D CN3 51 CN 351 12 …

- 190 -
NOTE( 注記 ) #01....FOR EN EN 用
REF.NO NOTE PART NO D E S C R I P T I O N
品 名
Qty
1 400-47560 FEEDER PCB ASM
フィーダ基板組
1
2 400-47481 FEEDER IF RELAY(F) CABLE ASM
フィーダ IF 中継ケーブル(F)組
1
3 401-67784 FEEDER IF RELAY-03 CABLE ASM
フィーダ IF RELAY −03ケーブル組
1
4 401-11737 FEEDER PCB(LF) IF CABLE ASM
フィーダ基板(LF)IF ケーブル組
1
5 400-48189 MECH BANK RELAY WIRE ASM
メカバンク中継束線組
1
6 400-48190 MECH BANK IF CABLE ASM
メカバンク IF ケーブル組
1
7 400-82807 MECHANICAL BANK PCB SET
メカバンク基板セット
1
8 400-63859 DRIVE_CYLINDER
ドライブシリンダー
1
9 400-47482 FEEDER IF RELAY(R) CABLE ASM
フィーダ IF 中継ケーブル(R)組
1
10 401-67785 FEEDER IF RELAY-04 CABLE ASM
フィーダ IF RELAY −04ケーブル組
1
11 401-11735 FEEDER PCB(LR) IF CABLE ASM
フィーダ基板(LR)IF ケーブル組
1
12 401-23596 POWER_SUPPLY_ASSY_RA-L(ST)
電源供給組 RA(左)ST
1
13
#01
401-23599 POWER_SUPPLY_ASSY_L(EN)
電源供給組(左)EN
1
14 400-91543 BANK RLY CABLE (LF) ASM
バンク RLY ケーブル(LF)組
1
15 400-48183 BANK(F) FG CABLE ASM
バンク(F)FG ケーブル組
1
16 400-79659 RFID JOINT CABLE ASM
RFID ジョイントケーブル組
1
17 400-91544 BANK RLY CABLE (LR) ASM
バンク RLY ケーブル(LR)組
1
18 401-11738 FEEDER PCB(RF) IF CABLE ASM
フィーダ基板(RF)IF ケーブル組
1
19 401-11736 FEEDER PCB(RR) IF CABLE ASM
フィーダ基板(RR)IF ケーブル組
1
20 401-23602 POWER_SUPPLY_ASSY_RA-R(ST)
電源供給組 RA(右)ST
1
21
#01
401-23603 POWER_SUPPLY_ASSY_R(EN)
電源供給組(右)EN
1
22 400-91546 BANK RLY CABLE (RF) ASM
バンク RLY ケーブル(RF)組
1
23 400-91550 BANK RLY CABLE (RR) ASM
バンク RLY ケーブル(RR)組
1

- 191 -
96.SYSTEM DIAGRAM (IFS-NX/ELEC TOROLY I/F)
SYSTEM DIAGRAM(IFS − NX / ELEC TOROLY I / F)
1-3B
CN069
POWER
UNIT(L)
2-3A
CN069
FG TAP
1-1B
MECH TOROLY I/F
12-5C
CVS OPTION/RFID
CN351
CN351
12
10 11
CN382
CN353
CN353
CN370
1
E BANK
POWER
LAMP
2
COVER(LF)
E-BANK FG
FRID
BK31
BK33
CN33
CN31
13
E-BANK FG
3
CN4
BANK ID
PCB
CN10
ELEC BANK
PCB
CN32
5
4
CN1 CN5
BANK01
05
BK32
14
CN01 05
CN6
CN10
CN06
10
15
BANK06 10
CP
RLY
PWR
6
7 8
CP
3A
9
CN11 CN15
CN11
15
16
BANK11 15
CN16 CN20
CN16
20
17
BANK16 20
CN21 CN25
CN21
25
18
BANK21 25
CN26 CN30
CN26
30
19
BANK26 30
IN
OUT
RFID
ANTENNA
ANT
20
9
20
ANT
RFID
ANTENNA
OUT
IN
CP
3A
7 8
6
RLY
CP
BK32
5
CN32
ELEC BANK
PCB
CN10
BANK ID
PCB
CN4
3
E-BANK FG
13
CN31
CN33
BK33
BK31
FRID
E-BANK FG
COVER(RF)
2
POWER
LAMP
E BANK
1
CN370
CN353CN353
CN382
21 22
12
CN351
CN351
12-5C
CVS OPTION/RFID
1-1D
MECH TOROLY I/F
FG TAP
CN069
2-3C
POWER
UNIT(R)
CN069
1-3C
PWR
4
4
PWR
2-1C
CN070
POWER
UNIT(R)
3-1B
CN070
FG TAP
1-3D
MECH TOROLY I/F
12-5C
CVS OPTION/RFID
CN351
CN351
23
21 22
CN382
CN353 CN35 3
CN370
1
E BANK
POWER
LAMP
2
COVER(RR)
E-BANK FG
FRID
BK31
BK33
CN33
CN31
13
E-BANK FG
3
CN4
BANK ID
PCB
CN10
ELEC BANK
PCB
CN32
5
BK32
CP
RLY
6
7 8
CP
3A
IN
OUT
RFID
ANTENNA
ANT
20
9
CN351
CN353
PWR
20
ANT
RFID
ANTENNA
OUT
IN
9
CP
3A
7 8
6
RLY
CP
BK32
4
5
CN32
ELEC BANK
PCB
CN10
BANK ID
PCB
CN4
3
E-BANK FG
13
CN31
BK33
BK31
FRID
E-BANK FG
COVER(LR)
2
POWER
LAMP
E BANK
1
CN370
CN353
CN382
10 11
23
CN351
12-5C
CVS OPTION/RFID
1-3B
MECH TOROLY I/F
FG TAP
CN070
POWER
UNIT(L)
CN070
2-1B
CN1 CN5
14
CN6 CN10
CN11
CN15
CN16
CN20
CN21
CN25
CN26
CN30
BANK26 30
19
CN26 30
BANK21 25
18
CN21 25
BANK16 20
17
CN16 20
BANK11 15
16
CN11 15
BANK06 10
15
CN06 10
CN01
05
BANK01 05
CN1 CN5
14
CN6 CN10
CN11
CN15
CN16
CN20
CN21
CN25
CN26
CN30
BANK26 30
19
CN26 30
BANK21 25
18
CN21 25
BANK16 20
17
CN16 20
BANK11 15
16
CN11 15
BANK06 10
15
CN06 10
CN01
05
BANK01 05
CN1 CN5
14
CN6 CN10
CN11
CN15
CN16
CN20
CN21
CN25
CN26
CN30
BANK26 30
19
CN26 30
BANK21 25
18
CN21 25
BANK16 20
17
CN16 20
BANK11 15
16
CN11 15
BANK06 10
15
CN06 10
CN01
05
BANK01 05

- 192 -
NOTE( 注記 ) #01....FOR EN EN 用
#02....TYPE XL XL 仕様
REF.NO NOTE PART NO D E S C R I P T I O N
品 名
Qty
1 401-11734 ELEC BANK RELAY WIRE ASM
ELEC バンク中継ワイヤー組
1
2 401-67788 ELEC BANK IF CABLE ASM
ELEC バンク IF ケーブル組
1
3 401-67787 CAN RLY BANK CABLE ASM
CAN 中継バンクケーブル組
1
4 401-69045 BANK ID PCB ASM
バンク ID 基板組
1
5 401-12388 ELEC BANK PCB ASM
ELEC バンク基板組
1
6 401-67747 EF ARRANGE CBL 3 ASM
EF ARRANGE ケーブル3組
1
7 400-84841 EF ARRANGE CBL 1 BRACKET ASM
EF ARRANGE ケーブル1ブラケットケーブル組
1
8
#02
400-84833 EF ARRANGE CBL 1 ASM
EF ARRANGE ケーブル1組
1
9 400-89673 EF CP ASM
EF CP 組
1
10 401-23596 POWER_SUPPLY_ASSY_RA-L(ST)
電源供給組 RA(左)ST
1
11
#01
401-23599 POWER_SUPPLY_ASSY_L(EN)
電源供給組(左)EN
1
12 400-89894 ETF PWR CABLE(F)ASM
ETF パワーケーブル(F)組
1
13 400-84840 ELEC BANK TOROLY FG WIRE ASM
ELEC バンクトロリー FG ワイヤー組
1
14 400-84826 EF IF CBL 1-5 ASM
EF IF ケーブル 1−5組
1
15 400-84827 EF IF CBL 6-10 ASM
EF IF ケーブル 6−10組
1
16 400-84828 EF IF CBL 11-15 ASM
EF IF ケーブル 11−15組
1
17 400-84829 EF IF CBL 16-20 ASM
EF IF ケーブル 16−20組
1
18 400-84830 EF IF CBL 21-25 ASM
EF IF ケーブル 21−25組
1
19 400-84831 EF IF CBL 26-30 ASM
EF IF ケーブル 26−30組
1
20 400-79659 RFID JOINT CABLE ASM
RFID ジョイントケーブル組
1
21 401-23602 POWER_SUPPLY_ASSY_RA-R(ST)
電源供給組 RA(右)ST
1
22
#01
401-23603 POWER_SUPPLY_ASSY_R(EN)
電源供給組(右)EN
1
23 400-89896 ETF PWR CABLE(R)ASM
ETF パワーケーブル(R)組
1