Q4Y3C-E-MPA-45 - 第44页
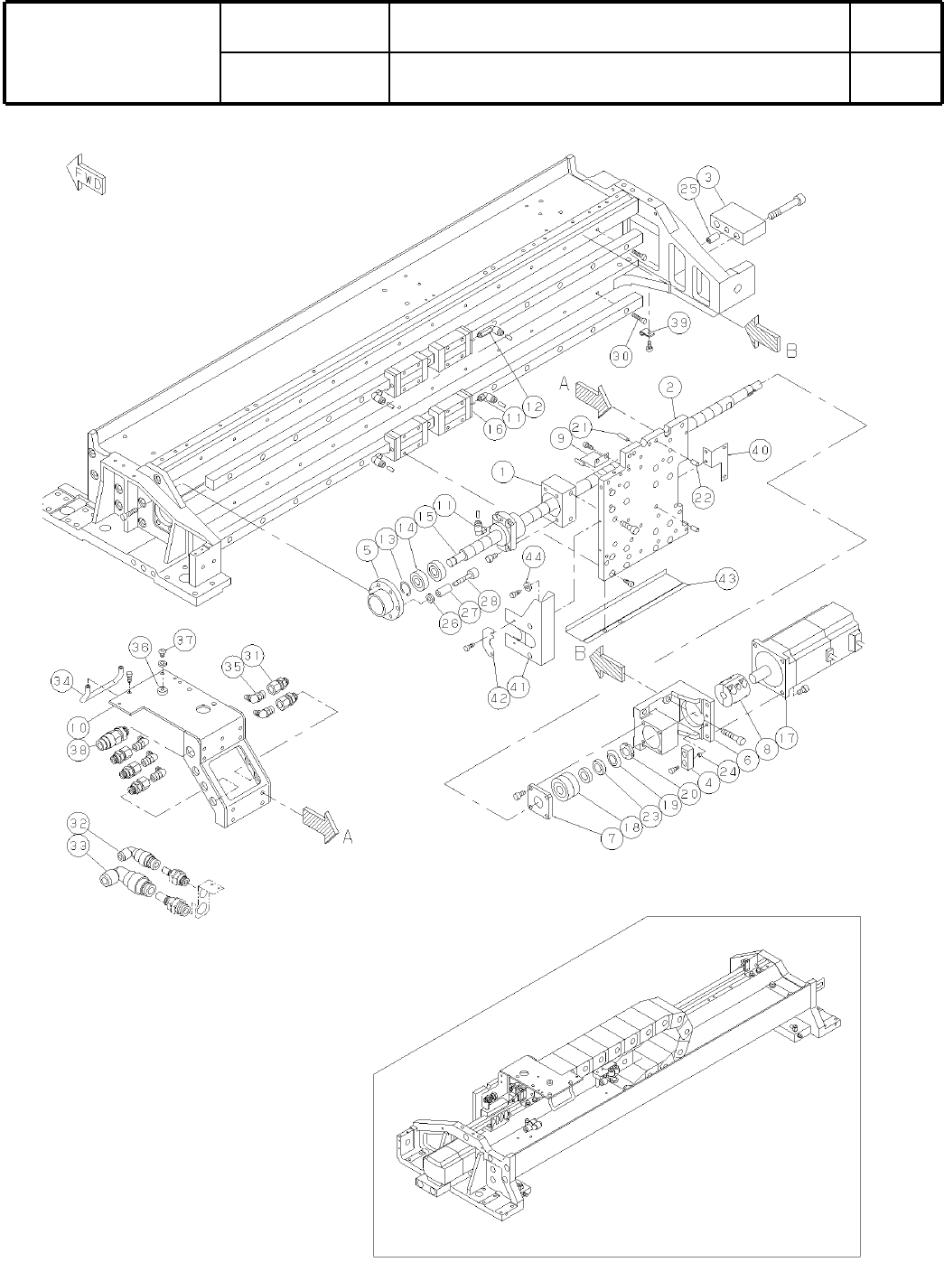
2-B X 軸 ユニット X-Axis Unit パーツレイアウト Kit No. キット品 番 Kit Name キット名称 KXFX0454A00 セクションNo. PARTS LAYOUT Section No. M21

Ref
No.
Remarks
R
1
Q't
y
2-A
X
軸
ユニット
X-Axis Unit
イラスト
No.
Part No.
品 名品番 数量
R
2
パーツリスト
Kit No.
キット品
番
Kit Name
キット名称
KXFX0454A00
Part Name
備 考
セクションNo.
PARTS LIST
Section No.
R
3
FRAME
1
1 N610005876AA
X-BAR
1
2 N610005630AA
FRAME
1
3 N610005570AA
FRAME
1
4 N610005571AA
NUT-PLATE
2
5 KXFB02PTA03
NUT-PLATE
3
6 KXFB02RMA00
BRACKET
2
7 KXFB02RNA00
BRACKET
1
8 KXFB02RPA00
BRACKET
1
9 KXFB02RRA00
PH-SENSOR
1
10 KXF0DL7AA01 PM-L53-C1(DA KXF0DL7AA01)
PH-SENSOR
1
11 KXF0DL4AA01 PM-L53B-C1(DA KXF0DL4AA01)
PH-SENSOR
1
12 KXF0DL5AA01 PM-L53B-C1(DA KXF0DL5AA01)
PIN
2
13 KXF02YRAA00 MS6-15
BOLT
6
14 N510017311AA
Hexagon socket head cap screw M3X14-10.9 A2J (Trivalent)
PLUG
8
15 KXF0E0NMA00 CP-30-HP-1
M20

2-B
X
軸
ユニット
X-Axis Unit
パーツレイアウト
Kit No.
キット品
番
Kit Name
キット名称
KXFX0454A00
セクションNo.
PARTS LAYOUT
Section No.
M21

Ref
No.
Remarks
R
1
Q't
y
2-B
X
軸
ユニット
X-Axis Unit
イラスト
No.
Part No.
品 名品番 数量
R
2
パーツリスト
Kit No.
キット品
番
Kit Name
キット名称
KXFX0454A00
Part Name
備 考
セクションNo.
PARTS LIST
Section No.
R
3
HOUSING
1
1 KXFB02PHA01
PLATE
1
2 N210009901AA
STOPPER
1
3 KXFB02PKA00
STOPPER
1
4 KXFB01FRA00
FLANGE
1
5 KXFB02PMA00
BRACKET
1
6 KXFB02PNA00
HOLDER
1
7 KXFB02PPA00
COUPLING
1
8 KXFB02RLA01
DOG
1
9 KXFB02PVA00
BRACKET
1
10 N210029088AB
JOINT
4
11 KXF029JAA00 KJL04-M5
JOINT
1
12 KXF090KAA00 KJW04-M5
C-RING
1
13 KXF04CRAA00 STW-10
BEARING
2
14 KXF00JZAA00 6000ZZ
BALL-SCREW
1
15 N510015479AA W1507-293PSSX-C3Z30(4)
LINEAR-WAY
2
16 N510015478AA LWES15C2R780EB11
MOTOR
1
17 N510005279AA
S
HC-MFS43-S25
BEARING
1
18 KXF0A1QAA00 7201T2DF/GNP5
BEARING-WASHER
1
19 KXF0E3LDA00 AW01
BEARING-NUT
1
20 KXF0E3M2A00 AN01
PIN
2
21 KXF02Y7AA00 MS4-15
PIN
2
22 KXF02YFAA00 MS5-10
WASHER
2
23 KXF0BLBAA00 T20
SPACER
2
24 N510016347AA 3382330-40030
S-PIN
1
25 KXF0CSFAA00 Corrugated spring pin D8X16L
WASHER
1
26 KXF0CSGAA00 WSSB12-6-3
SPACER
1
27 KXF0746AA00 CL-520N
BOLT
1
28 KXF0CJFAA00 UNAH5-30
BOLT
26
30 N510017352AA
Hexagon socket head cap screw M4X18-10.9 A2J (Trivalent)
JOINT
5
31 KXF0CSCAA00 KQ2E04-01
JOINT
1
32 KXF0CSDAA00 KK3S-06L
JOINT
1
33 KXF0CSEAA00 KK4S-10L
PULL
1
34 KXF00RAAA00 A-1075-7
GREASE-NIPPLE
5
35 KXF0CSHAA00 GPB1
SCREW
1
37 N510018283AA
Cross recessed Truss head machine screw M4X8-4.8 A2S (Trivalent)
JOINT
1
38 KXF0CVQAA00 KK3S-06E
CLIP
1
39 KXF031SAA00 NK-3N
BRACKET
1
40 N210009911AA
COVER
1
41 N210088751AA
COVER
1
42 N210059862AA
COVER
1
43 N210059863AA
WASHER
2
44 N510020098AA Thick washer for M3
M22