文档中心
/
CM602电路图
CM602电路图 - 第128页
在线预览 CM602电路图 PDF 文档。
目录
100%
显示:宽度
宽度
1 / 438
回到旧版
旧版
?
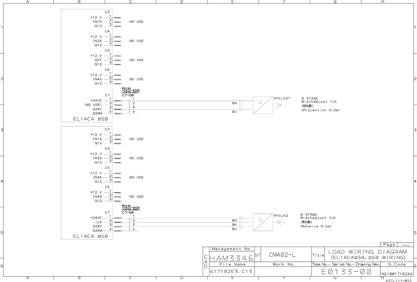
1. LOAD WIRING DIAGRAM
1-4 CART SECTION
EJM8A-
E-W
DB0A-A00-0
0
该页面需要启用 JavaScript 才能进行交互式预览。