CM602电路图 - 第265页
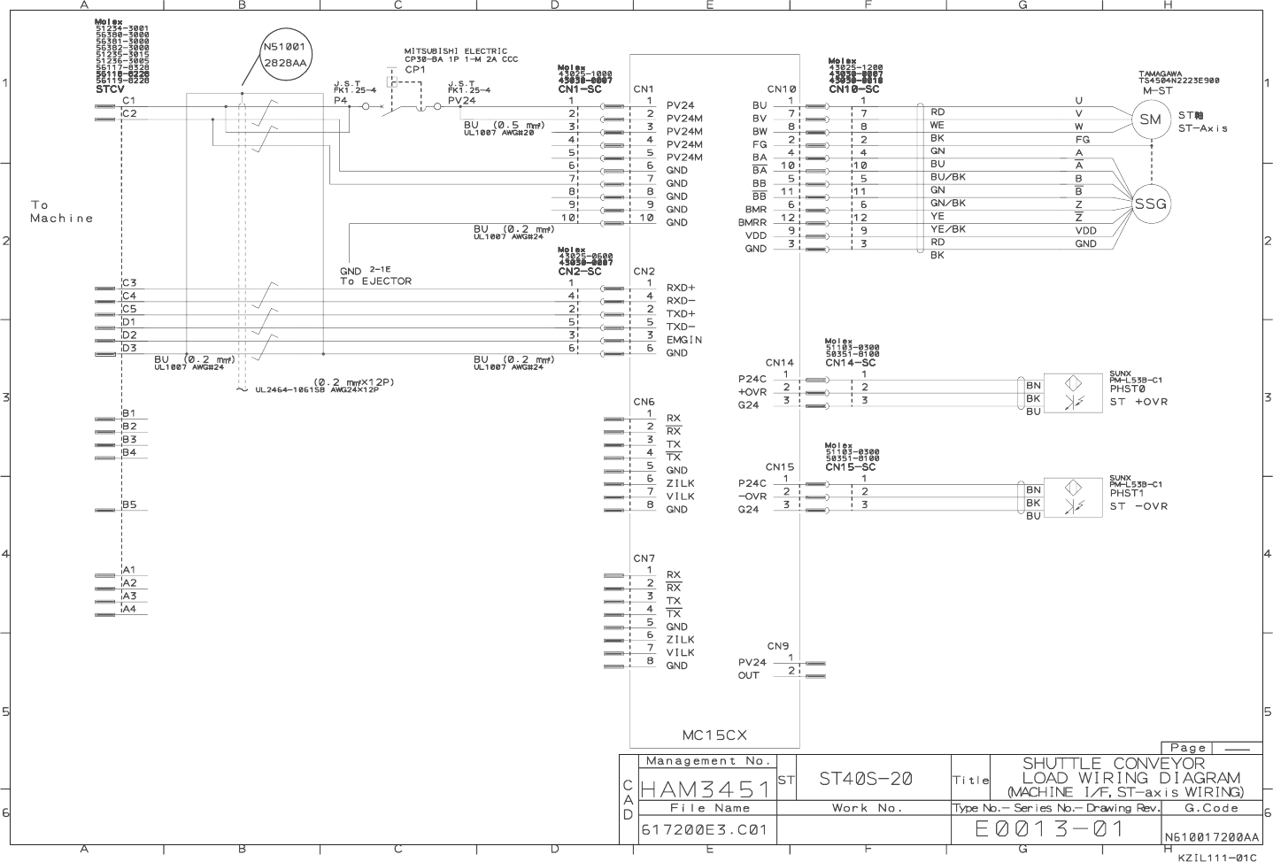
4. OPTION 4-11 SHUTTLE CONVEYOR LO A D WIRING DIA GR A M EJM8A- E-W DB0A-A00-0 0


4. OPTION
4-11 SHUTTLE CONVEYOR
LOAD WIRING DIAGRAM
EJM8A-E-WDB0A-A00-00

4. OPTION 4-11 SHUTTLE CONVEYOR LO A D WIRING DIA GR A M EJM8A- E-W DB0A-A00-0 0


