文档中心
/
CM602电路图
CM602电路图 - 第268页
1. = MEMO = EJM8A- E-W DB0A-A01-00
目录
100%
显示:宽度
宽度
1 / 438
回到旧版
旧版
?
1.
= MEMO
=
EJM8A-
E-W
DB0A-A01-00
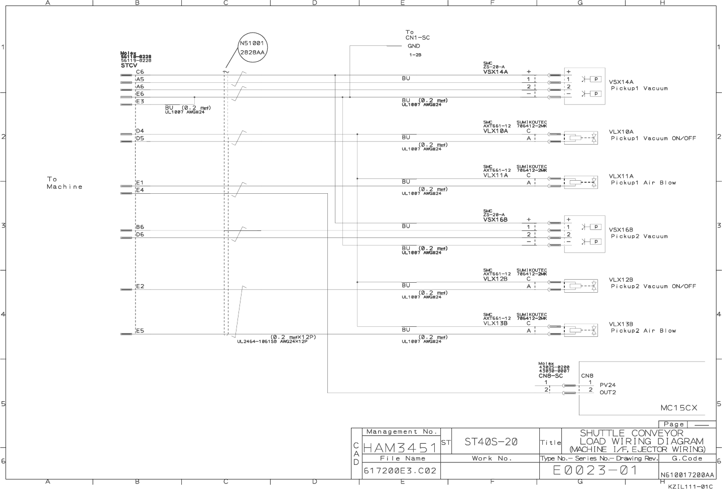
4. OPTION
4-12 SHUTTLE TRA
Y LO
AD
WIRING DIA
G
RAM
EJM8A-
E-W
DB0A-A00-0
0
该页面需要启用 JavaScript 才能进行交互式预览。