CM602电路图 - 第417页
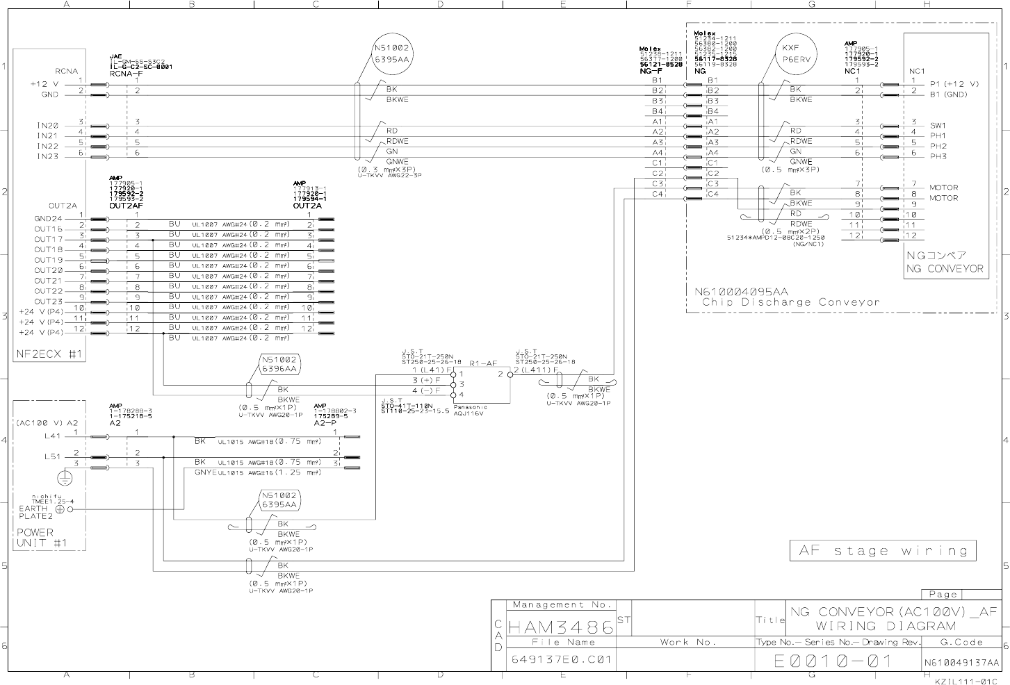
4. OPTION 4-35 M A I N BODY OF NG EXHA U ST CONVEYOR (A C1 00 ) A F EJM8A- E-W DB0A-A00-0 0

1.
= MEMO =
EJM8A-E-WDB0A-A01-00

4. OPTION
4-35 MAIN BODY OF NG EXHAUST CONVEYOR
(AC100) AF
EJM8A-E-WDB0A-A00-00

4. OPTION 4-35 M A I N BODY OF NG EXHA U ST CONVEYOR (A C1 00 ) A F EJM8A- E-W DB0A-A00-0 0


