P-0107-002 - 第55页
在线预览 P-0107-002 PDF 文档。

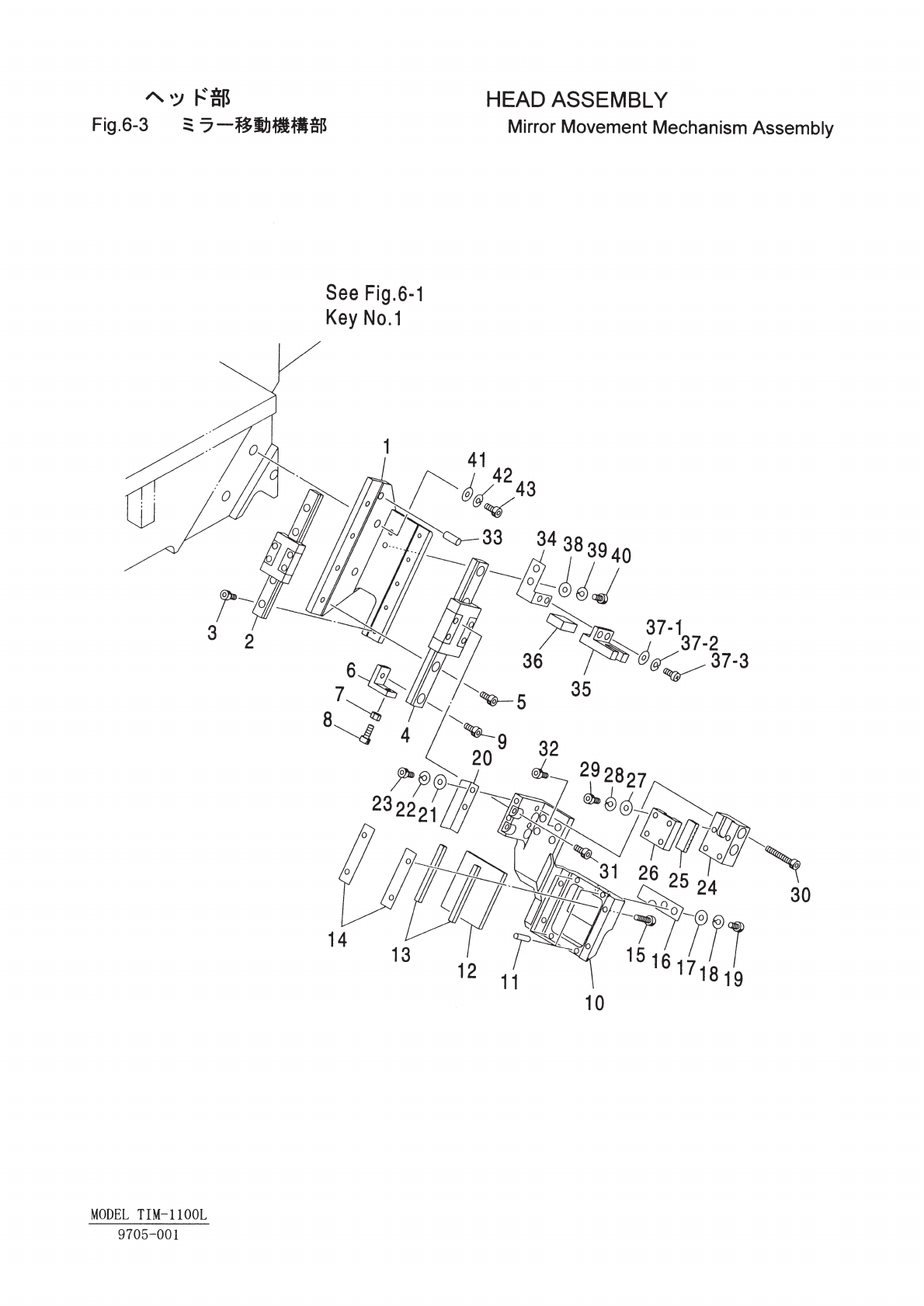
Key No. PART No. PART NAME Q'ty REMARKS REGISTERED No.
55 411 141 2806 WASHER SPR 3 4 SW3
56 630 000 7510 BOLT,HEX-SCT 4 M3X8
57 630 060 4474 BRACKET(MIRROR) 1 648CB-21B-037
58 616 122 2053 SPRING PIN 4 648CB-21H-524 1CC2SD1000240
59 616 122 1995 MIRROR 1 648CB-21H-517 1CC2FK3000141
60 616 122 1810 SHEET 2 648CB-21B-053 1CC2CE0500480
61 616 125 8670 HOLDER 2 648CB-21B-049 1CC2FC0506941
62 411 141 3803 WASHER V 2.5X6.5X0.5 4 FW2.5
63 411 141 6606 WASHER SPR 2.5 4 SW2.5
64 630 061 2868 BOLT,HEX-SCT 4 M2.6X6
65 616 125 7406 BRACKET 1 648CC-21B-045 1CC2FC1006031
66 616 122 2220 BLOCK 1 648CC-21V-503 1CC2FB1003010
66 -1 616 121 5062 L.E.D INDICATOR LIGHT 40 648GL-21D-501 1CC4T42700181
67 630 055 3574 COVER 1 648HH-21B-027
68 411 141 3902 WASHER V 3X7X0.5 4 FW3
69 411 141 2806 WASHER SPR 3 4 SW3
70 630 000 7534 BOLT,HEX-SCT 4 M3X12
71 411 141 3902 WASHER V 3X7X0.5 4 FW3
72 411 141 2806 WASHER SPR 3 4 SW3
73 630 000 7510 BOLT,HEX-SCT 4 M3X8
79 630 000 7862 BOLT,HEX-SCT 2 M6X10
NOTE
6-2
9705-001
MODEL TIM-1100L

