P-0107-002 - 第71页
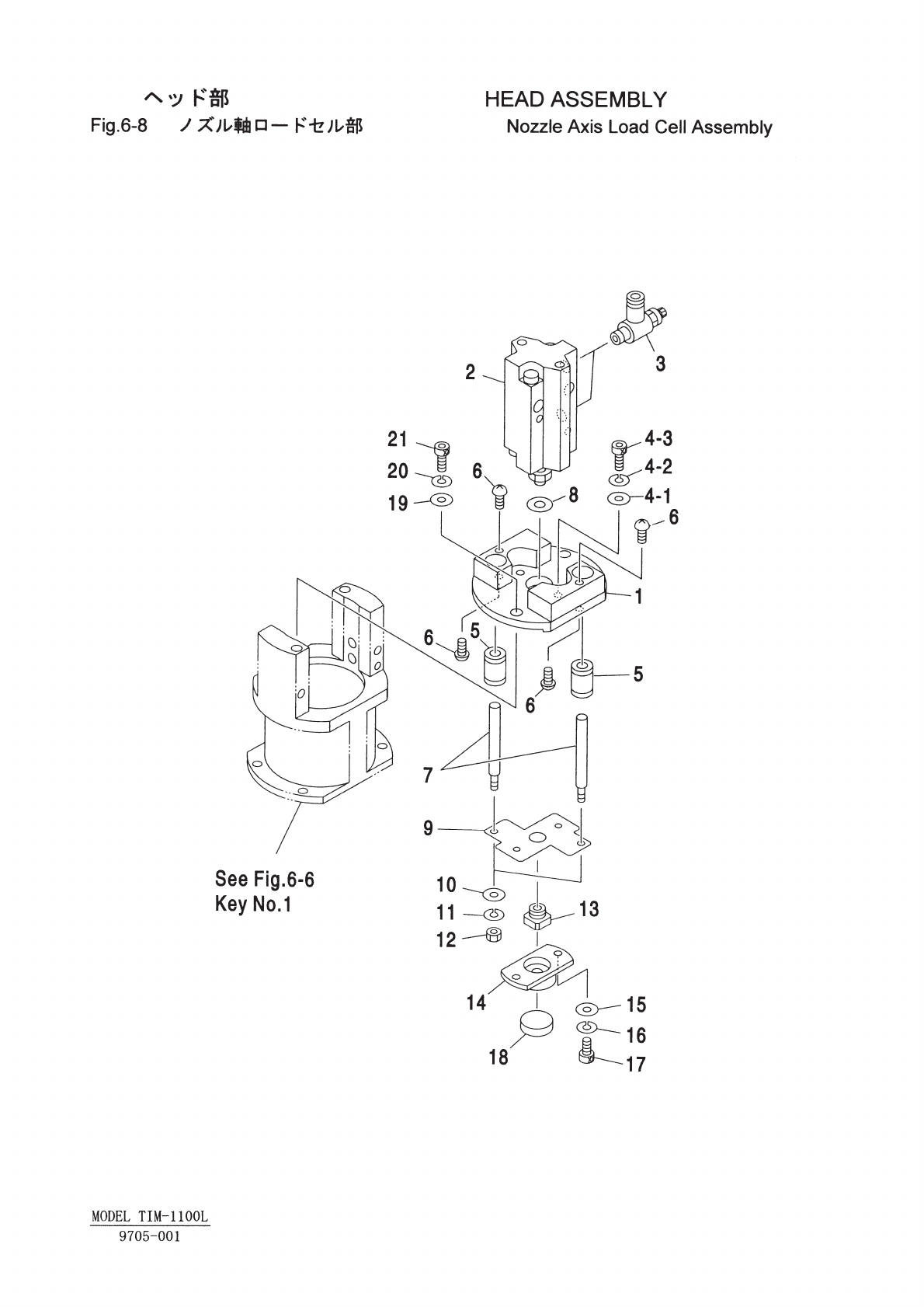
Key No. PART No. PART NAME Q'ty REMARKS REGISTERED No. 1 630 057 8317 BRACKET(CYLINDER) 1 648HB-21B-152 2 616 904 0932 CYLINDER 1 648HB-21H-603 1CC2BA0513750 3 616 111 8226 SPEED CONTROLLER 2 648HH-21H-519 1CC2BC080…


Key No. PART No. PART NAME Q'ty REMARKS REGISTERED No.
1 630 057 8317 BRACKET(CYLINDER) 1 648HB-21B-152
2 616 904 0932 CYLINDER 1 648HB-21H-603 1CC2BA0513750
3 616 111 8226 SPEED CONTROLLER 2 648HH-21H-519 1CC2BC0800141
4 -1 411 141 3902 WASHER V 3X7X0.5 2 FW3
4 -2 411 141 2806 WASHER SPR 3 2 SW3
4 -3 630 000 7527 BOLT,HEX-SCT 2 M3X10
5 616 122 2756 BALL BUSH 2 648HB-21H-517 1CC2GG5006050
6 411 050 5004 SCR TRS 3X6 4 M3X6 TRS
7 630 060 0414 SHAFT 2 648HB-21H-518
8 411 141 4008 WASHER V 4X9X0.8 1 FW4
9 630 057 8324 BRACKET(CYLINDER) 1 648HB-21B-153
10 411 141 3803 WASHER V 2.5X6.5X0.5 2 FW2.5
11 411 141 6606 WASHER SPR 2.5 2 SW2.5
12 411 054 5901 NUT HEX 2.6 2 M2.6
13 616 125 9042 JOINT 1 648HB-21B-065 1CC2GJ0501171
14 616 125 9059 HOLDER 1 648HB-21B-069 1CC2FC0507262
15 411 141 3803 WASHER V 2.5X6.5X0.5 2 FW2.5
16 411 141 6606 WASHER SPR 2.5 2 SW2.5
17 630 061 2868 BOLT,HEX-SCT 2 M2.6X6
18 616 122 2770 LOAD CELL 1 648HB-21H-519 1CC4V27000011
19 411 141 4008 WASHER V 4X9X0.8 2 FW4
20 411 141 2905 WASHER SPR 4 2 SW4
21 630 000 7626 BOLT,HEX-SCT 2 M4X10
NOTE
6-8
9705-001
MODEL TIM-1100L
