FX-3_Maintenance_Rev2_C - 第57页
Rev 2.00 维修调整要领书 5-13 5-11-2 . 支撑台驱动用同步皮带的张力调整 调整同步皮带张力时,拧松张力架组件的固定螺丝,按照箭头方向移动,向由尼塔公司制的音波式皮 带张力计输入规定的数值,在下图的部位进行测定,把张力调整到规格值 。 • 音波式皮带张力计输入值 Weight = 2.5 Width = 9.0 Span = 170 (L 尺寸 ) • 规格值 : 42.5N±2.5N 5-11-3 . 支撑台的平面调…

Rev 2.00
维修调整要领书
5-12
5-11. 支撑台马达的更换(BU马达的更换)
1) 按照以下的程序卸下支撑台。
1. 把传送宽度调整到最大。
2. 卸下 12 个②支撑台固定螺丝(平头螺丝),卸下①支撑台。
3. 拧松④张力架固定螺丝,向箭头方向移动③张力支承组件,松开支撑台球螺丝驱动用同步皮带
的张力。
图 5-11-1 支撑台
2) 请松开止动螺钉⑥,连同回转支撑组件一起取下⑤BU 电动机组件。
3) 请松开止动螺钉⑦,将回转支撑件从⑧BU 电动机的轴中拆下。
4) 请以 3)~1)的操作顺序进行装配。装配时,请进行以下调整。
• 回转支撑件与 BU 电动机组件的间隙调整 (5-11-1 章)
• 支撑台驱动用同步皮带的张力调整 (5-11-2 章)
• 支撑台的平面调整 (5-11-3 章)
• 支撑台偏差值 (MS 参数 3-11 章)
图 5-11-2 支撑台驱动系 图 5-11-3
BU 电动机组件
5-11-1. 转矩架和支撑台马达的间隙
转矩架组件和支撑台马达之间的间隙为1.1mm。
①40001018
BU台(L)
②SM1040801SN
埋头螺钉M4×8
④SL6051492TN
带垫片内六角螺栓 M5×14
⑤40000927
BU电动机组件
⑥SL6051442TN
带垫片内六角螺栓 M5×14
⑦SM8050852TP
止动螺钉 M5×8
⑧E94327290A0
BU电动机组件
③张力支承组件 回转支撑件
图 5-11-1-1 马达和转矩架

Rev 2.00
维修调整要领书
5-13
5-11-2. 支撑台驱动用同步皮带的张力调整
调整同步皮带张力时,拧松张力架组件的固定螺丝,按照箭头方向移动,向由尼塔公司制的音波式皮
带张力计输入规定的数值,在下图的部位进行测定,把张力调整到规格值。
• 音波式皮带张力计输入值
Weight = 2.5
Width = 9.0
Span = 170 (L 尺寸)
• 规格值: 42.5N±2.5N
5-11-3. 支撑台的平面调整
调整支撑台的平面度时,把测定仪器安装到贴装头的 OCC 摄像机支架,测定下列圆标记中央附近的值,
把 4 部位的差调整在 0.02mm 以内。
<调整方法>
1) 请使用[手动控制]→[传送控制],将支撑台置于-27mm 的位置。
2) 以 4 个计测点中最低的地方为基准,将调整螺钉向下降方向(螺钉旋紧的方向)转,调整到 4 个测
定点的差在 0.02mm 以内。
※ 如果将固定滚珠丝杠的 3 颗螺钉(调整螺钉周围的螺钉)全部松开,则 BU 台有下降的可能,所以
用调整螺钉调整后,请先临时固定一下。
※ 调整后,请确认轨道导轴与侧梁的中心是一致的。
(尺寸 A 为 4mm±1mm)
图 5-11-3-1 轨道导轴与侧梁
图 5-11-3-1 测定地方和调整用螺钉
调节螺丝(中央)
測定位置
測定位置
弱
強
图 5-11-2-1 皮带张力的测定和调整地方
侧梁止动螺钉

Rev 2.00
维修调整要领书
5-14
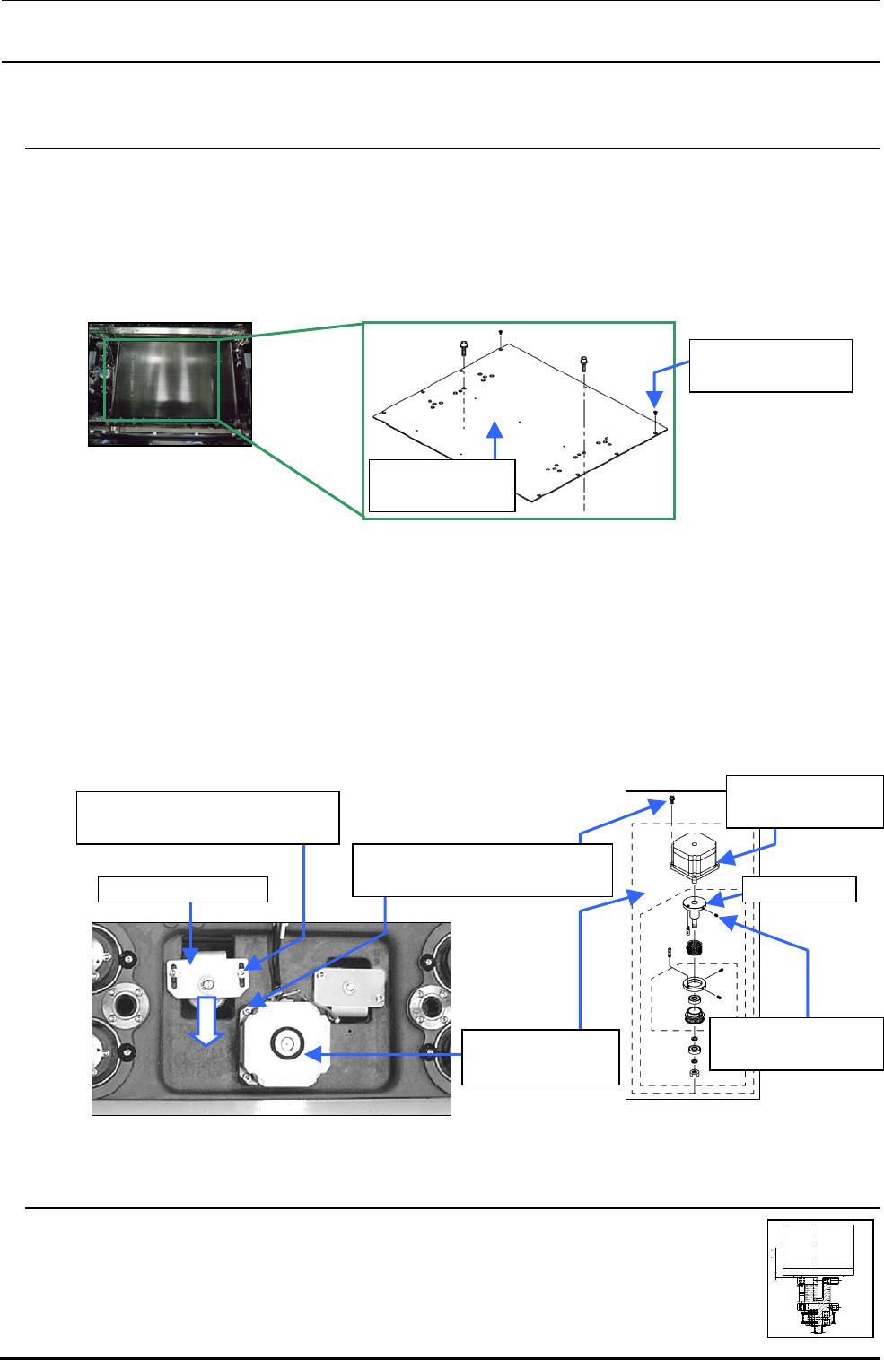
5-12. 支撑台编码器的更换
1) 与 5-11.支撑台马达更换一样,卸下支撑台。
2) 拧松②固定螺丝,向箭头方向移动①张力支承组件,松开同步皮带的张力。
3) 拧松④固定螺丝,取出③编码器架组件。
4) 拧松编码器的附属螺丝(⑥圆螺丝)和⑦固定螺丝,卸下⑤BU ENC 组件。
5) 按照 4)~1)的程序进行组装。
参照 5-11 章 支撑台马达的更换,调整支撑台的平面度。
更换后,用 MS 参数计取得支撑台偏差值。
图 5-12-1 输送机底座组件(L)
图 5-12-2 BU ENC 组件
②SL6051492TN
带垫片内六角螺栓 M5×14
①40000937
张力支承组件
④SL6051492TN
带垫片内六角螺栓 M5×14
⑤E94337290A0
BU ENC组件
⑥SM8040802TP
固定螺钉 M4×8
③40000934
编码器托架组件
⑦SL6030692TN
带垫片内六角螺栓 M3×6