FX-3_Maintenance_Rev2_C - 第61页
Rev 2.00 维修调整要领书 5-17 5-14 . 自动基板宽度调整 5-14-1 . AWC 电动机的更换 1 ) 请拆下电动机中转电线的插头。 2 ) 拧松电动机支架 ② 的定位螺钉 ③ ,请将驱动皮带从电动机皮带轮 ④ 中拆下。 3 ) 请拧松电动机定位螺钉 ⑤ ,拆下电动机 ① 。 4 ) 请从电动机皮带轮 ④ 中拆下电动机。 5 ) 请按 4 )~ 1 )的顺序进行安装。安装时请保证电动机轴的端面和 ④ 皮带轮的端面一致…

Rev 2.00
维修调整要领书
5-16
图 5-13-2 电磁阀组件
【更换零件一览表】
货号 品名 货号 品名
1
※
1
PV150209000
5-PORT SOLENOID VALVE
7
※
1
PV150209000
5-PORT SOLENOID VALVE
2 PV150209300
5-PORT SOLENOID VALVE
8 PV150209300
5-PORT SOLENOID VALVE
3 PV150209300
5-PORT SOLENOID VALVE
9 PV150209300
5-PORT SOLENOID VALVE
4 40047772 WAIT-L SENSOR ASM 10 40047775 WAIT-R SENSOR ASM
5 40047774 STOP-L SENSOR ASM 11 40047777 STOP-R SENSOR ASM
6 40047773 COUT-L SENSOR ASM 12 40047776 COUT-R SENSOR ASM
表 5-13-2 用于电路板定位孔基准
※
1
对于标准规格,电磁阀 EN 机时追加 PV150209000。
※
2
图中的 BU(EN)、SHAPE Y、STOPPER 是电磁阀。WAIT、STOP、C-OUT 是传感器放大器。
②
【用传送装置L】 【用传送装置R】
①
③
④
⑤
⑥
⑧
⑦
⑨
⑩
⑪
⑫

Rev 2.00
维修调整要领书
5-17
5-14. 自动基板宽度调整
5-14-1. AWC电动机的更换
1) 请拆下电动机中转电线的插头。
2) 拧松电动机支架②的定位螺钉③,请将驱动皮带从电动机皮带轮④中拆下。
3) 请拧松电动机定位螺钉⑤,拆下电动机①。
4) 请从电动机皮带轮④中拆下电动机。
5) 请按 4)~1)的顺序进行安装。安装时请保证电动机轴的端面和④皮带轮的端面一致。
6) 请增加驱动皮带的张力。
• 驱动皮带的张力的调整方法
皮带的中央部(参照下图)用 UNITTA 制皮带张力计进行测量。
① 对张力计的输入值 重量:002.5
宽度:009.0
长度:0133
② 调整值 25±2.5N·m
图 5-14-1-1 AWC 电动机
在这个位置用张力计进
行测量
①E94347290A0
自动调宽电动机组件

Rev 2.00
维修调整要领书
5-18
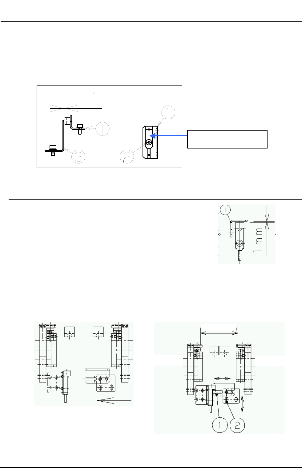
5-14-2. AWC原点传感器的更换
1) 拧松②螺钉,从①AWC 原点传感器支架中取出 AWC 原点传感器并进行更换。
2) 安装须保证③AWC 传感器配件与 AWC 原点传感器的间隙为 1 ㎜。
图 5-14-2-1 AWC 原点传感器
5-14-3. 传送限制干涉传感器的更换
1) 将传感器限位器与输送止动器干涉传感器的间隙调整为
1mm。
2) 传感器配件的组装位置
缩小传送宽度,使传感器配件靠近传送限制干涉传感器,传感器开(LED 亮灯)后,再沿箭头的方
向移动 1mm 的位置进行固定。
图 5-14-3-1 传感器配件的间隙
① 电源开时在按下紧急停止按钮的状
态下,用手动使传送宽度变窄。
② 把传感器配件(①)向左方移动,当传感器
LED 亮灯后再靠近 1mm。
传送宽度 50mm
『基准侧』 『从动侧』
40002120
自动调宽原点传感器组件