FX-3_Maintenance_Rev2_C - 第75页
Rev 2.00 维修调整要领书 9-3 9-2 . 滤清器的更换 1 ) 以便把滑动部下降,以便把主体向左或右转动 45 度然后拔下来三 。 2 ) 更换空气滤清器侧的滤清器 B 时,向左转动固定滤清器 B 的树脂零件就可以卸下来 。 3 ) 更换微喷雾器侧的滤清器时,把滤清器向左转动就可以卸下来 。 4 ) 安装时,请按照相反的程序进行 。 注 ) 作业之前,请关闭蝶阀。 滤清器的寿命为 2 年或压力下降到 0.1MPa (1kgf…

Rev 2.00
维修调整要领书
9-2
<设置步骤>
图 9-1-1-1 数字压力开关
1) 显示模式和磁滞模式的设定
① 持续按
2秒钟以上。显示变为 。(变为显示颜色设定模式)
② 用
或 使成为 的显示,按 。(以 SW ON 设定为緑色显示)
③ 用
或 使成为 的显示,按 。(变为磁滞设定模式)
④ 用
或 使成为 的显示,按 。(设定为正常开启动作)
⑤ 用
或 使成为 的显示,按 。(响应时间设定为 2.5ms 以下)
⑥ 用 或 使成为 的显示,按 。(设定为手动设置模式)
⑦ 在此,显示出现数字,回到测定模式。
2) 测量标准的设定(阈值和磁滞)
① 请在测定模式的状態下按
。 和当前的阈值将交替显示。
② 如按
或 ,数字的最后位闪烁,持续按住则数值增加或減小。
③ 如按
,正在闪烁的数位向右迁移。
④ 请通过②、③的操作使显示成为 ,按 键 2 秒钟以上。(阈值设定为 0.400MPa)
⑤
和当前的设定值将交替显示。请按 。
⑥
和当前的磁滞将交替显示。
⑦ 如按
或 ,数字的最后位闪烁,持续按住则数值增加或減小。
⑧ 如按
,正在闪烁的数位向右迁移。
⑨ 请通过⑥和⑧操作使显示成为
,按 键 2 秒钟以上。(磁滞设定为 0.050MPa)
⑩ 到此已回到测定模式。设定到此结束。
『△』按钮 『▽』按钮
LED显示
『SET』按钮

Rev 2.00
维修调整要领书
9-3
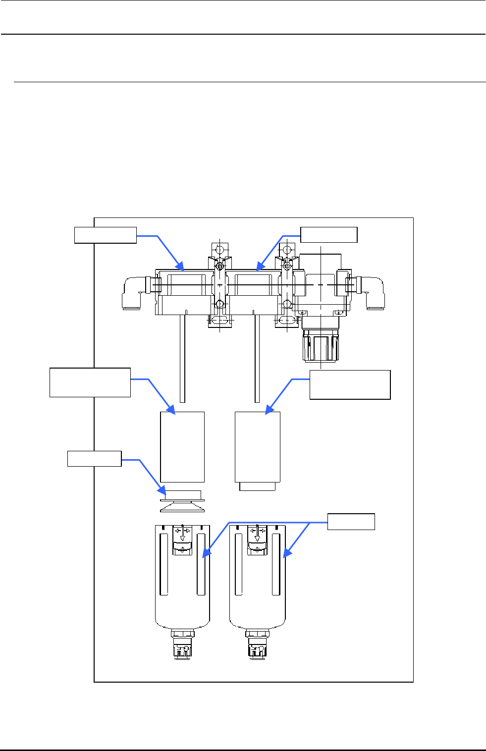
9-2. 滤清器的更换
1) 以便把滑动部下降,以便把主体向左或右转动45度然后拔下来三。
2) 更换空气滤清器侧的滤清器B时,向左转动固定滤清器B的树脂零件就可以卸下来。
3) 更换微喷雾器侧的滤清器时,把滤清器向左转动就可以卸下来。
4) 安装时,请按照相反的程序进行。
注) 作业之前,请关闭蝶阀。
滤清器的寿命为 2 年或压力下降到 0.1MPa (1kgf/cm
2
) 后。
图 9-2-1 滤清器
图 9-2-1 滤清器
空气滤清器 微喷雾器
PF901006000
滤清器B
PF901010000
滤清器
树脂零件
滑动部

Rev 2.00
维修调整要领书
9-4
9-3. 数字压力开关(负压)的更换
1) 请确认真空泵未在运行。
2) 拆下螺钉两处取下保护罩 SB_A(开闭保护罩),请打开。
3) 从数字压力开关上拆下φ6 气管和连接器。
4) 旋转供料器开关支架 C 背面的树脂部件,卸下数字压力
开关。
5) 装配时请按照相反的顺序进行。
图 9-3-1 护罩 SB_A(正面图)
图 9-3-2 数字压力开关
9-3-1. 数字压力开关(负压)的调整
更换数字压力开关后,请进行以下设置。
压力开关阈值 :-60.0kPa
磁滞差动 :0.50kPa
显示色方式 :压力开关 OFF 时为绿色
动作方式 :磁滞方式
压力开关输出形态 :正规开(超过阈值则 ON)
响应时间 :2.5ms 以下
自动预调设置 :手动设置
设置按下述步骤进行。
护罩SB_A
40045958
DIGITAL PRESSURE SW
树脂固定座
供料器开关支架C