FX-3_Maintenance_Rev2_C - 第90页
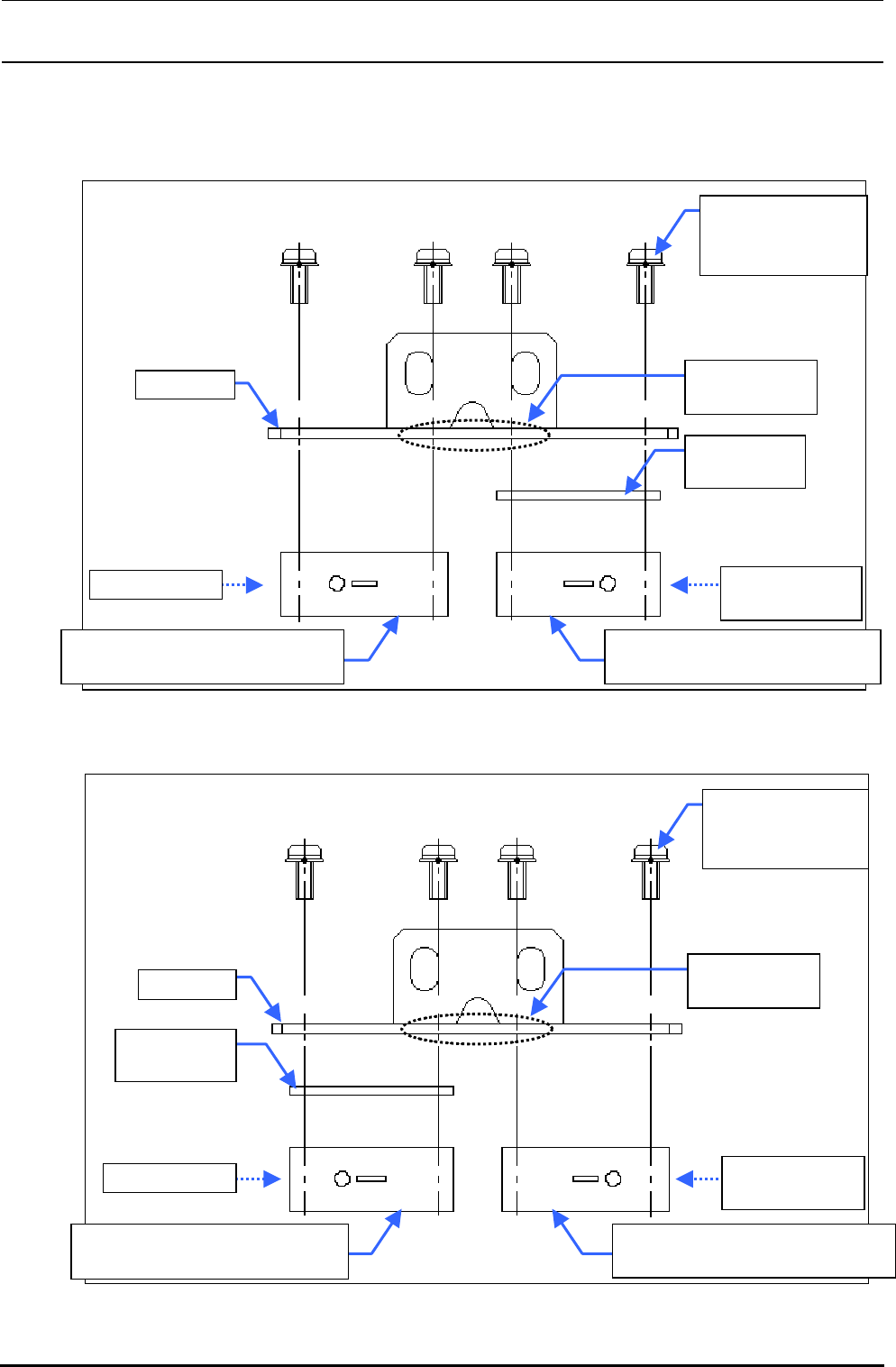
Rev 2.00 维修调整要领书 11-2 2 ) 更换卸下的支架的传感器 。 ①FSD 支架(左前) 图 11-2 FSD 支架(左前) ②FSD 支架(右前) FSD 支架 SL4031481SC 带垫片内六角螺栓 M3 × 14 E2157729000 FSD 调整垫 40002131 供料器浮起传感器 (FF) 受光组件 40002132 供料器浮起传感器 (FR) 投光组件 EA9500B0100 束线箍 确认用 LED 侧 …

Rev 2.00
维修调整要领书
11-1
危险
为了防止突然的起动造成事故,请关掉电源之后再进行操作。
11 供料器浮动传感器的更换·调整
1) 在 FX-3 中传感器被按下图所示进行配置。
每次拆卸支架的时候传感器的高度都需要调整。
只更换传感器时从 4)项开始操作。
图 11-1 送料器浮动传感器的配置
贴片机俯视图
后侧
左内侧 右内侧 左内侧 右内侧
左前侧 右前侧 左前侧 右前侧
受
受
受
受
投
投
投
投
投
受 投
受 投
受 投
受
前侧
(机器外侧)
(传送路侧)
(传送路侧)
(机器外侧)

Rev 2.00
维修调整要领书
11-2
2) 更换卸下的支架的传感器。
①FSD 支架(左前)
图 11-2 FSD 支架(左前)
②FSD 支架(右前)
FSD支架
SL4031481SC
带垫片内六角螺栓
M3×14
E2157729000
FSD调整垫
40002131
供料器浮起传感器(FF)受光组件
40002132
供料器浮起传感器(FR)投光组件
EA9500B0100
束线箍
确认用LED侧
确认用的LED·
灵敏度调整侧
FSD支架
SL4031481SC
带垫片内六角螺栓
M3×14
E2157729000
FSD调整垫
40002133
供料器浮起传感器(FR)受光组件
40002130
供料器浮起传感器(FF)投光组件
EA9500B0100
束线箍
确认用LED侧
确认用的LED·
灵敏度调整侧
图 11-3 FSD 支架(右前)

Rev 2.00
维修调整要领书
11-3
③FSD 支架(左内)
图 11-4 FSD 支架(左内)
④FSD 支架(右内)
图 11-5 FSD 支架(右内)
FSD支架
SL4031481SC
带垫片内六角螺栓
M3×14
E2157729000
FSD调整垫
40002134
供料器浮起传感器(RF)投光组件
40002137
供料器浮起传感器(RR)受光组件
EA9500B0100
束线箍
确认用的LED·
灵敏度调整侧
确认用LED侧
FSD支架
SL4031481SC
带垫片内六角螺栓
M3×14
E2157729000
FSD调整垫
40002136
供料器浮起传感器(RR)投光组件
40002135
供料器浮起传感器(RF)受光组件
EA9500B0100
束线箍
确认用的LED·
灵敏度调整侧
确认用LED侧