Vakuum Tooling AMKOR X4 OS Applikation - 第19页
SOKO 1 Nachrüstanleitung Vakuum-Tooling AMKOR (00188501-01) SIPLACE X4 / OS-Applikation Ausgabe 03/2006 19 1 Abb. 1.1 1 - 3 Anschluss Wartungseinheit 1 1 1 1 1 1 1 X1qa +24V (Kle mme 21-2 7) X1qa PE (K lemme 1- 3) X1qa G…

1 Nachrüstanleitung Vakuum-Tooling AMKOR (00188501-01) SIPLACE X4 / OS-Applikation SOKO
Ausgabe 03/2006
18
Elektrischer Anschluss der Wartungseinheit 1
1
Abb. 1.11 - 2 Verkabelung Wartungseinheit
1

SOKO 1 Nachrüstanleitung Vakuum-Tooling AMKOR (00188501-01) SIPLACE X4 / OS-Applikation
Ausgabe 03/2006
19
1
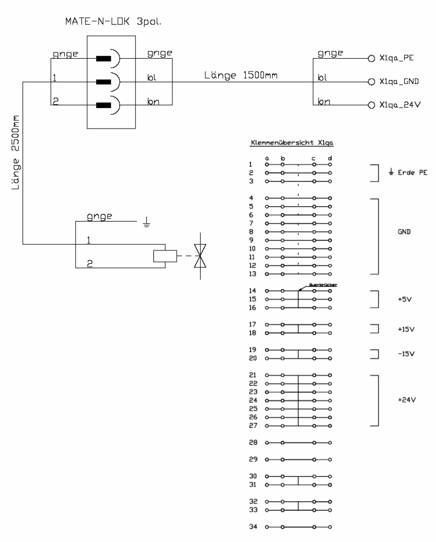
Abb. 1.11 - 3 Anschluss Wartungseinheit
1
1
1
1
1
1
1
X1qa +24V (Klemme 21-27)
X1qa PE (Klemme 1-3)
X1qa GND (Klemme 4-13)

1 Nachrüstanleitung Vakuum-Tooling AMKOR (00188501-01) SIPLACE X4 / OS-Applikation SOKO
Ausgabe 03/2006
20
1.8.2 Verschlauchung innerhalb der Maschine
1
Druckluftschlauch von
Wartungseinheit
Verlegung Druckluftschlauch
im Kabelkanal (Bestückbereich 1)
Demontage Verkleidung
Kabelkanal (BB 1)
Kabel- und Schlauchverle-
gung im Bestückbereich 2