P-195-001e - 第169页
MEMO

MODEL TCM-3000Z-2
0108-001
166
Key No. PART No. PART NAME Q’ty REMARKS
NOTE
9-1
50 630 000 0269 SENSOR,PHOTO(CONNECTOR) 1 628F--03H-025
51 411 119 1909 WASHER V 3X7X0.5 2 FW3 F
52 411 086 4408 WASHER SPR 3 2 SW3 F
53 411 041 8908 SCR PAN 3X6 2 M3X6 PAN
81 630 048 8821 PLATE(BELT CLIP) 1 628F--03B-019
82 630 000 7565 BOLT,HEX-SCT 4 M3X20
83 411 140 9905 NUT HEX 3 4 M3

MEMO

MODEL TCM-3000Z-2
0108-001
168
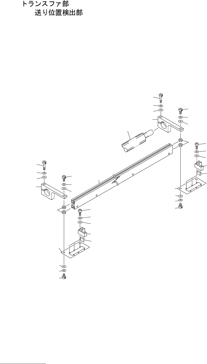
TRANSFER SECTION
Fig. 9-2
Transfer Position Detector
1
2
3
4
5
8
7
6
9
10
10
10
12
13
14
15
15
16
19
19
18
18
17
17
See Fig.9-1
See Fig.9-1
Key No.12
9
1
2
3
4
8
7
6
15
15
16
16
19
18
17
12
13
14