P-195-001e - 第46页
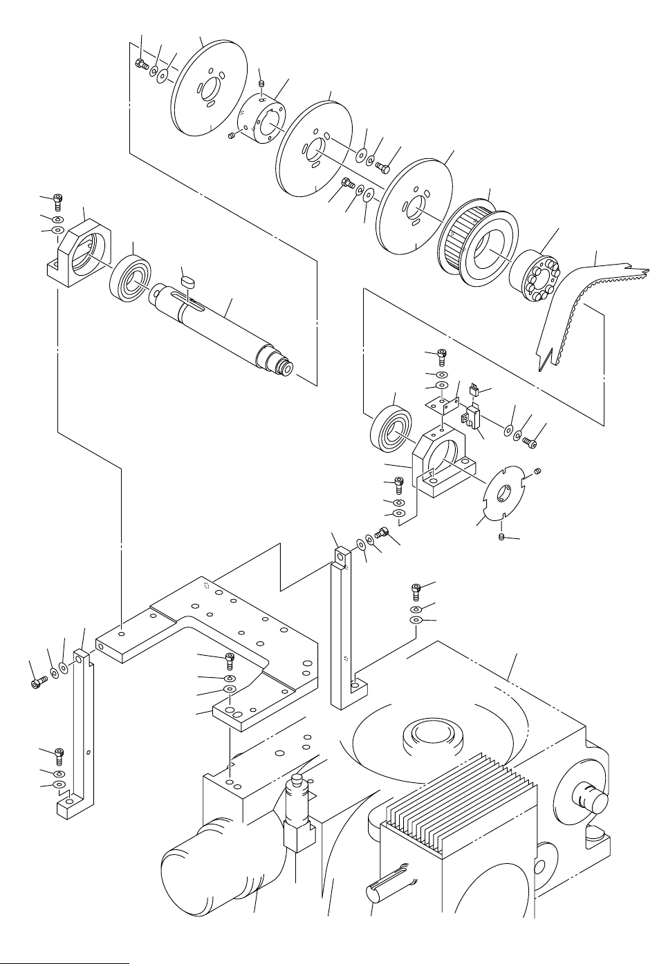
MODEL TCM-3000Z-2 0108-001 44 ࡋ࠶࠼㚟േㇱ HEAD DRIVING SECTION Fig. 3-9 ࠞࡓゲ㧙 2 Cam Shaft-2 12 12 1 3 1 4 1 5 1 6 17 17 1 8 19 19 2 0 2 1 2 6 2 2 23 23 24 24 2 5 27 27 28 28 2 9 3 0 3 3 3 2 3 1 41 41 42 42 4 3 4 4 4 5 4 6 47 4…

MODEL TCM-3000Z-2
0108-001
43
Key No. PART No. PART NAME Q’ty REMARKS
NOTE
3-8
1 630 048 4724 BASE 1 628KB-03B-024
2 630 048 7435 GUIDE,LINEAR 1 628KB-03H-013
3 630 048 4687 PLATE 1 628KB-03B-023
4 411 141 4008 WASHER V 4X9X0.8 2 FW4
5 411 141 2905 WASHER SPR 4 2 SW4
6 630 000 7640 BOLT,HEX-SCT 2 M4X14
7 411 141 3902 WASHER V 3X7X0.5 8 FW3
8 411 141 2806 WASHER SPR 3 8 SW3
9 630 000 7510 BOLT,HEX-SCT 8 M3X8
10 630 048 4762 SPACER 1 628KB-03B-025
11 630 091 2999 MOTOR,AC-SERVO 1 SVM6(CZ), #SGMAH-01AAA21
628KB-03H-016
12 411 141 4008 WASHER V 4X9X0.8 2 FW4
13 411 141 2905 WASHER SPR 4 2 SW4
14 630 000 7626 BOLT,HEX-SCT 2 M4X10
15 630 003 1621 COUPLING 1 628KB-03H-015
16 630 048 4779 BRACKET 1 628KB-03B-026
17 630 071 0397 BALL SCREW 1 628KB-03H-014
18 630 000 7633 BOLT,HEX-SCT 4 M4X12
19 630 000 8043 BOLT,HEX-SCT 2 M8X35
20 630 000 7626 BOLT,HEX-SCT 2 M4X10
21 630 048 7527 SHOCK ABSORBER 2 628KB-03H-017
22 630 048 4717 PLATE 1 628KB-03B-028
23 411 141 3902 WASHER V 3X7X0.5 2 FW3
24 411 141 2806 WASHER SPR 3 2 SW3
25 630 000 7510 BOLT,HEX-SCT 2 M3X8
26 630 057 4036 BRACKET 1 628KB-03B-027
27 630 000 0245 SENSOR,PHOTO 3 PHS9, PHS10, PHS11
628KB-03H-011
28 630 000 0269 SENSOR,PHOTO(CONNECTOR) 3 628KB-03H-012
29 411 088 9005 WASHER F 3X6X0.5 6 FWS3 F
30 411 086 4408 WASHER SPR 3 6 SW3 F
31 411 162 1604 SCR PAN 3X20 6 M3X20 PAN
33 411 141 4008 WASHER V 4X9X0.8 2 FW4
34 411 141 2905 WASHER SPR 4 2 SW4
35 630 000 7626 BOLT,HEX-SCT 2 M4X10
51 630 001 0244 WASHER 2 628KB-03H-018
52 411 141 3100 WASHER SPR 8 2 SW8
53 630 000 8036 BOLT,HEX-SCT 2 M8X30

MODEL TCM-3000Z-2
0108-001
44
ࡋ࠶࠼㚟േㇱ HEAD DRIVING SECTION
Fig. 3-9 ࠞࡓゲ㧙 2 Cam Shaft-2
12
12
13
14
15
16
17
17
18
19
19
20
21
26
22
23
23
24
24
25
27
27
28
28
29
30
33
32
31
41
41
42
42
43
44
45
46
47
47
48
48
49
49
34
1
11
10
9
2
3
4
5
8
7
6
See Fig.2-1
See Fig.2-1
Key No.1
20
19
18
28
28
33
33
32
32
31
31
5
4
3
8
7
6
2-1
2-1
35
Fig.3-9
TCM-3100J-2
TCM-3100J

MODEL TCM-3000Z-2
0108-001
45
Key No. PART No. PART NAME Q’ty REMARKS
NOTE
3-9
1 630 056 1739 PLATE 1 628K--03B-001
2 630 056 1760 STAY(1) 1 628K--03B-006
2 -1 630 056 1777 STAY(2) 1 628K--03B-094
3 411 141 4503 WASHER V 8X17X1.6 2 FW8
4 411 141 3100 WASHER SPR 8 2 SW8
5 630 000 8029 BOLT,HEX-SCT 2 M8X25
6 411 141 4503 WASHER V 8X17X1.6 2 FW8
7 411 141 3100 WASHER SPR 8 2 SW8
8 630 000 8043 BOLT,HEX-SCT 2 M8X35
9 411 141 4701 WASHER V 10X21X2 4 FW10
10 411 141 3209 WASHER SPR 10 4 SW10
11 630 000 8142 BOLT,HEX-SCT 4 M10X35
12 630 056 1746 SHAFT 1 628K--03B-004
13 630 041 1034 KEY 1 628K--03H-046
14 630 056 1753 RING 1 628K--03B-005
15 630 000 8982 SET SCREW 2 M6X8 SET
16 630 061 3513 CAM (04) 1 628K--03B-074
17 630 058 3502 CAM (05) 1 628K--03B-075
18 630 029 1391 WASHER 6 628K--03H-048
19 411 008 2109 WASHER SPR 5 6 SW5 F
20 630 052 0927 BOLT,HEX (7T) 6
21 630 048 7305 PULLEY,TIMING 1 628K--03H-003
22 630 058 3489 CAM (03) 1 628K--03B-073
23 630 029 1391 WASHER 3 628K--03H-048
24 411 008 2109 WASHER SPR 5 3 SW5 F
25 630 052 0927 BOLT,HEX (7T) 3
26 630 049 0060 MECH PARTS(MECHA LOCK) 1 628K--03H-007
27 630 049 0046 BELT,TIMING 1 628K--03H-005
28 630 049 0107 BEARING,RADIAL 2 628K--03H-010
29 630 048 6940 SUPPORT 1 628K--03B-002
30 630 048 6957 SUPPORT 1 628K--03B-003
31 411 141 4503 WASHER V 8X17X1.6 4 FW8
32 411 141 3100 WASHER SPR 8 4 SW8
33 630 000 8043 BOLT,HEX-SCT 4 M8X35
34 630 052 1566 DISK 1 628K--03B-085
35 630 000 8944 SET SCREW 2 M5X6 SET
41 630 048 7183 BRACKET 1 628K--03B-026
42 630 032 5287 SENSOR,PHOTO 1 PHS61 628K--03H-042
43 630 000 0269 SENSOR,PHOTO(CONNECTOR) 1 628K--03H-043
44 411 119 1909 WASHER V 3X7X0.5 2 FW3 F
45 411 086 4408 WASHER SPR 3 2 SW3 F
46 411 042 0703 SCR PAN 3X8 2 M3X8 PAN
47 411 141 4107 WASHER V 5X10X1 2 FW5
48 411 141 6705 WASHER SPR 5 2 SW5
49 630 000 7756 BOLT,HEX-SCT 2 M5X12