00195161-02 Caccia DE - 第82页
1 Caccia Bedienungskurzanleitung CACCIA Handbuch Ausgabe 04/2007 80 Abb. 1 - 52 1 Wire CA T5 Verteiler (03040219-01) Abb. 1 - 53 1 Wire Portal Platine (03042214-01) 2 Eingang CA T 5 Kabel vom RS 232 Inte rface Eingang 24…

CACCIA Handbuch 1 Caccia Bedienungskurzanleitung
Ausgabe 04/2007
79
Bestandteile des One Wire Bus 1
Baugruppen:
(1) 1 Wire RS232- Bridge auf dem SUB/MAIN Modul (später integriert im E/A Modul)
(2) 1 Wire CAT5 Portal am Schleppinterface (Platine zwischen CAN Bus und Schleppinterface)
(3) 1 Wire CAT5 Verteiler
(4) 1 Wire Hub Pipettenwechsler
(5) Steuerplatine Pipettenwechsler (im PPW integriert, nicht bei DLM Köpfen)
(6) 1 Satz Temperatursensoren (kann nur komplett getauscht werden, da Seriennummer-
abhängig)
(7) Portalerkennung (EEPROM)
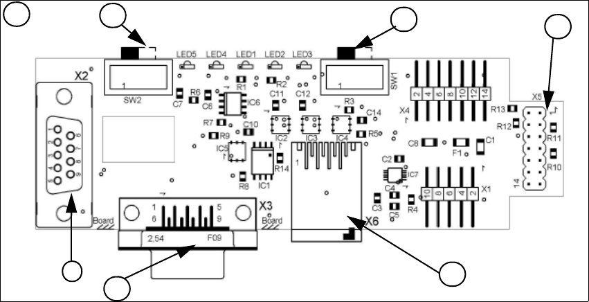
Abb. 1 - 51 1 Wire RS232 Interface (03041578-01)
(1) CAN Bus Interface zum E/A Modul (2) RS 232 Interface
(3) CAN Bus interface zur Maschine (4) Schalter muss je nach Funktionsstand des E/A
Modul stehen
(5) Schalter MA / PC Schalter muss
auf MA (Maschine) stehen
(6) Anschluß CAT5 Kabel
LED 1 PPW 1/3 LED 2 Temperatursensoren
LED 3 PPW 4/2 LED 4 Grün "OK"
LED 5 Grün "Fehler"
4
1
2
3
1
5
6

1 Caccia Bedienungskurzanleitung CACCIA Handbuch
Ausgabe 04/2007
80
Abb. 1 - 52 1 Wire CAT5 Verteiler (03040219-01)
Abb. 1 - 53 1 Wire Portal Platine (03042214-01)
2
Eingang CAT 5 Kabel
vom RS 232 Interface
Eingang 24 V
für PPW
Ausgang
CAT5 zum
PPW HUB
Portal 3oder 4
Ausgang CAT 5
zur 1 Wire Por-
talplatine
Ausgang
CAT5 zum
PPW HUB
Portal 1oder 2
3
Schalter: Position unten Portal 1/2
Position oben portal 3/4
Diese Platine, sitzt direkt auf dem CAN
Bus-Stecker am Schleppinterface.
Anschluß CAT5 Kabel vom 1 Wire CAT5
Verteiler
X2 Verbindung zum zweiten Portal im
Bestückbereich.

CACCIA Handbuch 1 Caccia Bedienungskurzanleitung
Ausgabe 04/2007
81
Abb. 1 - 54 1 Wire HUB PPW (03041473-02)
Hinweis
Der Schalter für die Stellplatzcodierung (nur HF) wird in Zukunft entfallen. Die Codierung, an wel-
chem Stellplatz der Pipettenwechsler installiert ist, erfolgt hardwaremäßig im Stecker des jeweili-
gen Stellplatzes (X112 / X122 / X132 / X142) bei der HF und SIPLACE X. 1
(1) Eingang CAT 5 Kabel vom CAT 5
Verteiler
(2) SUB-D Stecker Option (Abwurfbehälter)
(3) Anschluss PPW 1 (4) Anschluss PPW 2
recht Seite: Anzeige (2 LED‘s) für PPW C&P6/12
Lichtschranke PPW offen/geschlossen und Ventil PPW offen/geschlossen für jede Reihe
linke Seite: Anzeige (2 LED‘s) für die Option Abwurfbehälter
Gelbe LED: Abwurfbehälter für Bauelemente angeschlossen
Grüne LED: Abwurfbehälter für Pipetten angeschlossen
4
1
2
3
4