YSM40R_100_KMB_cwd_je - 第16页
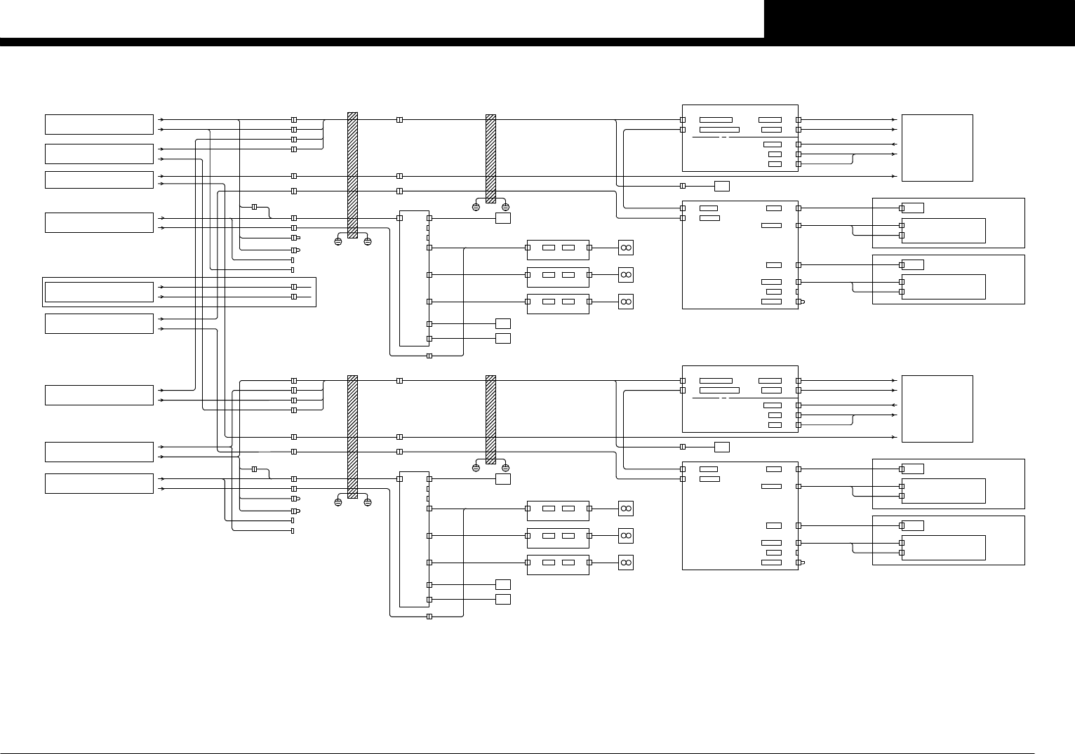
Confidential & Proprietary P A G E CN2 HP CN2 CN1 CN6 CN7 CN8 MOTOR PWR IC PWR DO IN SELECT HEAD T YPE DO IN DO0 DO1 CN3 HP CN1 HP CN3 DO OUT CN31 J0251 CN43 J0044 I/O CONVEYOR -3- 48V/24 V/EMG IC POW 48V POW CN4 HP …

Confidential & Proprietary
PAGE
J0005
J0007
S10
KM11 A1 KM11 A2
U53
V53
U53
V53
V55
W55W53
U55
W53
KM11 21
KM11 53
KM11 22
KM11 54
J0006
J0063
J0255
SRV C/R 1
POWER CIRCUIT -2-
POWER CIRCUIT -1-
QF51
CN38
NF11
POWER CIRCUIT -1-
I/O CONVEYOR -3-
See Page 3
See Page 2See Page 2
21 22
73 74
83 84
53 54
A1 A2
1/L1
5/L3
4/T2
6/T3
2/T1
3/L2
61 62
KM11/KM11A
J0309
CN14
I/O CONVEYOR -1- KM11 74KM11 73
KM11 62KM11 61
KM12 A1 KM12 A2
KM12 22
+48VA +48VC
KM12 54
KM12 21
KM12 53
J0065
KM14 22
KM14 A2KM14 A1
+48VA +48VD
KM14 54
KM14 21
KM14 53
A1 A2
21 22
54
1/L1 2/T1
53
5/L3
3/L2 4/T2
6/T3
73 74
83 84
61 62
KM12/KM12A
KM12 62KM12 61
S11
KM13 A1 KM13 A2
U53
V53
W53
U53
V53
W57
V57
U57
KM13 21
KM13 53
KM13 22
KM13 54
J0008
J0064
J0803 *1
SRV C/R 2
POWER CIRCUIT -2-
POWER CIRCUIT -1-
QF52
See Page 2
See Page 3
KM13/KM13A
KM13 74KM13 73
21 22
73 74
83 84
53 54
A1 A2
1/L1
5/L3
4/T2
6/T3
2/T1
3/L2
61 62 J0257KM13 62KM13 61
KM15 A1
KM15 21
KM15 53
KM15 22
KM15 A2
KM15 54
+48VB +48VE
A1 A2
21 22
54
1/L1 2/T1
53
5/L3
3/L2 4/T2
6/T3
73 74
83 84
61 62
A1 A2
21 22
54
1/L1 2/T1
53
5/L3
3/L2 4/T2
6/T3
73 74
83 84
61 62
KM14/KM14A
KM15/KM15A
KM15 74KM15 73
KM15 62KM15 61
KM14 61 KM14 62
KM12 54
KM14 54
SAFE UNIT
KM IN/OUT
NC/CART
J0261
KM10 14
KM10 24
KM10 A1
KM10 A2
KM10 T11
KM10 T12
A2
A1
T11
T12
13
23
33
41
14
24
34
42
T22
T31
T32
T21
DC
LOGIC
KM10
AC
K1
CH1 CH2
K2
KM10 T31
KM10 T32
KM10 T22
KM10 13
KM10 23
See Page 11
See Page 9
W53
J0070
KM16 A2KM16 A1
S12
U5A J0807 *1
ATS PWR
POWER CIRCUIT-3-
See Page 4
V5A
U53
V53
U53
V53
W5A
KM16 13 KM16 14
KM17 13 KM17 14
KM17 A1 KM17 A2
S13
V5B
U5B
ATS PWR
J0808 *1
KM17/KM17A
FDR 0V
KM17 74
KM17 84KM17 83
KM17 73
A1 A2
73 74
83 84
54
1/L1
3/L2
5/L3
2/T1
4/T2
6/T3
63
53
64
13 14
U65
FDR PWR
U6B
KM17 14 ADAPTER PARTS SUPPLY
CART+24V
KM16/KM16A
KM16 84
KM16 74KM16 73
KM16 83
U6AU65
KM16 14
POWER CIRCUIT-3-
See Page 4
POWER CIRCUIT-3-
See Page 4
J0809 *1
U53
V53
W5BW53
W53
W53
J0804 *1
A1 A2
73 74
83 84
54
1/L1
3/L2
5/L3
2/T1
4/T2
6/T3
63
53
64
13 14
W65 W6A
W65 W6B
Note : *1 is attached when exchangeble adapter parts supply is chosen.
PUMP KM
J0050
POWER CIRCUIT -2-
See Page 3QF55
QF54
CV C/R
POWER CIRCUIT -2-
See Page 3
J0260
J0263
ADAPTER PARTS SUPPLY
CART EMG
QF42/43
XT42
QF34
See Page 2
POWER CIRCUIT -3-
See Page 4
POWER CIRCUIT -1- J0806 *1
J0049
J0366
CN21
I/O CONVEYOR -2-
See Page 10
CN3
I/O CONVEYOR -1-
See Page 9
J0310
J0328
J0362
FDR KM
PUMP RELAY
FDR RELAY
KA01
KA01 13
KA01 9
KA01 14
KA01 10
KA01 5
KA01 1
KA01 6
KA01 2
1
513
9
14
15
16
2
3
4
6
7
8
10
11
12
KA01 15
KA01 11
KA01 16
KA01 12 KA01 4
KA01 8
KA01 3
KA01 7
T0100003
T0100004
T01000A5
T01000A6
J0363
J0367
KM31
S31
A1 A2
1/L1
3/L2
5/L3
2/T1
4/T2
6/T3
13 14
U61
V61
W61
U62
V62
W62
KM31 A1 +24C
KM31 13 +24V KM31 14 KMON
KM31 A2 0V
POWER CIRCUIT -1-
See Page 2
J0013POWER CIRCUIT -1-
See Page 2
QF32
J0012
VACUUM PUMP
See Page 17,18
See Page 17,18
CC.V0
12
SAFETY UNIT
YSM40R-2

Confidential & Proprietary
PAGE
CN2
HP CN2
CN1
CN6
CN7
CN8
MOTOR PWR
IC PWR
DO IN
SELECT HEAD TYPE
DO IN
DO0
DO1
CN3
HP CN1
HP CN3
DO OUT
CN31
J0251
CN43
J0044
I/O CONVEYOR -3-
48V/24V/EMG
IC POW
48V POW
CN4
HP CN4J0401
CAMERA SEL POW
J0071
FLEXIBLE
HI CN6
HI CN7
HI CN8
POW BOARD ASSY P041
I/O BOARD ASSY P042
LAN
LAN
CAM
CN4
J0302
1IN
JB1 X ORGX JUNC INJ0322
JUNCTION BOX
CN4CAM1
CN7LIGHT1
CN11 DC24V
CN5 CAMOUT
CAMOUT
CSEL CN11
FIDUCIAL CAMERAD.CAM1
CN1
CAM
N01002C2
CAM1
LIGHT1
FIDUCIAL CAMERA
J0751
J0180
J0405
J0409
J0413
J0417
J0705
J0713
XC OT
HA EMG
H EMG
J0277
CAMERA SELECTOR
SYSTEM C/R
J0701
J0702
J0701
J0702
VISION1 CAM2
VISION1 CAM4
HA+24V
XA DI
XA OT
X OT
J0268
BASE CAMSEL A CAM2
BASE CAMSEL B CAM2
J0666
FLEXIBLE
J0075
J0182
J0707
J0668
J0349J0306
CN9
I/O CONVEYOR -1-
HEAD A I/O UNIT ASSY
HEAD A CAMERA SELECTOR P043
XA-AXIS ORIGIN
HEAD A/B CAM(SIDE VIEW Spec.)
DUCT XA
DUCT YA
SQ007
See Page 11
See Page 9
See Page 17
See Page 7
FIDUCIAL CAMERA
CN1
CAM
CN9LIGHT2
CN6CAM2 D.CAM2
CAM2
LIGHT2
FIDUCIAL CAMERA
J0752
J0714
BOARD ASSY
FID.MAIN LIGHT
CN2
LIGHT L
TEMP L
LAN
LAN
HP CN2
CN2 CN1
CN6
CN7
CN8
MOTOR PWR
IC PWR
DO IN
SELECT HEAD TYPE
DO IN
DO0
DO1
CN3
HP CN1
HP CN3
DO OUT
POWER CIRCUIT -2-
48V/24V/EMG
IC POW
48V POW
CAMERA SEL POWCN4
HP CN4
See Page 3
HI CN8
HI CN7
HI CN6
J0072
J0067
J0069
J0402
FLEXIBLE
CN4CAM1
CN7LIGHT1
CN11 DC24V
CN5 CAMOUT
CAMOUT
CSEL CN11
FIDUCIAL CAMERA
CN1
CAM
CAM
1IN
JUNCTION BOX
JB1 X ORGX JUNC IN
CN5
J0303
N01002D5
D.CAM3
J0753
POW BOARD ASSY P044
I/O BOARD ASSY P045
CAM1
LIGHT1
FIDUCIAL CAMERA
J0181
J0323
J0406
J0410
J0414
J0418
J0706
J0715
QF54/XT31
QF55/XT31
I/O CONVEYOR -3-
CN44
CN32
J0045
J0252
XD OT
FLEXIBLE
J0669
J0076
J0183
J0708
H EMG
HB EMG
J0278
XB DI
HB+24V
J0269
X OT
XB OT
J0306
CN9
I/O CONVEYOR -1-
J0350
J0667
XB-AXIS ORIGIN
HEAD B I/O UNIT ASSY
HEAD B CAMERA SELECTOR P046
DUCT YB DUCT XB
SQ008
See Page 11
See Page 9
2
3
EL01
FIDUCIAL LIGHT
HEAD LEFT
CN2
FIDUCIAL LIGHT
EL02
HEAD RIGHT
P102
P101
TEMP R
LIGHT R
FIDUCIAL CAMERA
CN1
CAM
CN9LIGHT2
CN6CAM2 D.CAM4
J0754
CAM2
LIGHT2
FIDUCIAL CAMERA
J0716
P104
FIDUCIAL LIGHT
EL04
HEAD RIGHTCN2
TEMP R
CN2
TEMP L
LIGHT R
TEMP L
BOARD ASSY
FID.MAIN LIGHT
FIDUCIAL LIGHT
EL03
HEAD LEFT
P103
FID.LIGHT BRD.ASSY
FID.LIGHT BRD.ASSY
CN8CAM3
CN10LIGHT3
LIGHT3
J0781
CN8CAM3
CN10LIGHT3
LIGHT3
J0782
7
JB7 X OT1
N0100447
SQ029
XA-AXIS OVER TRAVEL 1
8
JB8 X OT2
XT75
N0100450
Y FAN2
SQ030
XA-AXIS OVER TRAVEL 2
2
3
JB6 Y FAN
6 PNPCN2 CN1NPN
PNP CHANGER BRD ASSY
Y FAN
JB5 X FAN
PNPCN2 CN1NPN
PNP CHANGER BRD ASSY
X FAN
5
PNPCN2 CN1NPN
PNP CHANGER BRD ASSY
4
Y FAN2JB4 Y FAN2
Y FAN
X FAN
Y FAN
N01002C5
N01002C6
N01002A2
J0341
J0345
J0346
YA2 MOTOR
XA MOTOR
YA1 MOTOR
4
JB5 X FAN
PNPCN2 CN1NPN
PNP CHANGER BRD ASSY
JB5 X FAN
PNPCN2 CN1NPN
PNP CHANGER BRD ASSY
X FAN
5
JB6 Y FAN
6 PNPCN2 CN1NPN
PNP CHANGER BRD ASSY
Y FAN
Y FAN2
X FAN
Y FAN
Y FAN
N01002A3
N01002E0
N01002E1
J0342
J0347
J0348
YB2 MOTOR
XB MOTOR
YB1 MOTOR
8
JB8 X OT2
XT76
N0100456
Y FAN2
SQ032
XB-AXIS OVER TRAVEL 2
7
JB7 X OT1
N0100455
SQ031
XB-AXIS OVER TRAVEL 1
FY FAN2
XC DI
F HEAD
FH LAN
HC+48V
HC+24V
HC EMG
F HEAD
R HEAD
HD EMG
HD+24V
HD+48V
RH LAN
R HEAD
XD DI
RY FAN2
MU HEAD See Page 14
FL HEAD See Page 15
FL HEAD See Page 15
MU HEAD See Page 14
H POW/EMG
H POW/EMG
SYSTEM C/R
REMOTE I/F LAN2
REMOTE I/F LAN1
J0178
J0179See Page 7
P134
P132
P133
P137
P135
P136
FAN 18
FAN 22
FAN 23
FAN 24
FAN 25
FAN 19
LINEAR SCALE
XP
SQ143
XA-AXIS
LINEAR SCALE
XP
SQ144
XB-AXIS
INC ENC FX
INC ENC RX
SERVO C/R
See Page 8
J0113
J0116
FXP
RXP
CC.V0
13
HEAD
YSM40R-2

Confidential & Proprietary
PAGE
HEAD IO CN7,8
LAN
HEAD
HEAD POW CN3
HEAD IO CN6
DO OUT
HEAD PANEL MOUNT
P.SIG
DO1
LAN
DO OUT J0505
P.SIG J0502
DO1 J0504
CN7 DO
CN6 S-POWER
CN1OPTION IF
ETHER INCN8A
ETHER OUTCN8B
CN2VAC
HEAD SERVO UNIT ASSY-1
HS1 CN1
HS1 CN2
J0517
HS1 CN6
HS1 CN7
J0516
SRV BOARD ASSY P071
J0506
CN1 AIR MACS BOARD ASSY
CN1 AIR MACS BOARD ASSY
AIR MACS LEFT
AIR MACS RIGHT
MACS1
MACS2
P077
P078
CN5DI2
CN3DI1
J0513
HS CN5
HEAD POW CN1
P+48V P+48V J0501
MOTOR 1 CN1MOTOR POW
MOTOR 2
CN1INC ENC 1
CN2INC ENC 2
CN3
CN4
BATTERYCN8
CN5
CN4
SER ENC1
SER ENC2
HD1 CN1
HE1 CN2
HE1 CN4
HE1 CN1
MU HEAD FAN
CN5 FAN
FAN
HD1 CN5
HD1 CN4
DRV BOARD ASSY P072
ENC BOARD ASSY P073
FAN 42
CN7 DO
CN6 S-POWER
CN1OPTION IF
ETHER INCN8A
HEAD SERVO UNIT ASSY-2
ETHER OUTCN8B
CN2VAC
HS2 CN6
HS2 CN7
SRV BOARD ASSY P074
HS2 CN2
J0509
J0508
J0507
J0503
□40 MAX 2000rpm
MAX 1.2m/s
Z8-AXIS 6W
MAX 1.2m/s
Z7-AXIS 6W
MAX 1.2m/s
Z3-AXIS 6W
MAX 1.2m/s
Z2-AXIS 6W
MAX 1.2m/s
Z1-AXIS 6W
M31
M32
M33
M37
M38
M41
R1-AXIS 30W
CN5DI2
CN3DI1
J0514
HS CN5
MOTOR 1 CN1MOTOR POW
MOTOR 2
CN1INC ENC 1
CN2INC ENC 2
CN3
CN4
BATTERYCN8
CN5
CN4
SER ENC1
SER ENC2
HD2 CN1
HE2 CN1
HE2 CN2
HE2 CN4
CN5 FAN
HE2 CN5
J0515
HD2 CN5
HD2 CN4
DRV BOARD ASSY P075
ENC BOARD ASSY P076
J0510
J0511
J0512
R2-AXIS 30W
□40 MAX 2000rpm
Z10-AXIS 6W
MAX 1.2m/s
MAX 1.2m/s
Z9-AXIS 6W
MAX 1.2m/s
Z6-AXIS 6W
MAX 1.2m/s
Z5-AXIS 6W
MAX 1.2m/s
Z4-AXIS 6W
M34
M35
M36
M39
M40
M42
FLOW1
SQ211
HEAD 1
AIR FLOW SENSOR
FLOW2
SQ212
AIR FLOW SENSOR
HEAD 2
FLOW3
SQ213
AIR FLOW SENSOR
HEAD 3
FLOW4
SQ214
AIR FLOW SENSOR
HEAD 4
FLOW5
SQ215
AIR FLOW SENSOR
HEAD 5
FLOW6
SQ216
AIR FLOW SENSOR
HEAD 6
FLOW7
SQ217
AIR FLOW SENSOR
HEAD 7
FLOW8
SQ218
AIR FLOW SENSOR
HEAD 8
FLOW9
SQ219
AIR FLOW SENSOR
HEAD 9
FLOW10
SQ220
AIR FLOW SENSOR
HEAD 10
VAC PRE.
SQ221
VACUUM
PRESSURE
VAC PRE.
YV219
YV217
YV215
YV213
YV211
YV229
YV227
YV225
YV223
YV221
YV218
YV216
YV214
YV212
YV228
YV226
YV224
YV222
YV220
YV230
YV231
HEAD1 BLOW
HEAD10 BLOW
HEAD9 BLOW
HEAD8 BLOW
HEAD7 BLOW
HEAD6 BLOW
HEAD5 BLOW
HEAD4 BLOW
HEAD3 BLOW
HEAD2 BLOW
HEAD2 VACUUM
HEAD3 VACUUM
HEAD4 VACUUM
HEAD5 VACUUM
HEAD6 VACUUM
HEAD7 VACUUM
HEAD8 VACUUM
HEAD9 VACUUM
HEAD10 VACUUM
HEAD1 VACUUM
SHAFT BLOW
Item nameItem No.
T1300700
T1300701
T1300702
T1300703
T1300704
T1300705
T1301700
T1301701
T1301702
T1301703
T1301704
T1302700
T1302701
T1302702
T1302703
T1302704
T1302705
T1303700
T1303701
T1303702
T1303703
HEAD A
T1304705
T1304704
T1304703
T1304702
T1304701
T1304700
T1305704
T1305703
T1305702
T1305701
T1305700
T1306705
T1306704
T1306703
T1306702
T1306701
T1306700
T1307703
T1307702
T1307701
T1307700
HEAD B
T1308705
T1308704
T1308703
T1308702
T1308701
T1308700
T1309704
T1309703
T1309702
T1309701
T1309700
T130A705
T130A704
T130A703
T130A702
T130A701
T130A700
T130B703
T130B702
T130B701
T130B700
HEAD C
T130C705
T130C704
T130C703
T130C702
T130C701
T130C700
T130D704
T130D703
T130D702
T130D701
T130D700
T130E705
T130E704
T130E703
T130E702
T130E701
T130E700
T130F703
T130F702
T130F701
T130F700
HEAD D
HEAD Position
The I/O Address table of MU HEAD
AIR FLOW1
AIR FLOW10
YV231
SHAFT
SHAFT BLOW
YV212
VAC 1
HEAD1 VACUUM
YV214
VAC 2
HEAD2 VACUUM
YV216
VAC 3
HEAD3 VACUUM
YV218
VAC 4
HEAD4 VACUUM
YV220
VAC 5
HEAD5 VACUUM
YV222
VAC 6
HEAD6 VACUUM
YV224
VAC 7
HEAD7 VACUUM
YV226
VAC 8
HEAD8 VACUUM
YV228
VAC 9
HEAD9 VACUUM
YV230
VAC 10
HEAD10 VACUUM
YV211
BLOW 1
HEAD1 BLOW
YV213
BLOW 2
HEAD2 BLOW
YV215
BLOW 3
HEAD3 BLOW
YV217
BLOW 4
HEAD4 BLOW
YV219
BLOW 5
HEAD5 BLOW
YV221
BLOW 6
HEAD6 BLOW
YV223
BLOW 7
HEAD7 BLOW
YV225
BLOW 8
HEAD8 BLOW
YV227
BLOW 9
HEAD9 BLOW
YV229
BLOW 10
HEAD10 BLOW
Z1P
Z2P
Z3P
ZML2
Z7P
Z8P
R1
Z4P
Z5P
Z6P
ZMR2
Z9P
Z10P
R2
See Page 13
CC.V0
14
MU HEAD
YSM40R-2