YSM40R_100_KMB_cwd_je - 第26页
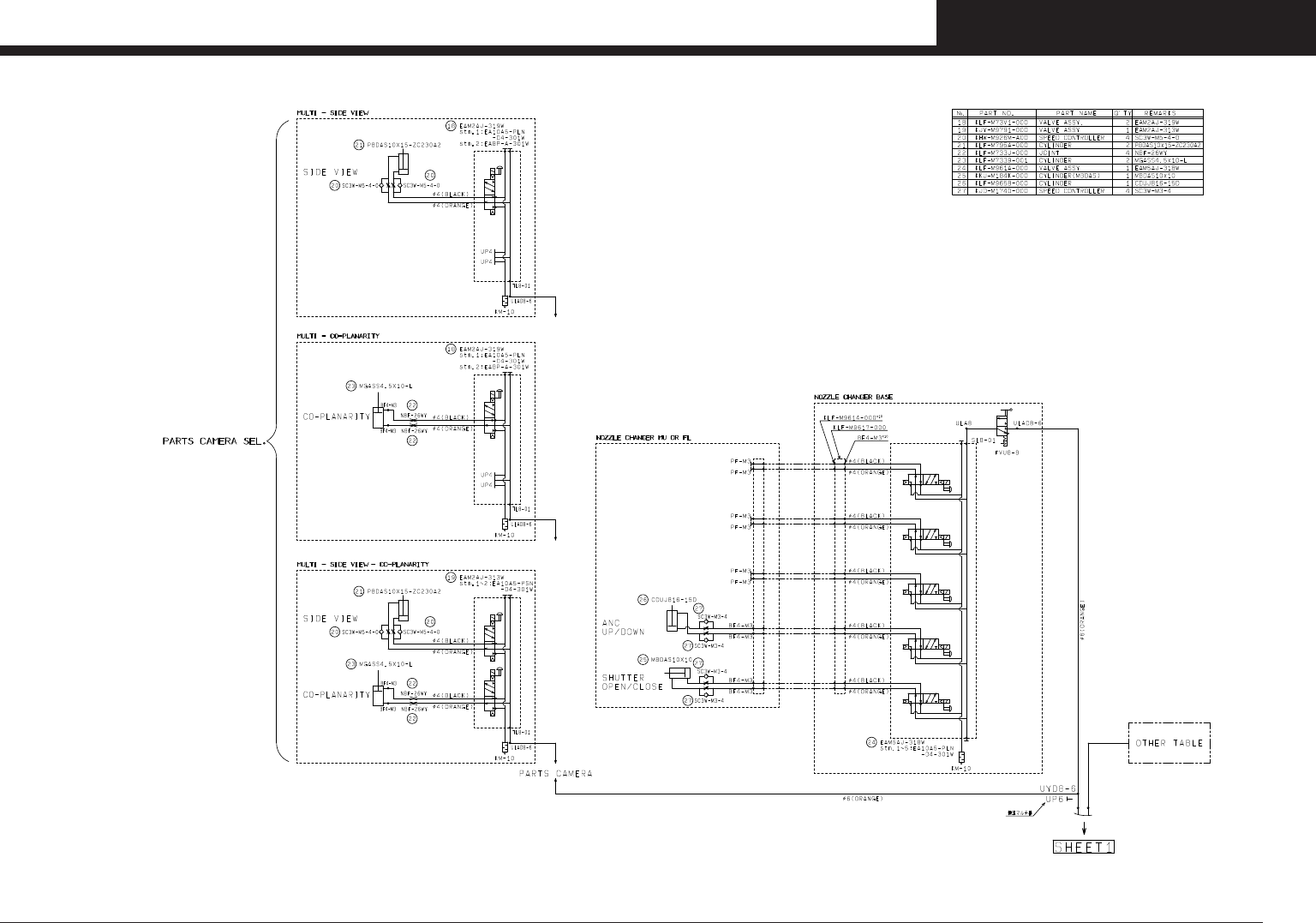
Condential & Proprietary H022792 Y SM40R - 2 P AGE 23 Air circuit R R R P 15 15 13 8 4 3 9 14 8 9 14 4 HEAD1 HEAD7 HEAD2 HEAD8 HEAD10 HEAD6 11 10 1 2 12 16 10 11 10 12 11 5 7 MU HEAD MACHINE V V V R VQ111U-5L0-X555 …

Condential & Proprietary
H022792
YSM40R
-
2
PAGE
22
Air circuit

Condential & Proprietary
H022792
YSM40R
-
2
PAGE
23
Air circuit
RRR
P
15
15
13
8
4
3
9
14
8 9
14
4
HEAD1
HEAD7HEAD2HEAD8HEAD10HEAD6
11
10
1
2
12
16
10
11
10
12
11
5
7
MU HEAD
MACHINE
VVV
R
VQ111U-5L0-X555
VQ111U-5L0-X555
VQD115W-5MO-X1
AXT1197-7A-03
PFMV530F-1-N-X927
PSE541-M3
VQD115W-5MO-X1
RR
NO. PARTS NO. PARTS NAME DESCRIPTION
1 KLF-M7150-A10 VALVE,ASSY. 1 .
2 KLF-M7150-B00 VALVE,PRESS. 1 .
3 KLF-M712A-000 TUBE(TUS0425N) 6 .
4 KLF-M712B-000 TUBE(TUS0425N) 4 .
5 KLF-M712C-000 TUBE(TUS0425N) 7 .
6 KLF-M712C-000 TUBE(TUS0425N) 4 .
7 KLF-M712D-000 TUBE(TUS0425N) 1 .
8 KLF-M7104-002 PLATE,MANIFOLD 1 .
9 KLF-M7108-001 BASE,MOTOR 1 .
10
5 .
11
3 .
12
2 .
13
10 .
14
2 .
15
2 .
16
1 .

Condential & Proprietary
H022792
YSM40R
-
2
PAGE
24
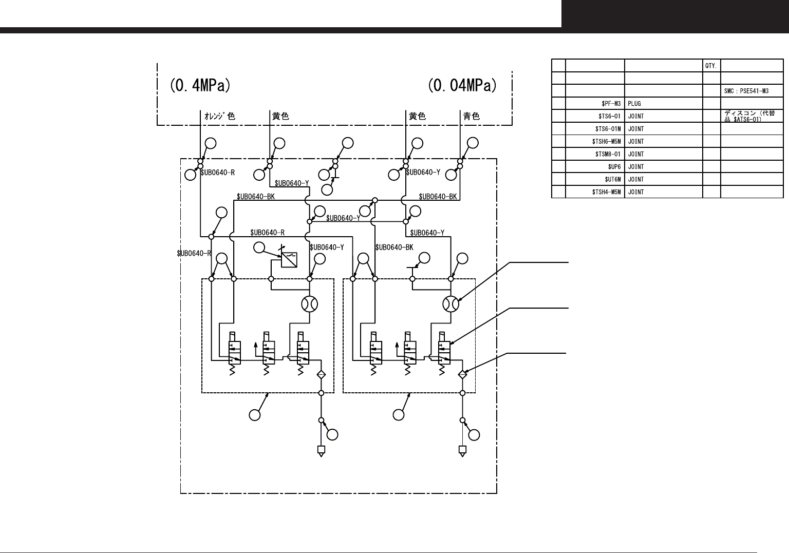
Air circuit
3
5
5
66
P
1
1
99
9
9
8
4 4 4 44
7
7
7
7 7
KLF-M7156-000
KLF-M7153-000
KLF-M654D-000
R
R
P1 P2
V V
MACHINE
FL HEAD
HEAD2 HEAD1
10
10
TUS0425N TUS0425N
P1 P2 V
A
P1 P2 V
A
2
NO. PARTS NO. PARTS NAME DESCRIPTION
1 KLF-M7450-A10 VALVE, ASSY. 2 .
2 KLF-M654C-000 SENSOR PRESS. ASSY 1
3 1 .
4
5
5 2 .
6
4 .
7
5 .
8
1 .
9
4
10
2 .