YSM40R_100_KMB_cwd_je - 第5页
Confidential & Proprietary P A G E V10 U10 W50 V50 U50 U60 V60 W60 MAX690V/40A L2 L3 L1 T3 T2 T1 ・On the cover under the fr ont cent er the right side. ・On the cover under the fr ont righ t side. ・On the cover under …

Confidential & Proprietary
PAGE
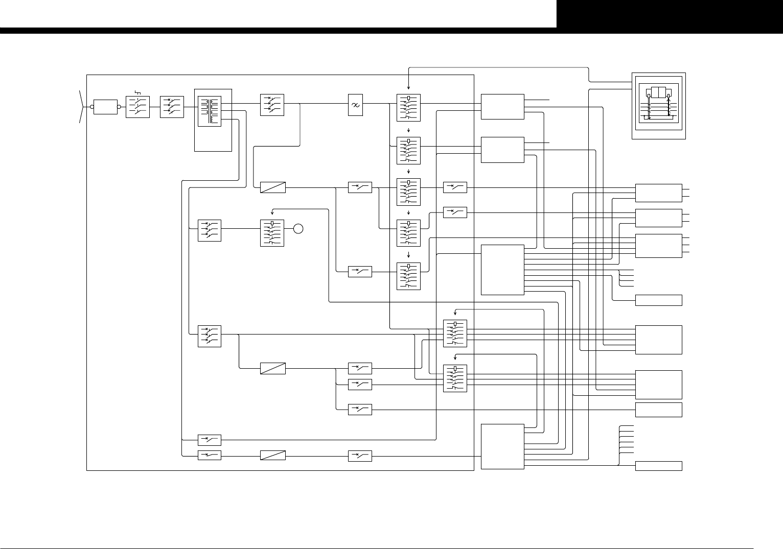
POWER CIRCUIT
QF22 7A
See Page 2-4
GS21 600W 27A
XB11
Terminal
Main Switch
QS11 40A
Main Breaker
QF11 40A
POWER TRANSFORMER
Transformer
TERMINAL
TM11
380/400/416V
200/208/220/240
3∼ 50/60Hz
Rating 13.9KVA MAX
See Page 20
3∼ 7KVA
1∼ 2KVA
Circuit
Protector
QF31 set10A
Power Supply
GS31 600W 12.5A
(6-10A)
NF11
Filter
QF51 10A
QF52 3A
Noise
Contactor
Contactor
Contactor
Contactor
Contactor
KM11/KM11A
KM13/KM13A
KM12/KM12A
KM14/KM14A
KM15/KM15A
QF54 5A
QF55 5A
INPUT:
MOTOR :3∼ 230V
SERVO CONTROL BOX 1
CONTROL:1∼ 110V
A02
OUTPUT :3∼ 200V
INPUT:
MOTOR :3∼ 230V
SERVO CONTROL BOX 2
CONTROL:1∼ 110V
A03
OUTPUT :3∼ 200V LAN
LAN
LAN
LAN
QF21 7A Power Supply
QF41 20A
COM
CN1-CN19 …Page 9
CN20-CN30 …Page 10
CN31-CN45 …Page 11
Each Motors
Each Motors
Z,R MOTOR
SENSOR,VALVE
DC48V
DC24V
HEAD A
LAN
Z,R MOTOR
SENSOR,VALVE
DC48V
DC24V
HEAD B
LAN
IONIZER ASSY(OPTION)
See Page 19
COVER S/W
EMG S/W
VALVE
SENSOR
FAN
SIGNAL TOWER
Safety Relay
EMERGENCY CIRCUIT
KM10
K1
CH1 CH2
K2
See Page 5-6
MU HEAD See Page 14
FL HEAD See Page 15
FL HEAD See Page 15
MU HEAD See Page 14
See Page 8
See Page 8
Circuit
Protector
(2.5-4A)
QF34 set3A
Contactor
KM16/KM16A
Contactor
KM17/KM17A
Power Supply
GS22 600W 25A
QF43 7A
QF42 7A
LAN
COM
FRONT ADAPTER PARTS SUPPLY
FES46
EXCHANGEABLE ATS
EXCHANGEABLE FES46
1∼ 212V
3∼ 230V
DC24V
LAN
COM
REAR ADAPTER PARTS SUPPLY
FES46
EXCHANGEABLE ATS
EXCHANGEABLE FES46
1∼ 212V
3∼ 230V
DC24V
See Page 17
See Page 18
DIP ST.(OPTION)
FDR SET ST.(OPTION)
QF44 3A
Protector
QF32 set2.5A
Circuit
(2.5-4A)
Contactor
KM31
VACUUM
PUMP
400W
M19
INPUT:
CONTROL:1∼ 110V
SYSTEM CONTROL BOX
A01See Page 7
COM
COM
COM
LAN
LAN
LAN
LAN
CV,W MOTOR
SENSOR
BATTERY
CONVEYOR CONTROLLER
DC48V
See Page 7
LAN
LAN
DC24V
BARCODE READER(OPTION)
PARTS CAMERA UNIT SEL.
TOUCH LCD
USB MEMORY
USB KEYBOARD(OPTION)
See Page 16
I/O CONVEYOR BOARD
See Page 11
CC.V0
1
OVER VIEW
YSM40R-2

Confidential & Proprietary
PAGE
V10
U10
W50
V50
U50
U60
V60
W60
MAX690V/40A
L2
L3
L1
T3
T2
T1
・On the cover under the front center the right side.
・On the cover under the front right side.
・On the cover under the front left side.
・On the cover under the rear center.
・On the cover under the front center.
・On the cover under the rear left side.
*The charge mark is put on the place
that might be gotten an electric shock.
・Lower of INCOMING SUPPLY TERMINAL BLOCKS XB11.
・Around J0001 harness.
・Near the MAIN SW QS11.
・Between INCOMING SUPPLY TERMINAL BLOCKS XB11 and MAIN SW QS11.
Residual risk
when MAIN SW QS11 is OFF.
High Voltage
*
・Secondary side of UPS.
and MAIN SW QS11.
!
J0654
J0653
J0652
T2
E37
2TURN
E36
2TURN
2TURN
E35 E01
Icu≧7.5kA(AC440V)
T1
S1
R1
QS11
MAIN SWITCH
BRACKET
J0001
MAX690V/40A
J0001
T1
S1
R1
NOTE:
QF11
L1
L2
L3
T2
T3
T1 R2
T2
S2
L3
L2
L1
3Φ 212V/230V 7KVA
TM11
1Φ 110V 2KVA
W
V
U
230V
230V
230V
0V
190V
200V
208V
220V
240V
0V
190V
200V
208V
220V
240V240V
220V
208V
200V
190V
0V
240V
220V
208V
200V
190V
0V
240V
220V
208V
200V
190V
0V
240V
220V
208V
200V
190V
0V
N
0V
0V
110V
110V
212V
212V
212V
R2
S2
XB11
J0002
J0651
L3
L2
L3
L2
L1
L1
PE
PE
See Page 3
GS31
POWER CIRCUIT -2-
J0019
J0020
J0021
J0022
J0023
J0024
J0025
J0026
J0027
See Page 20
MAX1000V/75A
J0005
W55
U55
V55
W53
U53
V53
V53
U53
W53
3/L2 4/T2
5/L3
1/L1 2/T1
6/T3
MAX690V/12A
KM11
EMERGENCY CIRCUIT
J0007
3/L2 4/T2
6/T3
2/T11/L1
5/L3
MAX690V/12A
U57
W57W53
U53
V57V53
EMERGENCY CIRCUIT
KM13
W53
U53
V53
J0006
J0008J0008
S1 AC230V
3
2
1
1
2
3
S1 AC100V
SERVO CONTROL BOX1
AC100V:
CONTROL
AC230V:
MOTOR
DRIVE
POWER
S2 AC230V
2
1
3
1
2
3
S2 AC100V
AC100V:
CONTROL
SERVO CONTROL BOX2
AC230V:
MOTOR
DRIVE
POWER
A02
A03
KM16/KM17
MOTOR PWR
J0803 *1
POWER CIRCUIT -3-
See Page 4
C-ATS
PUMP1
33
22
1 1
J0013 J0014
PUMP1
33
22
1 1
M19
400W
PUMP
VACUUM
See Page 3
GS21
POWER CIRCUIT -2-
J0036
J0035
1
2
3
SYS AC100V
SYSTEM CONTROL BOX
AC100V:
CONTROL
A01
A1
IF RAS RAS
A7
B7
A8
B8
・
B10
・
J0207
E38
1TURN
1TURN
E39
FRONT
LCD1
LCD2
REAR
TOUCH PANEL MONITOR
LCD1
LCD2
GS22
See Page 4
POWER CIRCUIT -3-
J0003
U50
V50
W50
U51
V51
W51
U51
W51
QF31 (6-10A)
set 10A
V60
J0009
U60
W60
QF32 (2.5-4A)
U61
V61
W61
set 2.5A
U65
U65
W60A
W60A
U60
W60
set 3A
QF34 (2.5-4A)
W65
W65
U10
V10
U11A
U11A
V10
V10
J0657
J0032
U11B
V10
XT21
J0033
V10
V10
QF22 7A
QF21 7A
V53
U53
W53
V51
U51
W51
J0655
E
6 3
25
4 1
MAX500V/20A
NF11
3/L2 4/T2
6/T3
2/T11/L1
5/L3
MAX690V/12A
KM31
U61
V61
W61
U62
V62
W62
SAFETY UNIT
J0004
J0028
J0012
J0034
At the UPS specification(OPTION)
UPS SIG
UPS ASSY GB1
IF RAS
SYSTEM C/R
33 34
41 42 4241
UPS RMT
UPS SIGNAL
XT21
QF21
UPS OUT
UPS OUT
UPS IN
U10A
V10A
J0913
U10B
V10B
U10B
V10B
TM11
0V
0V
110V
110V
UPS IN
QF61 15A
J0031
U10
V10
J0912
J0207
J0911
J0914
QS11A *2
Note : *2(Auxiliary contact) is attached to the QS11.
See Page 7
CTRL PWR
KM16A/KM17A
POWER CIRCUIT -3-
See Page 4
C-ATS
See Page 8
See Page 8
See Page 5-6
See Page 5-6
See Page 12
See Page 7
J0029
J0018
J0806 *1
J0031
W60
U60
J0011
≧AWG7
(10sq)
MAX660V/38A
VACUUM PUMP
CC.V0
2
POWER CIRCUIT -1-
YSM40R-2

Confidential & Proprietary
PAGE
CN1
CN41
2
1
+24V-42
CN41
2
1
CN1
+24V
2
1
I/O CONVEYOR BOARD ASSY
see Page 2
J0043
XT32
0V480V48
0V48
XT31
0V48
0V48
0V48
J0660
J0659
V10
U11B
J0034
J0041
2
1
+24VA1+24VA
QF41 20A
0V24A 0V24A
0V24A
XT41
+24VA
0V24A
600W 27A
-
-
V10
U11B
+
GS21
+
FG
N
L
QF22/XT21
POWER CIRCUIT -1-
J0046
See Page 5-6
MAX690V/12A
EMERGENCY CIRCUIT
J0064
KM15
5/L3
3/L2
1/L1 2/T1
4/T2
6/T3
QF52 3A
See Page 5-6
QF55 5A
MAX690V/12A
EMERGENCY CIRCUIT
+48VD
KM14
5/L3
3/L2
1/L1 2/T1
4/T2
6/T3
+48VD
U51 U51
W51
W51
See Page 5-6
QF54 5A
+48V
8200μF 80V
- +
C01
J0080
0V48
+48V
0V48
J0658
0V48
+48V
L
N
FG
-
-
+
+
GS31
600W 12.5A
MAX690V/12A
see Page 2
EMERGENCY CIRCUIT
J0063 +48VC
KM12
5/L3
3/L2
1/L1 2/T1
4/T2
6/T3
J0656
QF31
+48VC
QF51 10A
+48V
0V48
+48V
J0061
POWER CIRCUIT -1-
HC+48V
66
・・
2
1
2
1
J0067
HD+48V
66
・・
2
1
2
1
J0069
J0065
See Page 13
HEAD A POW BOARD ASSY
J0075
P041
J0071
A3
B3B3
A3
・ ・
B1
A1
B1
A1
CN2
GND+24V
+24V
GND+48V
+48V
HP CN2
See Page 13
HEAD B POW BOARD ASSY
J0076
P044
J0072
A3
B3B3
A3
・ ・
B1
A1
B1
A1
CN2
GND+24V
+24V
GND+48V
+48V
HP CN2
See Page 7
P091
A3
B3B3
A3
・ ・
B1
A1
B1
A1
J0070
CV C/R POW BOARD ASSY
CVP CN2 CN2
GND+24V
+24V
GND+48V
+48V
CV+24V
2
1
2
1
J0028
J0062
+48VG
+48VF
0V48
0V48
+48VE+48VB
+48VA
+48VA
+48VB
+48VA
+48V
・・
2
1
2
1
66
5 5
H POW/EMG
・・
2
1
2
1
66
5 5
H POW/EMG
See Page 9 - 11
CN44
P021
4
3
2
1
HD+24V
HB+24V
2
1
2
1
2
1
CN43
4
3
2
1
HC+24V
2
1
2
1
HA+24V
2
1
+24V-48
+24V-47
CN44
+24V-46
+24V-45
4
3
2
1
CN43
4
3
2
1
J0045
J0044
Peak 41.5A 5sec
MAX660V/38A
MAX660V/22A
MAX660V/22A
CC.V0
3
POWER CIRCUIT -2-
YSM40R-2