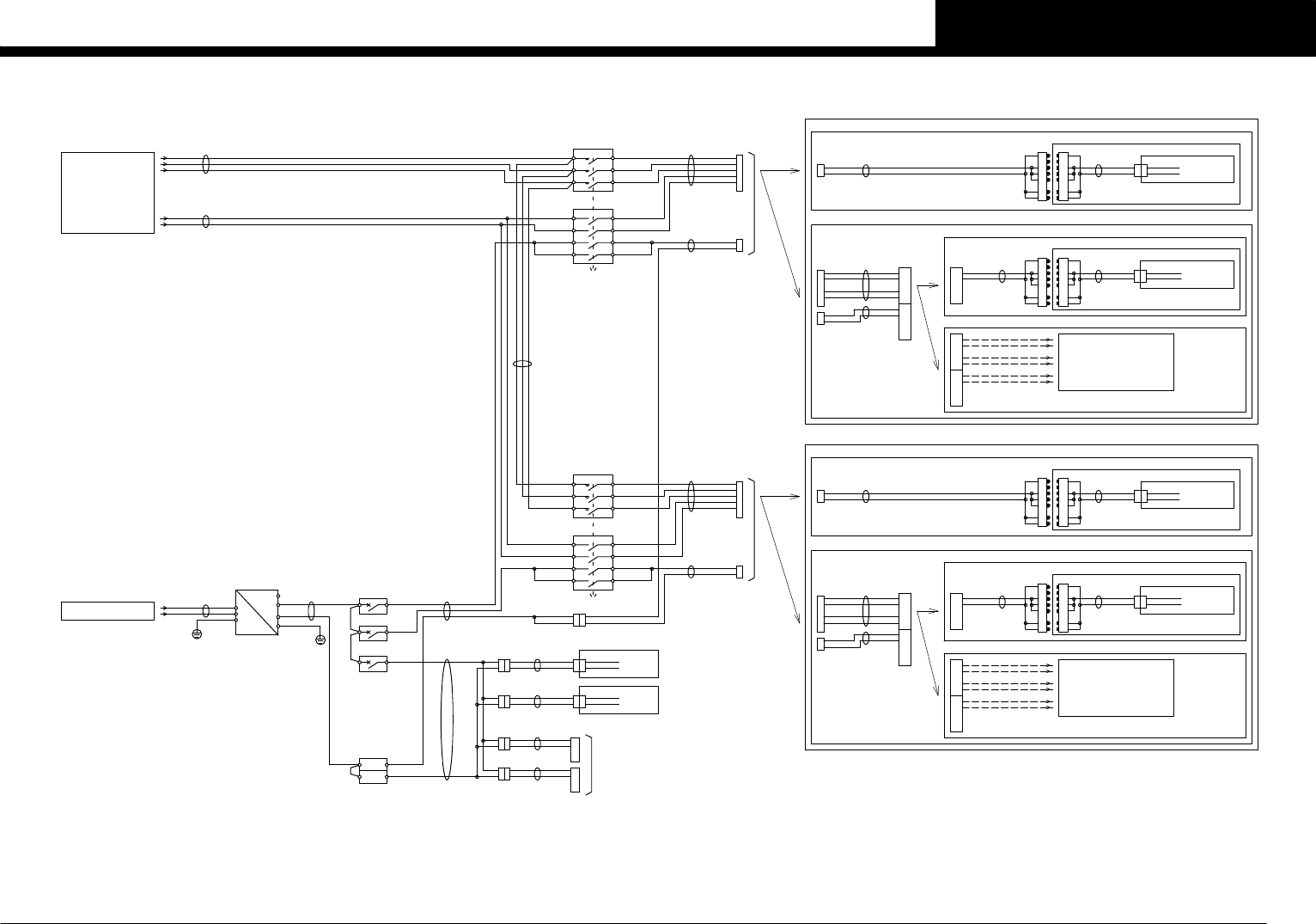
YSM40R_100_KMB_cwd_je - 第8页
Confidential & Proprietary P A G E I/O CONVEYOR BOARD ASSY P021 A1 B1 A2 B2 A3 B3 A1 B1 A2 B2 A3 B3 ・ ・ A5 B5 A6 B6 A7 B7 A8 B8 A9 A5 B5 A6 B6 A7 B7 A8 B8 A9 ・ ・ B13 A14 B14 A15 B15 A16 B16 A17 B17 B13 A14 B14 A15 B1…

Confidential & Proprietary
PAGE
POWER CIRCUIT -1-
See Page 2
QF34
CTRL PWR
KM13
MOTOR PWR
C-ATS
C-ATS U65
W65
W53
V53
U53
J0806 *1
J0803 *1
U65
W65
see Page 2
J0662
J0661
J0042 J0049
QF42 7A
+24VB1+24VB
GS22
+24VB
0V24B
600W 25A
+
+
-
-
FG
N
LPOWER CIRCUIT -1-
QF34
U65
W65
J0047
QF43 7A
+24VB2
J0048
QF44 3A
J0018
+24VB3
J0053
0V24B
0V24B
XT42
0V24B
0V24B
0V24B
J0804 *1
FRONT ADAPTER PARTS SUPPLY SEL.
P031
FDR CTRL BOARD ASSY
CN47
CN47
2
1
2
1
+24V
GND+24V
J1104
EXCHANGEABLE ADAPTER PARTS SUPPLY Spec.
PWR
11
・
10
5
4
3
2
1
PWR
11
・
10
5
4
3
2
1
FES46 FEEDER STRUCTURE
See C-ATS
INTERCONNECTION DIAGRAM
DC24V
AC212V
AC230V
ATS 1
ATS 2
2
E
D
C
B
A
E
D
C
B
A 1
PWR
11
・
10
5
4
3
2
1
PWR
11
・
10
5
4
3
2
1
+24V
J1104
P031
CN47
CN47
2
1
2
1
GND+24V
FDR CTRL BOARD ASSY
FES46 FEEDER STRUCTURE
RMV-C 2
2
E
D
C
B
A
EXCHANGEABLE C-ATS
EXCHANGEABLE TAPE CUTTER
J0821
FDR CTRL BOARD ASSY
CN47
CN47
2
1
2
1
+24V
GND+24V
See Page 18
EXCHANGEABLE ADAPTER PARTS SUPPLY Spec.
PWR
11
・
10
5
4
3
2
1
PWR
11
・
10
5
4
3
2
1
FES46 FEEDER STRUCTURE
See C-ATS
INTERCONNECTION DIAGRAM
DC24V
AC212V
AC230V
ATS 1
ATS 2
2
E
D
C
B
A
E
D
C
B
A 1
PWR
11
・
10
5
4
3
2
1
PWR
11
・
10
5
4
3
2
1
+24V
See Page 18
CN47
CN47
2
1
2
1
GND+24V
FDR CTRL BOARD ASSY
FES46 FEEDER STRUCTURE
RMV-C 2
2
E
D
C
B
A
EXCHANGEABLE C-ATS
EXCHANGEABLE TAPE CUTTER
REAR ADAPTER PARTS SUPPLY SEL.
J1109
J1109J0826
U5A
V5A
U6A
1
2
3
4
6
5
F ATS PWR
J0807 *1
W5A
W6A
U65
W65
See Page 5-6
V53
V53
U53
V53
V53
U53
KM16 74
KM16 84
KM16A
4/T23/L2
1/L1
5/L3
2/T1
6/T3
MAX690V/12A
J0050
F FDR PWR
2
1
53
63
73
83 84
74
64
54
KM16 83
KM16 73
EMERGENCY CIRCUIT
KM16
1
2
3
4
6
5
R ATS PWR
J0808 *1
U6B
U5B
V5B
W5B
W6B
U65
W65
See Page 5-6
W53
U53
V53
KM17 84
KM17 74
4/T23/L2
1/L1
5/L3
2/T1
6/T3
MAX690V/12A
KM17A
J0050
R FDR PWR
2
1
KM17
53
63
73
83 84
74
64
54
KM17 83
KM17 73
EMERGENCY CIRCUIT
FDR 0V
2
1
2
1
See Page 11
See Page 11
P183
P181
CN1CN1
CN1 CN1
J1007
J1001
R FDR ST BOARD ASSY(OPTION)
F FDR ST BOARD ASSY(OPTION)
R FDR ST
F FDR ST
2
1
2
1
2
1
2
1
2
1
2
1
GND+24V
+24V
2
1
2
1
GND+24V
+24V
P036
P036
See Page 17
See Page 17
FIX TAPE CUTTER + FES46 Spec.
FIX TAPE CUTTER + FES46 Spec.
2
1
J1102
J0814
J0813
FDR PWR
2
1
ATS PWR
5
6
4
3
2
1
CART 2
2
E
D
C
B
A
CART 1
E
D
C
B
A1
2
1
FDR PWR
2
1
ATS PWR
5
6
4
3
2
1
CART 2
2
E
D
C
B
A
CART 1
E
D
C
B
A1
J1107
J0818
J0819
FDR PWR
FDR PWR
1
2 2
1
1
2 2
1
F DIP ST1
R DIP ST1
J0378
J0379
DIP.STATION(OPTION)
1
2
・
15
1
2
・
15
DIP ST
DIP ST
J0051
Peak 83A 5sec
MAX660V/38A
CC.V0
4
POWER CIRCUIT -3-
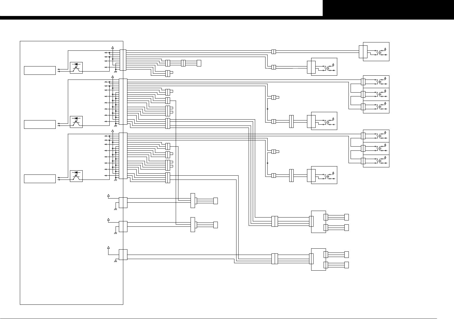
YSM40R-2

Confidential & Proprietary
PAGE
I/O CONVEYOR BOARD ASSY P021
A1
B1
A2
B2
A3
B3
A1
B1
A2
B2
A3
B3
・・
A5
B5
A6
B6
A7
B7
A8
B8
A9
A5
B5
A6
B6
A7
B7
A8
B8
A9
・ ・
B13
A14
B14
A15
B15
A16
B16
A17
B17
B13
A14
B14
A15
B15
A16
B16
A17
B17
CN38 CN38
+24V-36+24V-37+24V-38
ALL UNIT READY OUT
FRONT UNIT READY OUT
REAR UNIT READY OUT
ALL UNIT SERVO ON
FRONT UNIT SERVO ON
REAR UNIT SERVO ON
RL1
RL2
RL3
N0100430
N0100431
N0100432
T01000E1
T01000E2
T01000E3
+24V-33
EMERGENCY
FR GOOD OUT
FR GOOD IN
F GOOD OUT
F GOOD IN
R GOOD OUT
R GOOD IN
CIRCUIT -2-
1
2
3
4
1
2
3
4
F EMG SW
1
2
3
4
1
2
3
4
F COVER
FRONT EMG SW
FRONT COVER SW
SB21
SQ151
1
2
3
4
1
2
3
4
R EMG SW
1
2
3
4
1
2
3
4
R COVER
REAR EMG SW
REAR COVER SW
SB22
SQ152
See Page 6
A1
B1
A3
B3
A4
B4
・
A6
B6
A7
B7
・
A9
B9
A10
B10
・
A12
B12
A13
・
A1
B1
A3
B3
A4
B4
・
A6
B6
A7
B7
・
A9
B9
A10
B10
・
A12
B12
A13
・
CN35 CN35
・・
B13 B13
A15 A15
B15 B15
A16 A16
・
B28
・
B30
・
B28
・
B30
N01003F5
QF32,QF33
VACUUM PUMP BREAKER
N01003F2
F EMG SW
R EMG SW
N01003F3
F COVER SW
N01003F4
N01003F5
R COVER SW
1
2
3
4
1
2
3
4
QF32/33
S10
KM11 A1 KM11 A2
U53 U55
V53 V55
W53 W55
KM11 21
KM11 53
KM11 22
KM11 54
KM11/KM11A
KM11 73
KM11 62KM11 61
21 22
73 74
83 84
53 54
A1 A2
1/L1
3/L2
5/L3
2/T1
4/T2
6/T3
61 62
KM11 74
KM13 A1 KM13 A2
U53 U57
V53
W53 W57
KM13 21
KM13 53
KM13 22
KM13 54
V57
21 22
73 74
83 84
53 54
A1 A2
1/L1
3/L2
5/L3
2/T1
4/T2
6/T3
61 62
KM13/KM13A
KM13 74KM13 73
KM13 61 KM13 62
S11
KM15 A1
KM15 21
KM15 53
KM15 22
KM15 A2
KM15 54
+48VB +48VE
KM15/KM15A
KM15 74KM15 73
KM15 61 KM15 62
21 22
73 74
83 84
53 54
A1 A2
1/L1
3/L2
5/L3
2/T1
4/T2
6/T3
61 62
KM12 A1 KM12 A2
KM12 22
+48VA +48VC
KM12 54
KM12 21
KM12 53
21 22
73 74
83 84
53 54
A1 A2
1/L1
3/L2
5/L3
2/T1
4/T2
6/T3
61 62
KM12/KM12A
KM12 61 KM12 62
KM14 22
KM14 A2KM14 A1
+48VA +48VD
KM14 54
KM14 21
KM14 53
21 22
73 74
83 84
53 54
A1 A2
1/L1
3/L2
5/L3
2/T1
4/T2
6/T3
61 62
KM14/KM14A
KM14 62KM14 61
10
1
2
3
4
5
6
7
8
9
11
12
13
14
15
16
17
18
19
20
21
22
10
1
2
3
4
5
6
7
8
9
11
12
13
14
22
21
20
19
18
17
16
15
SAFE UNIT
KM10 A1
KM10 T12
KM10 T11
KM10 A2 A2
A1
T11
T12
13
23
33
41
14
24
34
42
T22
T31
T32
T21
KM10 T32
KM10 T31
KM10 T22
KM10 23
KM10 13 KM10 14
KM10 24
REAR ADAPTER PARTS SUPPLY SEL.
See C-ATS
B
A
・
ATS 5
F
INTERCONNECTION DIAGRAM
ATS EMG
EXCHANGEABLE C-ATS
・
1
8
9
・
1
8
9
CUNETCUNET
・
1
8
9B
A
F
・
RMV-C 5 ・
1
8
9
CUNETCUNET
FDR.CTRL.BOARD ASSY
1010
CN48
FET
CN48
1
・
8
9
1
・
8
9
SAFE0
SAFE1
FES46 FEEDER STRUCTURE
8
9
10
FET
SAFE0
SAFE1
8
9
10
・・
1
FDR.CTRL.BOARD ASSY
1
CN48CN48
FES46 FEEDER STRUCTURE
EXCHANGEABLE TAPE CUTTER
1
2
P036
P036
EXCHANGEABLE ADAPTER PARTS SUPPLY Spec.
DC
LOGIC
KM10
AC
K1
CH1 CH2
K2
2
1
CN14
2
1
CN14
・・
5
6
5
6
・・
9
10
12 12
9
10
1111
+24V-13+24V-14 +24E-1 IN+24E-2 IN+24V-51+24E-3 IN
10
1
2
3
4
5
6
7
8
9
11
12
13
14
18
17
16
15
10
1
2
3
4
5
6
7
8
9
11
12
13
14
18
17
16
15
KM IN/OUT
FIX TAPE CUTTER + FES46 Spec.
EMG
A
B
・
F
CART 5
1
2
EMG
1
2
EMG
A
B
・
F
CART 5
1
2
EMG
1
2
R FES EMG
See C-ATS
B
A
・
ATS 5
F
INTERCONNECTION DIAGRAM
ATS EMG
EXCHANGEABLE C-ATS
・
1
8
9
・
1
8
9
CUNETCUNET
・
1
8
9B
A
F
・
RMV-C 5 ・
1
8
9
CUNETCUNET
FDR.CTRL.BOARD ASSY
P031
1010
CN48
FET
CN48
1
・
8
9
1
・
8
9
SAFE0
SAFE1
FES46 FEEDER STRUCTURE
P031
8
9
10
FET
SAFE0
SAFE1
8
9
10
・・
1
FDR.CTRL.BOARD ASSY
1
CN48CN48
FES46 FEEDER STRUCTURE
EXCHANGEABLE TAPE CUTTER
FRONT ADAPTER PARTS SUPPLY SEL.
EXCHANGEABLE ADAPTER PARTS SUPPLY Spec.
FIX TAPE CUTTER + FES46 Spec.
1
2
F FES EMG
10
9
11
12
10
9
11
12
・ ・
11
NC/CART
QF32/QF32A
14
2423
13
U61
V61
W61
U60
V60
W60
QF32 13
QF32 23
QF32 14
QF32 24
CC.V0
5
EMERGENCY CIRCUIT -1-
YSM40R-2

Confidential & Proprietary
PAGE
EMERGENCY
CIRCUIT -1-
EMERGENCY
CIRCUIT -1-
EMERGENCY
CIRCUIT -1-
FR GOOD IN
FR GOOD OUT
F GOOD OUT
F GOOD IN
R GOOD OUT
R GOOD IN
2
3
4
5
6
7
8
9
10
1
2
3
4
5
6
7
8
9
10
1
A1
B1
A2
B2
A3
B3
A1
B1
A2
B2
A3
B3
A5A5
A4 A4
B4B4
B6B6
B5
A6
B5
A6
A8
B8
A9
B9
A8
B8
A9
B9
A7
B7 B7
A7
A11
B11
A11
B11
A10
B10 B10
A10
CN33
+24V-32
CN33
CN31 CN31
+24V-30
A1
B1
A2
B2
A3
B3
A1
B1
A2
B2
A3
B3
A5A5
A4 A4
B4B4
B6B6
B5
A6
B5
A6
A8
B8
A9
B9
A8
B8
A9
B9
A7
B7 B7
A7
A11
B11
A11
B11
A10
B10 B10
A10
+24V-31
CN32 CN32
3
2
1
3
2
1
3
2
1
3
2
1
4
5
4
5
3
2
1
3
2
1
4
5
4
5
XA OT
XC OT
3
2
1
3
2
1
YA OT
YC OT
3
2
1
YR SAFE
3
2
1
3
2
1
3
2
1
YL SAFE
3
2
1
3
2
1
3
2
1
3
2
1
4
5
4
5
3
2
1
3
2
1
4
5
4
5
3
2
1
3
2
1
YB OT
YD OT
XB OT
XD OT
3
2
1
3
2
1
1
2
1
2
HA EMG
1
2
1
2
HC EMG
1
2
1
2
CV EMG
1
2
1
2
1
2
1
2
HB EMG
HD EMG
1
2
1
2
IF GOOD
GOOD
A1A1
B1
A2
B2
A3
B3 B3
A3
B2
A2
B1
GOOD
A1A1
B1
A2
B2
A3
B3 B3
A3
B2
A2
B1
CVP CN2
GOOD
1 1
・
・
8
9
10 10
9
8
XC DI
1 1
・
・
8
9
10 10
9
8
XD DI
7
8
-
+
・
7
8
-
+
・
1
2
3
GOOD
1
2
3
1
2
3
GOOD
1
2
3
SRV1 GOOD
1
2
3
GOOD
1
2
3
SRV2 GOOD
GOOD
A1
B1
A2
B2
・
B10
A1
B1
A2
B2
・
B10
1
2
3
GOOD
1
2
3
SRV3 GOOD
1
2
3
GOOD
1
2
3
SRV4 GOOD
1
2
3
GOOD
1
2
3
I/O CONVEYOR BOARD ASSY P021
PC1
SYSTEM CONTROL BOX A01
SERVO CONTROL BOX-1 A02
SERVO CONTROL BOX-2 A03
P091
D.POWER BOARD
D.POWER BOARD
SERVO BOARD 2
SERVO BOARD 3
SERVO BOARD 4
SERVO BOARD 1
SQ033
SYS C/R GOOD/N0100433
CV C/R GOOD/N0100434
YR SAFE/N0100441
YL SAFE/N0100442
SRV C/R1 GOOD/N0100435
FRONT HEAD GOOD/N0100436
SRV C/R2 GOOD/N0100437
REAR HEAD GOOD/N0100440
YA OT/N0100443
YC OT/N0100444
XA OT-1/N0100445
XA OT-2/N0100446
XC OT-1/N0100447
XC OT-2/N0100450
YB OT/N0100451
YD OT/N0100452
XB OT-1/N0100453
XB OT-2/N0100454
XD OT-1/N0100455
XD OT-2/N0100456
CV C/R POW BOARD ASSY
CN2
CN2
CN2
HP CN2
HP CN2
P041
P044
Y SAFE Y SAFE
See Page 5
See Page 5
See Page 5
REMOTE IF BOARD
DPOW GOOD
DPOW GOOD
X JUNC IN
X JUNC IN
PC3
PC2
RASIF RAS
GOOD
GOOD
GOOD
GOOD
GOOD
GOOD
B3 B3
A3A3
B2 B2
A2A2
B1
A1A1
B1
7
8
-
A
B
C
A
B
C
7
+
・
JB7 X OT1
A
B
C
A
B
C
8 JB8 X OT2
7
8
-
A
B
C
A
B
C
+
・
JB7 X OT1
A
B
C
A
B
C
JB8 X OT2
IN
IN
7
8
JUNCTION BOX
JUNCTION BOX
XT76
XT75
XA OT-1
XA OT-2
XB OT-1
XBOT-2
SQ032
SQ031
SQ029
SQ030
HEAD B POW BOARD ASSY
HEAD A POW BOARD ASSY
A1A1
・
・・
・
CN7 CN7
A11 A11
B13 B13
+24V-8
A1A1
・
・・
・
B13 B13
+24V-9
A11 A11
CN8 CN8
A1
B2
・
A2
C2
・
YB OT
C4
A1
B2
・
A2
C2
・
C4
A
B
C
SQ022
A
B
C
YB OT
YA OT
SQ023
Y OT
Y OT
YA OT
A1A1
・
・・
・
B8 B8
B15 B15
+24V-7
CN5 CN5
3
2
1
3
2
1
4 4
5 5
66
H POW/EMG
3
2
1
3
2
1
4 4
5 5
66
H POW/EMG
CC.V0
6
EMERGENCY CIRCUIT -2-
YSM40R-2