P-0241-011 - 第42页
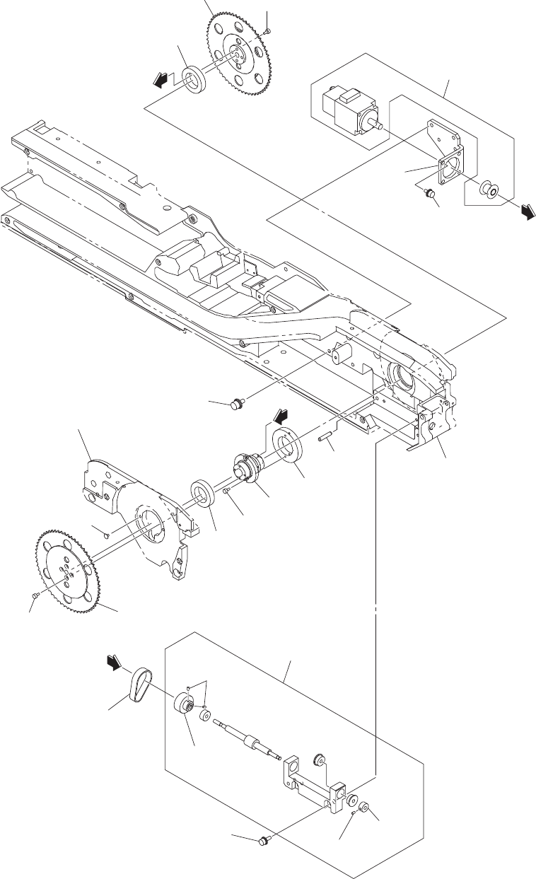
0710-004 40 テープフィーダ T APE FEEDER GT -24320 GT -24320 Fig. P-2 テープ駆動部 T ape Driving Section 139 127 132 101-03 124 133 131 122 121 1 16 1 16 125 106 104 104 See Fig.P-4 Key No.352 See Fig.P-1 Key No.1 103 101-06 101-07 10…

1012-008
39
Key No. PART No. PART NAME Q’ty REMARKS New Code
NOTE
P-1
1 6301279015 FRAME 1 804P--110-001 210B3690
2 6301532530 BLOCK(KIBAN) 1
804P--110-002 211G5104
3 6301279046 COVER(LA) 1
804P--110-003 211A8747
4 6301279053 COVER(LB) 1
804P--110-004 211A8748
5 6301279060 COVER(LC) 1
804P--110-005 211A8749
6 6301375519 COVER(R) 1
804P--110-006 211A9869
8 6301468976 COVER(KIBAN) 1
804P--110-008 211AA873
9 6301366463 SLIDE(BASE) 1
804P--110-009 212C0385
10 6301266084 ASSY,LEVER(KAIJYO) 1
804P--110-010 016S0689
11 6301265827 PIN,HINGE 1
804P--110-011 216D0448
12 6301265834 ROLLER 1
804P--110-012 213C0206
13 6301265841 PIN,GUIDE(ROLLER) 1
804P--110-013 216F0879
14 6301646121 SPRING,TORSION 1
804P--110-014 222P0207
19 6301274867 COVER(HAISEN) 1
804P--110-019 211A8726
20 6301265926 PIN,LOCATE(TAPE) 4
804P--110-020 216E1484
23 6301621821 COVER(FUTA) 1
804P--110-023 211AC674
24 6301287577 MECH PARTS(MAGNET) 2
804P--110-024 226J1958
25 6301265902 MECH PARTS(CUTTER) 1
804P--110-025 226J1909
26 6301274546 SCR PAN+SW+W 3X6 4
804P--110-026 221D0262
27 6300347906 MECH PARTS(RUBBER LEGS) 1 804P--110-027 226J0249
28 4110335700 SCR FLT 2.5X6 29
804P--110-028 221D0261
29 6300008494 BOLT,HEX-SCT 1
804P--110-029 221A0104
30 6300007633 BOLT,HEX-SCT 6
804P--110-030 221A0018
31 6301279121 BLOCK 1
804P--110-053 211G3564
32 4111407208 SCR FLT 4X6 1
804P--110-032 221D0224
33 4111255403 SCR PAN 2X4 1
804P--110-033 221E0482
37 4110010003 RING E 4 2
804P--110-037 221K0097
40 4111412905 WASHER SPR 4 6
804P--110-040 221H0284
41 4111412509 WASHER SPR 2 1
804P--110-041 221H0276
42 4111414008 WASHER V 4X9X0.8 6
804P--110-042 221H0315
43 4111413605 WASHER V 2X5X0.3 1
804P--110-043 221H0307
46 0804000G NAME PLATE,NOTICE 2
804P--110-046 0804000G
47 0804000F NAME PLATE,INDEX 1
804P--110-047 0804000F
68 0804000M MECH PARTS 1
804P--110-068 0804000M
70 6301259970 SPRING,PIN 1
804P--110-070 221J0059
71 6301330792 SPRING,PIN 1
804P--110-071 221J0063
74 08040000 NAME PLATE,INDEX 1
804P--110-074 08040000
GT-24320

0710-004
40
テープフィーダ
TAPE FEEDER
GT-24320 GT-24320
Fig. P-2
テープ駆動部
Tape Driving Section
139
127
132
101-03
124
133
131
122
121
116
116
125
106
104
104
See Fig.P-4
Key No.352
See Fig.P-1
Key No.1
103
101-06
101-07
101-07
125
A
A
D
D
129
130
126
.
.
129
130
.
.
134
135
.
.
101

1012-006
41
Key No. PART No. PART NAME Q’ty REMARKS New Code
NOTE
P-2
101 6301555652 ASSY,GEAR((WORM)) 1 804P--110-101 023E0017
101 -03 6301443935 COLLAR(BEARING) 1
216A1359
101 -06 6301443942 PULLEY,TIMING 1
223Q0643
101 -07 6301268248 SET SCREW(SET SCREW) 3 221C0100
103
6301484556 GEAR 1
804P--110-103 223E0451
104 6301490908 ASSY,SPROCKET 2
804P--110-104 023S0064
106 6301492025 PIN,HINGE 1
804P--110-106 216D0547
116 6301302508 BEARING,RADIAL 2
804P--110-116 222D0403
121 6301279190 BELT,TIMING 1
804P--110-121 223L0273
122 6301265988 PIN,LOCATE 1
804P--110-122 216E1485
124 6300007503 BOLT,HEX-SCT 2
804P--110-124 221A0005
125 6300007510 BOLT,HEX-SCT 8
804P--110-125 221A0006
126 6300007527 BOLT,HEX-SCT 2
804P--110-126 221A0007
127 6301330310 MACHINE SCREW 2
221D0175
129 4111412806 WASHER SPR 3 4
804P--110-129 221H0281
130 4111413902 WASHER V 3X7X0.5 4
804P--110-130 221H0312
131 6301279244 BRACKET 1
804P--110-131 211F8483
132 6300007503 BOLT,HEX-SCT 2
804P--110-132 221A0005
133 6300007619 BOLT,HEX-SCT 2
804P--110-133 221A0016
134 4111412905 WASHER SPR 4 2
804P--110-134 221H0284
135 4111414008 WASHER V 4X9X0.8 2
804P--110-135 221H0315
139 6301549781 ASSY,MOTOR,AC-SERVO 1 M01 804P--110-509 0M150012
GT-24320