BT3564_user_manual_chi_20191017H - 第191页
附录 10 支架安装 附 17 附 录 1 拆下主机底 面的支撑脚和侧面盖子的螺 丝 (正面两侧 4 个) 。 2 将垫片放入 主机侧面两侧,然后用 M4 × 10 mm 螺丝固定支架安装件。 在支架上安装时,请使用市售 的底座进行增 固。 M4 × 6 mm M3 × 6 mm M4 × 10 mm 垫片 支架安装件

附录
10
支架安装
附 16
拆下本仪器侧面的螺丝即可安装支架安装件。
支架安装件的参考图与安装方法 _______________________________________
附录 10 支架安装
为防止本仪器的损坏和触电事故,使用螺丝请注意以下事项。
• 在侧面安装支架安装件时,请勿使螺丝进入到本仪器内部 6 mm 以上。
• 拆下支架安装件恢复原样时,请使用与最初安装时相同的螺丝。
(支撑脚:M3 × 6 mm,侧面:M4 × 6 mm)
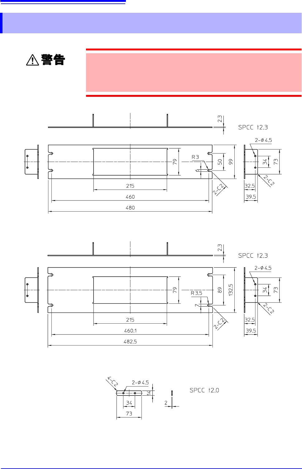
支架安装件 (JIS)
支架安装件 (EIA)
垫片 (使用 2 片)

附录
10
支架安装
附 17
附
录
1 拆下主机底面的支撑脚和侧面盖子的螺丝
(正面两侧 4 个)。
2 将垫片放入主机侧面两侧,然后用
M4 × 10 mm 螺丝固定支架安装件。
在支架上安装时,请使用市售的底座进行增
固。
M4 × 6 mm
M3 × 6 mm
M4 × 10 mm
垫片
支架安装件

附录
11
外观图
附 18
附录 11 外观图
211 mm
329 mm
215 mm
75.5 mm
80 mm
32.5 mm
34 mm
23 mm
20.5 mm