BT3564_user_manual_chi_20191017H - 第90页
5.5 关于外部控制的 Q&A 84 5.5 关于外部控制的 Q&A 常见问题 方法 要输入触发时,如何进行连接 ? 请利用开关或开路集电极输出使 TRIG 端子与 ISO_COM 端子形成短路 ( ON )。 输入信号、 输出信号的公共端子是哪个 ? 是 ISO_COM 端子。 公共端子输入输出是否通用 ? 输入信号与输出信号均为通用的公共端子。 要确认是否发出输出信号 请利用示波器确认电压波形。此时,请将 EOM 信…

5.4
内部电路构成
83
5
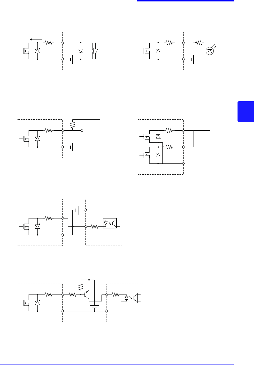
输出电路的连接举例
BT3564
鳕ⴀ
ISO_COM
50mA max
30 V max
鳕ⴀ
ISO_COM
鳕ⴀ
ISO_COM
鳕ⴀ
ISO_COM
鳕ⴀ
ISO_COM
餏鹤鳓鳕ⴀ
鳕Ⰶ
ⰖⰟ畮㶩
PLC
鳕ⴀ
鳕ⴀ
ISO_COM
鳕Ⰶ
ⰖⰟ畮㶩
PLC
♸絩歏㐼涸䱹竳 ♸ LED 涸鵶䱹
餏鹤鳓鳕ⴀ
♸ PLC 鳕Ⰶ 餏ⰖⰟ畮㶩鳕ⴀ涸鵶䱹
♸ PLC 鳕Ⰶ 姻ⰖⰟ畮㶩鳕ⴀ涸鵶䱹
WIRED OR
BT3564
BT3564BT3564
BT3564
BT3564

5.5
关于外部控制的
Q&A
84
5.5 关于外部控制的 Q&A
常见问题 方法
要输入触发时,如何进行连接 ?
请利用开关或开路集电极输出使 TRIG 端子与 ISO_COM 端子形成短路
(ON)。
输入信号、输出信号的公共端子是哪个 ?
是 ISO_COM 端子。
公共端子输入输出是否通用 ?
输入信号与输出信号均为通用的公共端子。
要确认是否发出输出信号
请利用示波器确认电压波形。此时,请将 EOM 信号或比较器判定结果等
的输出信号上拉到电源 (数 kΩ) , 确认电压电平。
输入 (控制)不顺利,如何进行确认 ?
比如,触发信号未有效动作时,试着直接将 TRIG 端子短接在 ISO_COM 端
子上以替代 PLC 控制。
请充分注意以免导致电源短路等。
比较器判定信号 (HI、 IN、 LO)
如何能在测量期间进行保持 (或变为
OFF 状态) ?
测量结束时进行确定,测量开始时变为 OFF 状态。
不能检测到 EOM 信号
请试着将 EOM 输出设定设为脉冲。
在测量时间较短的设定中,设为 EOM 输出设定 = 保持时,变为 OFF 的时
间可能会变得非常短,可能无法利用 PLC 进行检测。
如果将 EOM 输出设定设为脉冲,则在测量结束之后,仅在所设定的脉冲
宽度时间内设为 ON,然后设为 OFF,这样,即使测量时间短,也可以利
用 PLC 检测 EOM
信号。
测试异常信号何时出现 ?
在下述情况下等,显示错误。
• 探头未接触
• 接触不稳定
• 探头或被测对象脏污或带有氧化膜
• 被测对象的电阻值远大于量程
是否附带用于连接的连接器或扁平
电缆 ?
标准附带焊接型连接器。请客户准备电缆。
能直接连接 PLC 吗 ?
如果输出为继电器或开路集电极,输入为正公共端子的光电耦合器,则可
直接连接。(连接之前,请确认电压电平或流过的电流未超过额定值)
可否同时使用 RS-232C 等通讯与外部
I/O 控制 ?
通过通讯手段设定测量条件之后,可利用 TRIG 信号进行测量,并通过通
讯与其同步读取测量值。
如何连接外部电源 ?
本仪器的外部I/O输入与输出信号均利用本仪器内部的绝缘电源进行驱动。
因此无需 (禁止)从 PLC 侧供电。
自由测量时要使用脚踏开关读入测量值
可通过本公司 WEB 站点的下载页面下载测量值读取用免费软件。请予以
利用。

6.1
连接打印机
85
6
连接打印机之前
关于推荐的打印机
如下所示为可与本仪器连接使用的打印机规格。
请在确认打印机的规格或设置之后再进行连接。
• 接口............................................ RS-232C
• 1 行字符数................................. 45 个半角字符以上
• 通讯速度.................................... 9600 bps
• 数据位........................................ 8 位
• 奇偶性........................................ 无
• 停止位........................................ 1 位
• 流程控制.................................... 无
• 控制代码.................................... 应可直接打印纯文本
打印机 (
选件
) 第 6 章
6.1 连接打印机
连接打印机时,请务必遵守下述事项,否则可能会导致触电或仪器故障。
• 请务必在切断本仪器和打印机电源之后再进行连接。
• 如果连接在操作期间脱落,则可能会接触到其他导电部,非常危险。请切实地
进行连接。
• 请不要在高温和潮湿的环境下打印。否则可能会严重缩短打印机的使用寿
命。
• 请务必使用适合打印机的记录纸。如果使用指定以外的记录纸,不仅会导致
性能下降,还会造成无法打印。
• 如果记录纸未对准纸辊,则可能会卡纸。
原来的选件打印机 9670 已停产。请使用您手头上的 9670。