P-0220-002.pdf - 第27页
Key No. P AR T No. P AR T NAME Q’ty REMARKS NOTE MODEL TPM-1 10F/R-C 0509-002 25 201 630 088 2988 BEARING,UNIT 2 UFL08 748E--310-201 202 630 088 5200 BALL SCREW 2 748E--310-202 203 630 055 3369 BEARING,RADIAL 2 626ZZ 748…

MODEL TPM-110F/R-C
0509-002
24
267
231
261
205
266
276
A
A
273
277
228
261
206
207
273
276
275
223
B
B
275
270
271
269
226
275
268
212
220
201
271
270
270
276
274
230
275
271
269
263
268
211
278
271
270
233
221
269
202
224
203
267
218
205
266
273
276
275
204
262
232
222
275
276
273
264
265
262
201
214
229
213
276
272
276
274
209
208
227
208
210
217
275
266
205
204
219
203
224
202
269
262
See Fig.E-1
Key No.1
1
See Fig.E-1
Key No.1
See Fig.E-1
Key No.1
216
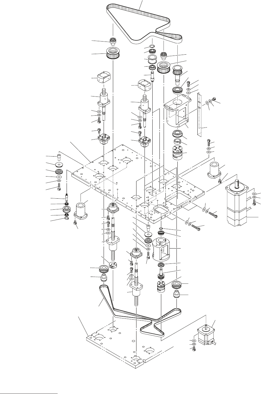
チャック部
CHUCK SECTION
Fig. E-3
レール幅駆動部
Rail Width Driver
( 奥基準)
(Rear Reference)

Key No. PART No. PART NAME Q’ty REMARKS
NOTE
MODEL TPM-110F/R-C
0509-002
25
201 630 088 2988 BEARING,UNIT 2 UFL08 748E--310-201
202 630 088 5200 BALL SCREW 2 748E--310-202
203 630 055 3369 BEARING,RADIAL 2 626ZZ 748E--310-203
204 630 096 6596 RING 2 748E--310-204
205 630 094 5072 PULLEY,TIMING 3 748E--310-205
206 630 088 4067 BEARING,RADIAL 1 698ZZ 748E--310-206
207 630 096 6602 RING 1 748E--310-207
208 630 088 4074 BEARING,RADIAL 2 F604ZZ 748E--310-208
209 630 011 1996 BEARING,RADIAL 1 604ZZ 748E--310-209
210 630 096 6619 RING 1 748E--310-210
211 630 088 4739 COLLAR 1 748E--310-211
212 630 088 3541 COUPLING 1 SFC-020SD 5B-8B 748E--310-212
213 630 091 2470 MOTOR,STEPPING 1 MPM025, B2086-D01ASM
748E--310-213
214 630 088 3626 SENSOR,PHOTO 2 BPH232,233, RM-R54 748E--310-214
216 630 088 3886 PIN,LOCATE 2 748E--310-216
217 630 088 3473 BELT,TIMING 1 748E--310-217
218 630 131 7915 BRACKET 1 748E--310-218
219 630 116 1402 BRACKET(BRACKET) 1 748E--310-219
220 630 087 9674 BRACKET 1 748E--310-220
221 630 087 9681 BRACKET 1 748E--310-221
222 630 087 9698 PLATE 1 748E--310-222
223 630 087 9704 PLATE 1 748E--310-223
224 630 087 9711 PLATE 2 748E--310-224
226 630 087 9759 BRACKET 1 748E--310-226
227 630 116 1396 PIN,HINGE(PIN) 1 748E--310-227
228 630 090 7452 BOSS 1 748E--310-228
229 630 117 2521 BRACKET 1 748E--310-229
230 630 087 9872 COVER 1 748E--310-230
231 630 087 9889 COVER 1 748E--310-231
232 630 090 7834 BRACKET 1 748E--310-232
233 630 091 0063 PLATE 2 748E--310-233
261 411 147 6808 SCR TRS 3X5 2 748E--310-261
262 630 000 7510 BOLT,HEX-SCT 18 748E--310-262
263 411 040 6202 SCR PAN 3X10 4 748E--310-263
264 411 141 3902 WASHER V 3X7X0.5 2 748E--310-264
265 411 141 2806 WASHER SPR 3 2 748E--310-265
266 630 076 4345 SET SCREW 6 748E--310-266
267 411 051 1708 SCR TRS 4X6 4 748E--310-267
268 630 000 7626 BOLT,HEX-SCT 6 748E--310-268
269 630 076 4437 BOLT,HEX-SCT 12 748E--310-269
270 411 141 4008 WASHER V 4X9X0.8 10 748E--310-270
271 411 141 2905 WASHER SPR 4 10 748E--310-271
272 630 000 7749 BOLT,HEX-SCT 2 748E--310-272
273 630 000 7763 BOLT,HEX-SCT 8 748E--310-273
274 630 000 7770 BOLT,HEX-SCT 4 748E--310-274
275 411 141 4107 WASHER V 5X10X1 14 748E--310-275
276 411 141 6705 WASHER SPR 5 14 748E--310-276
277 411 118 8503 NUT HEX 5 1 748E--310-277
278 630 000 7565 BOLT,HEX-SCT 1 748E--310-278
E-3

MODEL TPM-110F/R-C
0211-001
26
チャック部
CHUCK SECTION
Fig. E-4 Z
軸駆動部
Z Axis Driver
314
323
325
324
329
324
330
334
311
367
368
366
362
312
362
366
311
368
367
334
321
314
312
See Fig.E-1
Key No.11
See Fig.B-1
Key No.7
333
317
318
317
316
327
365
312
362
366
368
367
320
326
319
313
366
362
312
368
367
363
305
314
313
301
302
332
372
373
371
372
373
371
372
373
369
310
365
327
302
303
364
362
320
314
321
307
306
372
363
364
331
328
306
308
309
372
373
370
361
373
369
336
336
335
375
368
374
335
336
336
375
374
368
304