JM-20-Rev06 - 第106页
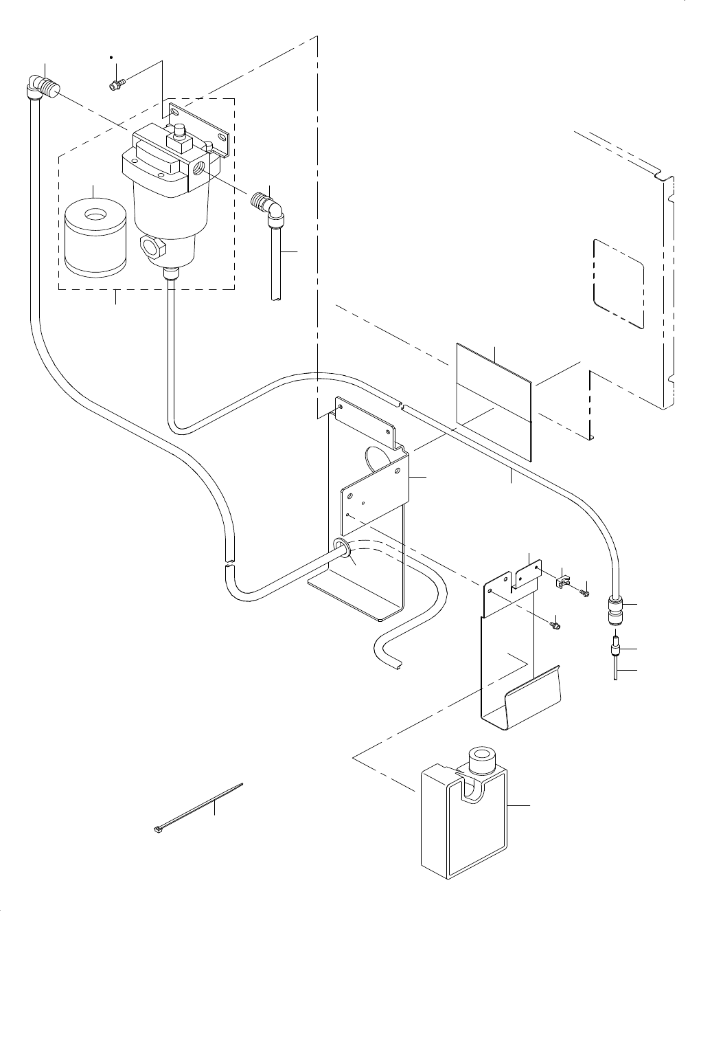
- 101 - 51. MAIN LINE FILTER COMPONENTS メインラインフィルタ関係 15 14 16 17 7 8 13 11 9 6 18 5 12 19 3 2 1 4 10 19

- 100 -
REF.NO NOTE PART NO D E S C R I P T I O N
品 名
Qty
1 401-37125 FFS_ATTACHMENT_PARTS_R
FFS_アタッチメントパーツ_R
1
2 401-36994 FS_BR_SUP_BASE
FS_ブラケットサポートベース
(2)
3 SM-1051052-TN PLATE SCREW M5 L=10
皿ねじ M5 L=10
(4)
4 401-36995 FS_BR_SUPPORT_B
FS_ブラケットサポートB
(2)
5 SL-6051092-TN SCREW M5 L=10
座金付き六角穴ボルト M5 L=10
(2)
6 WP-0621046-SP WASHER
平座金
(2)
7 SL-6041692-TN SCREW M4 L=16
座金付き六角穴ボルト M4 L=16
(2)
8 401-37122 FEEDER_FLOAT_SENSOR_ASSY_RC
フィーダ浮きセンサ組_RC
1
9 401-36996 FS_BR_SUP
FS_ブラケットサポート
(2)
10 SM-1051052-TN PLATE SCREW M5 L=10
皿ねじ M5 L=10
(8)
11 401-10193 SENSOR_BR_R
センサブラケットR
(1)
12 SL-6051292-TN SCREW M5 L=12
座金付き六角穴ボルト M5 L=12
(2)
13 401-14729 SENSOR_BR_RR
センサブラケットRR
(1)
14 SL-6051292-TN SCREW M5 L=12
座金付き六角穴ボルト M5 L=12
(2)
15 401-37126 FF_SENSOR_ASM_R
FFセンサ組_R
(1)
16 401-07232 FD-FLOAT(RF) SENS ASM
FD−FLOAT(RF)センサ組
(1)
17 401-07234 FD-FLOAT(RF)RECEIVE SENS ASM
FD−FLOAT(RF)受光センサ組
(1)
18 401-07235 FD-FLOAT(RR) SENS ASM
FD−FLOAT(RR)センサ組
(1)
19 401-07231 FD-FLOAT(RR)RECEIVE SENS ASM
FD−FLOAT(RR)受光センサ組
(1)
20 SM-4020501-SC SCREW M2 L=5
なべ小ねじ M2 L=5
(8)
21 401-10190 FSD_BR
FSDブラケット
(4)
22 SL-6030692-TN SCREW M3 L=6
座金付き六角穴ボルト M3 L=6
(8)
23 401-37123 FFS_ATTACHMENT_PARTS_F
FFS_アタッチメントパーツ_F
1
24 401-36994 FS_BR_SUP_BASE
FS_ブラケットサポートベース
(2)
25 SM-1051052-TN PLATE SCREW M5 L=10
皿ねじ M5 L=10
(2)
26 401-36995 FS_BR_SUPPORT_B
FS_ブラケットサポートB
(1)
27 SL-6051092-TN SCREW M5 L=10
座金付き六角穴ボルト M5 L=10
(1)
28 WP-0621046-SP WASHER
平座金
(1)
29 SL-6041692-TN SCREW M4 L=16
座金付き六角穴ボルト M4 L=16
(1)
30 401-37121 FEEDER_FLOAT_SENSOR_ASSY_FC
フィーダ浮きセンサ組_FC
1
31 401-36996 FS_BR_SUP
FS_ブラケットサポート
(1)
32 SM-1051052-TN PLATE SCREW M5 L=10
皿ねじ M5 L=10
(4)
33 401-14734 SENSOR_BR_FL
センサブラケットFL
(1)
34 SL-6051292-TN SCREW M5 L=12
座金付き六角穴ボルト M5 L=12
(2)
35 401-37124 FF_SENSOR_ASM_F
FFセンサ組_F
(1)
36 401-07229 FD-FLOAT(FF) SENS ASM
FD−FLOAT(FF)センサ組
(1)
37 401-07225 FD-FLOAT(FF)RECEIVE SENS ASM
FD−FLOAT(FF)受光センサ組
(1)
38 401-07226 FD-FLOAT(FR) SENS ASM
FD−FLOAT(FR)センサ組
(1)
39 401-07228 FD-FLOAT(FR)RECEIVE SENS ASM
FD−FLOAT(FR)受光センサ組
(1)
40 SM-4020501-SC SCREW M2 L=5
なべ小ねじ M2 L=5
(8)
41 401-10190 FSD_BR
FSDブラケット
(2)
42 401-36997 FDS_BR
FDSブラケット
(2)
43 SL-6030692-TN SCREW M3 L=6
座金付き六角穴ボルト M3 L=6
(8)

- 101 -
51.MAIN LINE FILTER COMPONENTS
メインラインフィルタ関係
15
14
16
17
7
8
13
11
9
6
18
5
12
19
3
2
1
4
10
19

- 102 -
NOTE( 注記 ) #01....MTS IS INSTALLED MTS 装着時
REF.NO NOTE PART NO D E S C R I P T I O N
品 名
Qty
1 PF-0154010-A0 AIR FILTER
エアフィルター
1
2 PF-9010070-00 FILTER ELEMENT
フィルタエレメント
(1)
3 BT-1200801-EF TUBE
チュ−ブ
2
4
#01
SL-6061692-TN SCREW M6 L=16
座金付き六角穴ボルト M6 L=16
2
5 400-16815 DRAIN TANK
ドレインタンク
1
6 BT-1000651-EB URETHANE TUBE BLACK 10X6.5
ポリウレタン チューブ 黒 10X6.5
0.8
7 PJ-3031000-02 STRAIGHT
ストレート
1
8 PJ-3090400-03 REDUCER 4-10
レジューサ 4ー10
1
9 BT-0400251-EA URETHANE TUBE BLUE 4X2.5
ポリウレタン チューブ 青 4X2.5
0.16
10 SL-6082092-TN SCREW M8 L=20
座金付き六角穴ボルト M8 L=20
2
11 400-55291 FILTER BRACKET
フィルタブラケット
1
12
#01
HX-0005500-0J RUBBER BUSHING
ゴムブッシュ
1
13 E1387-700-000 HOD MAGNET
HOD マグネット
2
14 400-55290 DRAIN TANK STAY
ドレインタンクステイ
1
15
#01
SL-6040892-TN SCREW M4 L=8
座金付き六角穴ボルト M4 L=8
2
16 HX-0029400-00 FIXED BASE
固定ベース
1
17 SM-4040601-SC SCREW M4X0.7 L=6
なべ小ねじ M4X0.7 L=6
1
18 EA-9500B01-00 CABLE BAND
束線バンド
1
19 PJ-3041254-01 ELBOW UNION D=12
エルボユニオンφ12
2