JM-20-Rev06 - 第143页
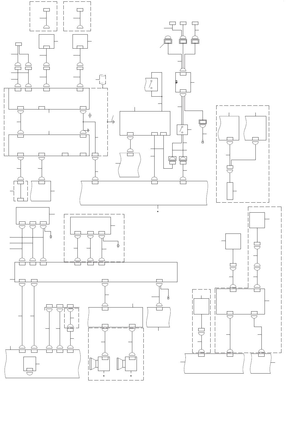
- 138 - NOTE( 注記 ) #01....FOR ST ST 用 #02....FOR EN EN 用 #03....FOR 54MM 54 MM 用 #04....FOR 27MM 27 MM 用 REF.NO NOTE PART NO D E S C R I P T I O N 品 名 Qty 1 401-2324 2 CPU BO ARD CPUボード 1 2 401-37460 ENVIRONMEN T SYSTEM …

- 137 -
69.SYSTEM DIAGRAM(6)
SYSTEM DIAGRAM(6)
㸯
㸰
㸱㸲
㸳㸳
㸶
㸷
㸯㸴
㸯㸮
㸯㸯 㸯㸰
㸯㸵
㸳㸶
㸯㸱 㸯㸲 㸯㸱 㸯㸳
㸴㸳
㸰㸱
㸰㸲
㸰㸳
㸷 㸯
㸰㸵 㸰㸵
㸱㸷 㸲㸮
㸴㸮
㸳㸵
㸳㸷 㸳㸶
㸲㸷
㸲㸶
㸲㸵
㸲㸳
㸲㸴
㸳㸮
㸳㸰
㸳㸯
㸳㸱
㸲㸰
㸲㸱
㸳㸲
㸳㸳
㸰㸶
㸰㸷
㸳㸴
㸰㸴
㸱㸮
㸱㸯
㸱㸱
㸱㸳
㸱㸲
㸯㸷
㸰㸮
㸰㸯
㸰㸰
㸯㸷
㸱㸰
㸲㸯
㸵㸫㸰㸿
㸳㸫㸲㹂
㹓㹑㹀ࠉ㹑㹃㹊㹃㹁㹒ࠉ
㹎㹁㹀ࠉ㸿㹑㹋
㸴㸫㸱㸿
㸴㸫㸯㹀
㸲㸮㸯㸱㸳㸲㸱㸱
㹐㹑㸰㸱㸰㹁ࠉ㹀㹍㸿㹐㹂
㸦㸱㸭㸲㸧
㹒㹐㹍㹊㹊㹃㹗
㹒㹐㹍㹊㹊㹃㹗
㹋㸫㹀㸿㹌㹉ࠉ㹄
㹋㸫㹀㸿㹌㹉ࠉ㹐
㹐㹑㸰㸱㸰㹁ࠉ㹀㹍㸿㹐㹂㸦㸲㸭㸲㸧
㹋㸫㹀㸿㹌㹉ࠉ㹐
㹄㸯㸲㹃
㸵㸫㸰㸿
㹎㹍㹕㹃㹐ࠉ㹓㹌㹇㹒㸦㸵㸭㸷㸧
㹋㸫㹀㸿㹌㹉ࠉ㹄
㸦㹲㹭ࠉ㹋㹒㹑ࠉ
㹇㸭㹄㸧
㸳㸫㸳㸿
㸳㸫㸯㹂
㸴㸫㸯㹂
㹄㸯㸰㹃
㹐㸯㸳㹃
㹄㸯㸱㹃
㹔㹍㹓㹒
㹇㹎㸫㹖㸳ࠉ
㹎㹁㹀㸦㸱㸭㸱㸧
㹑㹃㹊㹃㹁㹒 㹁㹌㸳
㹀㸿㹑㹃ࠉ
㹎㹁㹀㸦㸲㸭㸳㸧
㹁㹌㸱㸲
㹁㹌㸰
㹁㹌㸱
㹓㹑㹀㹝㹁㹎㹓
㹓㹑㹀㹝㹇㹌
㹁㹌㸯
㹓㹑㹀
㹁㹎㹓ࠉ
㹀㹍㸿㹐㹂㸦㸴㸭㸵㸧
㸿㹁㹁㹃㹑㹑㹍㹐㹗
㹁㸿㹀㹊㹃
㸴㸫㸲㹁
㹑㹇㹍㸲
㸯㸫㸰㹁
㹁㹌㸲㸴㸱
㹁㹌㸲㸴㸱
㹐㹄㹇㹂ࠉ㸿㹌㹒㹃㹌㹌㸿
㹐㹄㹇㹂ࠉ㸿㹌㹒㹃㹌㹌㸿
㸯㸫㸲㹁
㹄㸯㸵㹃
㹀㸿㹐㹁㹍㹂㹃ࠉ㹐㹃㸿㹂㹃㹐ࠉ㹍㹎㹒㹇㹍㹌
㹀㸿㹐㹁㹍㹂㹃ࠉ
㹐㹃㸿㹂㹃㹐
㹀㹐
㸿㹒㹖㸫㹎㹍㹕㹃㹐㸦㸱㸭㸱㸧
㸴㸫㸯㹁
㸿㹒㹖㸫㸴 㹁㹌㸴
㹓㸿㹐㹒㹁㹍㹋㸫㹁㸭㹃
㸴㸫㸱㹀
㹆㹃㸿㹂ࠉ㹓㹌㹇㹒㸦㸯㸧
㹁㹌㸮㸰㸵
㹋㹍㹊㹃㹖
㹆㹉㸮㸱㸲㸴㸰㸮㸮㸰㸮
㹓㹎㹑㹝㹐
㸰㸮㸮㹫㹫
㸯㸮㸮㹫㹫
㹆㹁㹆㹃㹁㹉
㹁㹌㸮㸰㸱
㹁㹌㸲㸮㸷
㹎㹑㸫㹍㹎
㹁㹌㸰
㹁㹌㸯
㹁㹌㸲㸮㸶
㹁㹌㸲㸮㸵
㹁㹌㸲㸮㸴
㹓㹎㹑ࠉ㹍㹎
㹲㹭
㹎㹑㹓ࠉ
㹓㹎㹑
㸲㸮㸮㸷㸳㸵㸲㸳
㹓㹎㹑ࠉ㹀㹗㹎㸿㹑㹑ࠉ㹑㹕
㹁㹌㸮㸮㸷
㹁㹌㸮㸮㸷
㹋㸿㹇㹌ࠉ㹑㹕
㹁㹌㸮㸯㸮㹁㹌㸮㸯㸮
㹑㹕
㸩㸰㸲㹔ࠉ
㸵㸳㹕
㹓㹎㹑
㹁㹌㸲㸴㸱
㹋㹒㹑㸰
㹑㹕㹇㹒㹁㹆㹇㹌㹅ࠉ
㹆㹓㹀
㹋㹎㹁㸫㸲㹁
㹁㹎㹓ࠉ
㹀㹍㸿㹐㹂㸦㸵㸭㸵㸧
㹇㹑ࠉ㹊
㹊㸿㹌
㹖㸲
㹖㸱
㹁㹌㸲㸴㸱
㹁㹆㸰
㹁㹆㸯
㹁㹆㸰
㹁㹆㸯
㹖
㹖㹊㸿㹌
㹊㸿㹌
㹇㹑
㸦㸩㸧㸦㸫㸧
㹋㹒㹑㸯
㹁㹆㸲
㹁㹆㸱
㹁㹌㸮㸰㸰
㹎㹕㹐㹐㸰㸰
㹆㹓㹀㹝㹀㹍㹖
㹐㹄㹇㹂㹝㹎㹕㹐
㹁㹆㸲
㹁㹆㸱
㹂㹁㹝㹇㹌
㹂㹁㹝㹇㹌㹎㹓㹒
㹎㹐㹍㹅
㹃㹒㹆㹃㹐㹌㹃㹒
㹖㸳
㹂㹁ࠉ㹇㹌㹎㹓㹒
㹖㸰
㹖㸯
㹔㹁㹑ࠉ㹍㹎㹒㹇㹍㹌
㹔㹁㹑ࠉ㹁㸿㹋㹃㹐㸿㸦㹖㹁㸫㹆㹐㸳㸮㸧
㹊㹃㹌㹘㹃㸦㹍㹎㹒㹇㹍㹌㸧
㹔㹁㹑㸦㸰㸵㹫㹫㸧
㹔㹁㹑㸰㸵
㹍㹁㹁㸫㹐㹄
㹍㹁㹁㸫㹐㹄㸦㹁㹌㸰㸧
㹔㹁㹑ࠉ㹁㸿㹋㹃㹐㸿㸦㹖㹁㸫㹆㹐㸳㸮㸧
㹊㹃㹌㹘㹃㸦㹑㹒㸿㹌㹂㸿㹐㹂㸧
㹔㹁㹑㸦㸳㸲㹫㹫㸧
㹔㹁㹑㸳㸲
㹍㹁㹁㸫㹊㹐
㹍㹁㹁㸫㹊㹐㸦㹁㹌㸴㸧
㹐㹃㸿㹐ࠉ㹋㹍㹌㹇㹒㹍㹐ࠉ㹍㹎㹒㹇㹍㹌
㸯㸫㸱㹁
㸱㸫㸱㹀
㹊㸿㹌㸯
㹁㹍㹔㹃㹐
㹓㹑㹀ࠉ㹁㹆㸰
㹓㹑㹀ࠉ㹁㹆㸯
㹓㹑㹀
㸴㸫㸯㹁
㸳㸫㸱㹂
㹑㸿㹒㸿ࠉ㹑㹑㹂
㸿㹔㸯
㹇㹌㸫㹂㹁㸯㸰㹔
㹐㹑㹍㹓㹒㸰
㹐㹑㹍㹓㹒㸯
㹐㹃㸿㹐ࠉ㹋㹍㹌㹇㹒㹍㹐ࠉ㹍㹎㹒㹇㹍㹌
㸿㹒㹖㸫㸳
㹁㹌㸳
㹍㹓㹒㸫㹂㹁㸯㸰㹔
㹍㹓㹒㸫㹂㹁㸯㸰㹔
㹐㹊㹁㹂㸫㹎㹕㹐
㹐㸫㹂㹔㹇㸫㹂
㹎㹍㹕㹃㹐
㹂㹔㹇㹇㹌
㹐㹑㸰㸱㸰㹁ࠉ㹎㹁㹁㹎㹓ࠉ㹁㹍㹋㸰
㹁㹎㹓㸫㹂㹔㹇㹂㹔㹇ࠉ㹍㹓㹒㸰
㹐㹑㸰 㹐㹊㹁㹂㸰㸱㸰㹁
㹎㹍㹕㹃㹐
㹐㹃㸿㹐ࠉ㹊㹁㹂ࠉ
㹋㹍㹌㹇㹒㹍㹐
㹍㹓㹒㹝㹂㹁㸯㸰㹔㸦㹋㸰㸧
㹐㹑㸰㸱㸰㹁
㹂㹔㹇㸫㹂
㸴㸫㸲㹂
㸿㹒㹖ࠉ
㹓㹌㹇㹒㸦㸰㸭㸱㸧
㹇㹬㹮㹳㹲㹝㹂㹁㸯㸰㹔
㹐㹑㸫㹎㹁㸯
㹁㹍㹋㸰
㹑㹓㹎㹃㹐ࠉ㹇㹋㹎㹍㹑㹃ࠉ
㹀㹍㸿㹐㹂
㹂㹔㹇㸯
㹁㹎㹓㸫㹂㹔㹇
㹂㹔㹇㹍㹓㹒㸯
㹐㹑㸯
㹄㸫㹂㹔㹇㸫㹂
㹄㹊㹁㹂㸰㸱㸰㹁
㹄㹊㹁㹂㸫㹎㹕㹐
㹄㹐㹍㹌㹒ࠉ㹊㹁㹂ࠉ
㹋㹍㹌㹇㹒㹍㹐
㹍㹓㹒㹝㹂㹁㸯㸰㹔㸦㹋㸯㸧
㹐㹑㸰㸱㸰㹁
㹂㹔㹇㸫㹂
㹁㹎㹓ࠉ
㹀㹍㸿㹐㹂㸦㸳㸭㸵㸧
㸱㸴 㸱㸶
㸴 㸴
㸴 㸱㸵
㸦㹲㹭ࠉ㹋㹀㸿㹌㹉㹄ࠉ㹇㸭㹄㸧
ࠉࠉࠉࠉࠉࠉࠉࠉࠉࠉ㸵㸫㸱㹀
㸦㹲㹭ࠉ㹋㹀㸿㹌㹉㹐ࠉ㹇㸭㹄㸧
ࠉࠉࠉࠉࠉࠉࠉࠉࠉࠉ㸵㸫㸱㹁
㸵㸵
㸳㸷
㸲㸲
㸯
㸴㸯
㸳
㸳 㸳
㸳
㹄㹐㹍㹌㹒
㹉㹣㹷㹠㹭㹟㹰㹢
㹵㹧㹲㹦
㹲㹰㹟㹡㹩㹠㹟㹪㹪
㸦㹑㹎㸿㹁㹃㹐ࠉ㸿㹑㹋㸧
㸴㸲
㹐㹃㸿㹐ࠉ㹋㹍㹌㹇㹒㹍㹐ࠉ
㹍㹎㹒㹇㹍㹌
㹋㹍㹔㹃ࠉ㸴㸫㸰㹂
㸴㸰 㸴㸱
㸯㸶
㹄㹝㹉㹀
㹐㹝㹉㹀
㹄㹐㹍㹌㹒
㹉㹣㹷㹠㹭㹟㹰㹢
㹵㹧㹲㹦
㹲㹰㹟㹡㹩㹠㹟㹪㹪
㸦㹑㹎㸿㹁㹃㹐ࠉ㸿㹑㹋㸧
㹐㹃㸿㹐
㹉㹣㹷㹠㹭㹟㹰㹢
㹵㹧㹲㹦
㹲㹰㹟㹡㹩㹠㹟㹪㹪
㸦㹑㹎㸿㹁㹃㹐ࠉ㸿㹑㹋㸧
㸴㸲
㸴㸲

- 138 -
NOTE( 注記 ) #01....FOR ST ST 用
#02....FOR EN EN 用
#03....FOR 54MM 54 MM 用
#04....FOR 27MM 27 MM 用
REF.NO NOTE PART NO D E S C R I P T I O N
品 名
Qty
1 401-23242 CPU BOARD
CPUボード
1
2 401-37460 ENVIRONMENT SYSTEM DISK ASM (JM-20 SSD MES)
システムディスク組(JM−20 SSD MES)
1
3 400-48031 PANEL LINK CABLE 1M
パネルリンクケーブル 1M
1
4 401-36562 CPU-SP IMP SERIAL CABLE ASM
CPU−SP IMPシリアルケーブル組
1
5 401-22816 USB RELAY CABLE 2M
USB中継ケーブル 2M
1
6 401-38976 ANT F/R JOINT CABLE ASM
ANT F/Rジョイントケーブル組
1
7 400-73665 ANTENNA ARRAY 8.5MM PITCH / 80 POSITION
アンテナアレイ8.5MMピッチ/80ポジション
1
8 HW-0018100-80 LAN CABLE
LANケーブル
1
9 HK-0651200-80 CONNECTOR
コネクタ
1
10 400-47528 IP-X5 PCB ASM
IP−X5基板 組図
1
11 401-36574 VCS (54) CABLE ASM
VCS (54) ケーブル組
1
12 401-36575 VCS (27) CABLE ASM
VCS (27)ケーブル組
1
13 400-48028 OCC CAMERA
OCCカメラ
1
14
#03
400-71668 LENZE STD
レンズSTD
1
15
#04
400-71667 LENZE OPT
レンズOPT
1
16 E9623-721-000 PORTRAIT MONITOR CABLE
画像モニタケーブル
1
17 401-36565 ATX-SPIMP PWR CABLE ASM
ATX−SPIMP電源ケーブル組
1
18 401-41515 USB SELECT PCB ASM
USBセレクト基板組
1
19 401-22812 15INCH LCD MINITOR
15インチLCDモニタ
1
20 400-48032 PANEL LINK CABLE 4.5M
パネルリンクケーブル 4.5M
1
21 401-36563 SPIMP-F LCD SERIAL CABLE ASM
SPIMP−F LCDシリアルケーブル組
1
22 401-36564 SPIMP-F LCD PWR CABLE ASM
SPIMP−F LCD電源ケーブル組
1
23 400-48081 PANEL LINK CABLE 5.0M
パネルリンクケーブル 5.0M
1
24 401-36566 SPIMP-R LCD SERIAL CABLE ASM
SPIMP−R LCDシリアルケーブル組
1
25 401-36567 SPIMP-R LCD PWR CABLE ASM
SPIMP−R LCD電源ケーブル組
1
26 400-73033 SWITCHING HUB
スイッチングハブ
1
27 400-73739 RFID LAN CABLE (4.0M) ASM
RFID LANケーブル(4.0M)組
1
28 401-36596 MODULAR KAPLA
モジュラーカプラ
1
29 401-36595 UPS OP GND CABLE ASM
UPS OP GNDケーブル組
1
30 400-72813 MPC RJ45 CABLE ASM
MPC用RJ45ケーブル組
1
31 400-73032 4 PORT MPC
4ポート MPC
1
32 400-72814 MPC POWER CABLE ASM
MPC電源ケーブル組
1
33 401-36579 RFID BRANCH3 CBL ASM
RFIDブランチ3ケーブル組
1
34 401-13668 RFID MTS I/F CBL ASM
RFID MTS I/Fケーブル組
1
35 401-36580 RFID BRANCH4 CBL ASM
RFIDブランチ4ケーブル組
1
36 401-36577 RFID BRANCH1 CBL ASM
RFIDブランチ1ケーブル組
1
37 401-36610 MI BANK RLY CABLE ASM
MIバンク中継ケーブル組
1
38 401-36578 RFID BRANCH2 CBL ASM
RFIDブランチ2ケーブル組
1
39
#01
401-37036 POWER_UNIT(ST)
電源ユニット(ST)
1
40
#02
401-37045 POWER_UNIT(EN)
電源ユニット(EN)
1
41 401-36581 RFID PWR CABLE ASM
RFID電源ケーブル組
1
42 401-36582 RFID CONTROL BOX FG CABLE ASM
RFIDコントロールボックスFGケーブル組
1
43 401-22506 SHIELDING TUBE
シールディングチューブ
1
44 400-95745 UPS
UPS
1
45 401-36589 UPS PWR CABLE ASM
UPS電源ケーブル組
1
46 401-36593 UPS PWR RELAY CABLE ASM
UPS電源中継ケーブル組
1
47 401-36592 BYPASS SW RELAY CABLE ASM
BYPASSスイッチ中継ケーブル組
1
48 401-36587 SW1-4 CABLE ASM
スイッチ1−4ケーブル組
1
49 401-36591 PWR RLY CABLE ASM
電源中継ケーブル組
1
50 HA-0052900-00 SWITCH
スイッチ
1
51 401-36588 SW2-5 CABLE ASM
スイッチ2−5ケーブル組
1
52 401-36594 UPS SW FG CABLE ASM
UPSスイッチFGケーブル組
1
53 401-36586 UPS SW CABLE ASM
UPSスイッチケーブル組
1
54 HX-0047900-00 POWER SUPPLY
電源
1
55 401-36590 SW OUT CABLE ASM
スイッチOUTケーブル組
1
56 HK-0346200-20 2P PLUG
プラグ 2P
1
57 HX-0061000-00 BARCODE READER
バーコードリーダ
1
58 400-48006 ATX PSU
ATX電源
1
59 401-35433 8-PORT COM BOARD
8−PORT COMボード
1
60 401-13670 BARCODE READER CABLE ASM
バーコードリーダーケーブル組
1
61 401-36346 BASE PCB ASM
ベース基板組
1
62 401-41856 USB CABLE 1M A-A
USBケーブル1M A−A
1
63 401-41858 USB SELECT CABLE ASM
USBセレクトケーブル組
1
64 401-23194 USB KEY BOARD SP ASM
USBキーボードSP組
1
65 401-97864 SUPER IMPOSE BOARD
スーパーインポーズボード
1

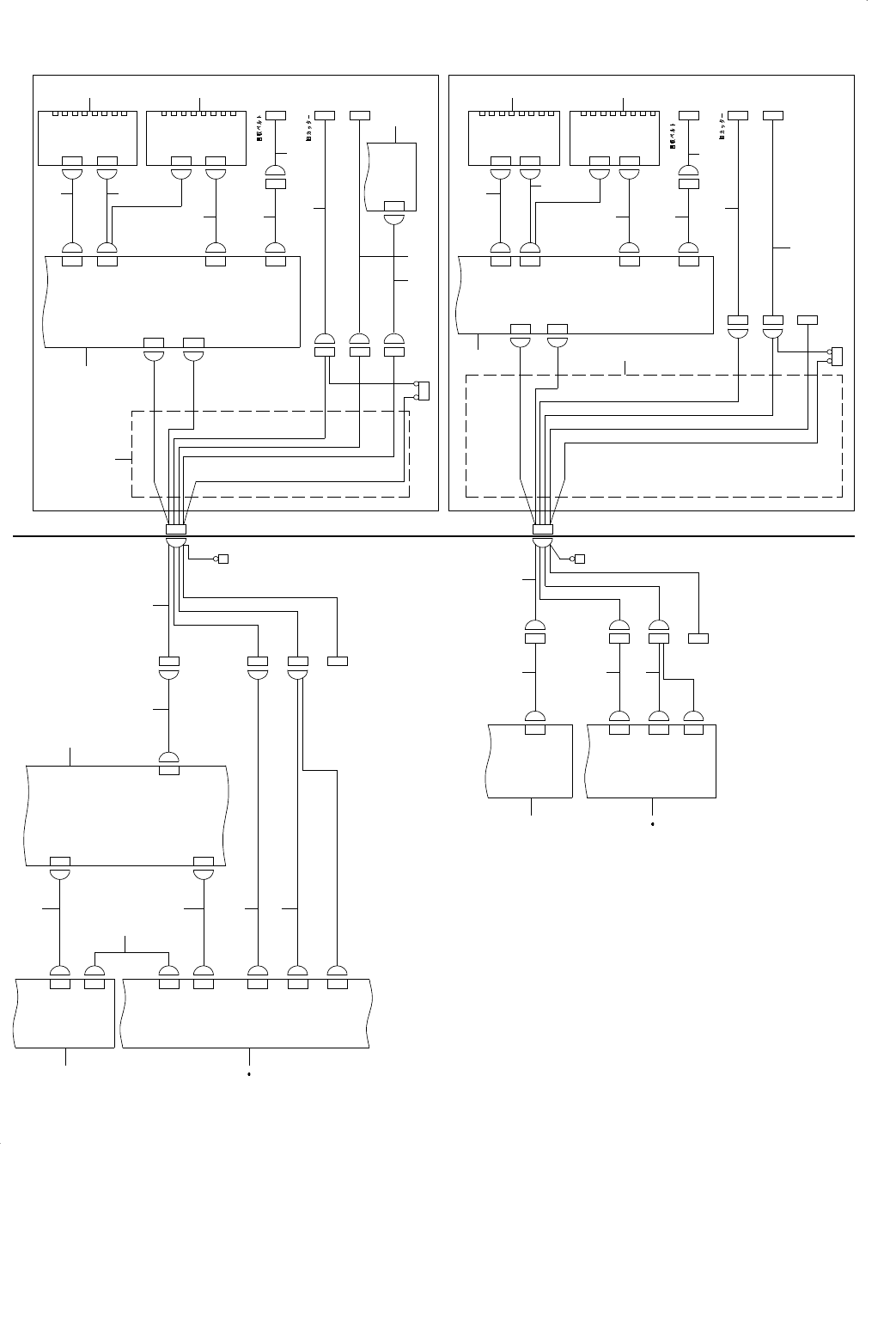
- 139 -
70.SYSTEM DIAGRAM(7)
SYSTEM DIAGRAM(7)
4-4D
7-3C
FG
CN461CN071CN071
BANK
BANK
CN463
CN462CN066
CN066
CN025
CN025
7-3A
MI FEEDER
PCB(5/5)
POWER UNIT
(9/9)
CN460CN205
CN5
7-2B
DRV PWR
FG
CN630
CN30
CN634
CN627
CN633
CN601 CN1
4-5C
CN507
JNT F/RCN F/R
CN626 CN26
CN34
CN27
CN33
CN649 I C
(REAR)
FEEDER I/F
PCB(2/2)
CN701
CN065
CN065
CN067
CN067
CN1
DRV PWR
FG
FG
CN6CN206
CN461
DRV PCB(2/2)
CN070
CN070
CN510
CN10
CN509CN9
CN630CN30
6-1D
BASE
PCB(5/5)
BANK
BANK
CN463
CN462
CN024
CN024
CN634
CN627
CN633
CN601 CN1
7-3C
5-4A
MI FEEDER
PCB(4/5)
POWER UNIT
(8/9)
CN460
CN203
CN207
CN019
CN3
6-3C
CN019
CN7
4-4C
CN507
JNT F/R
CN F/R
CN626CN26
FEEDER BANK
PCB
CN34
CN27
CN33
FEEDER BANK
PCB
CN649
IC
(FRONT)
FEEDER I/F
PCB(2/2)
REAR CONNECTOR BRACKET(2/2)
6-5A
6-5A
FG
123
4689
5
7
10
11
723
12
11
13 14
15
16
1817
19 19
FRONT CONNECTOR BRACKET(2/2)
20
21
22
23
24
25
26
15
17
19
18
19
20
21
22
23
16
24
FEEDER BANK
PCB
FEEDER BANK
PCB