松下NPM-D3线路图手册_ - 第142页
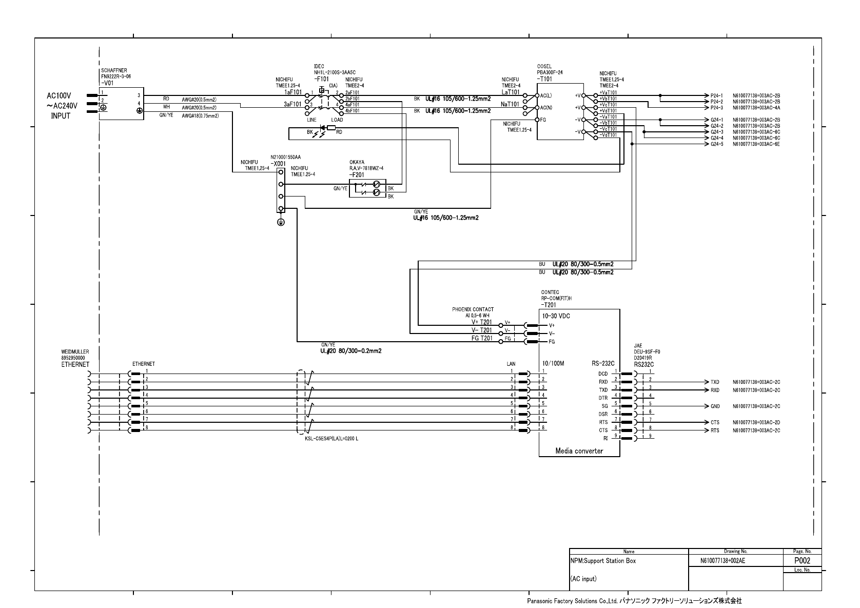
N610077138+002AC-7A P24-1 N610077138+002AC-7A P24-2 N610077138+002AC-7A G24-1 N610077138+002AC-7A G24-2 N610077138+002AC-7D TXD N610077138+002AC-7D R XD N610077138+002AC-7E GND N610077138+002AC-7B G24-3 N…

F4K1020-05A
1 2 3 4 5 6 7 8
A
B
C
D
E
F
1 2 3 4 5 6 7 8
A
B
C
D
E
F

N610077138+002AC-7A P24-1
N610077138+002AC-7A P24-2
N610077138+002AC-7A G24-1
N610077138+002AC-7A G24-2
N610077138+002AC-7D TXD
N610077138+002AC-7D RXD
N610077138+002AC-7E GND
N610077138+002AC-7B G24-3
N610077138+002AC-7B G24-4
N610077138+002AC-7A P24-3
N610077138+002AC-7B G24-5
N610077138+002AC-7E RTS
N610077138+002AC-7E CTS
F4K1020-05A
1 2 3 4 5 6 7 8
A
B
C
D
E
F
1 2 3 4 5 6 7 8
A
B
C
D
E
F

F4K1020-05A
1 2 3 4 5 6 7 8
A
B
C
D
E
F
1 2 3 4 5 6 7 8
A
B
C
D
E
F