文档中心
/
松下NPM-D3线路图手册_
松下NPM-D3线路图手册_ - 第150页
在线预览 松下NPM-D3线路图手册_ PDF 文档。
目录
100%
显示:宽度
宽度
1 / 354
回到旧版
旧版
?
3.
C
ONTRO
L
B
OX DIA
G
RA
M
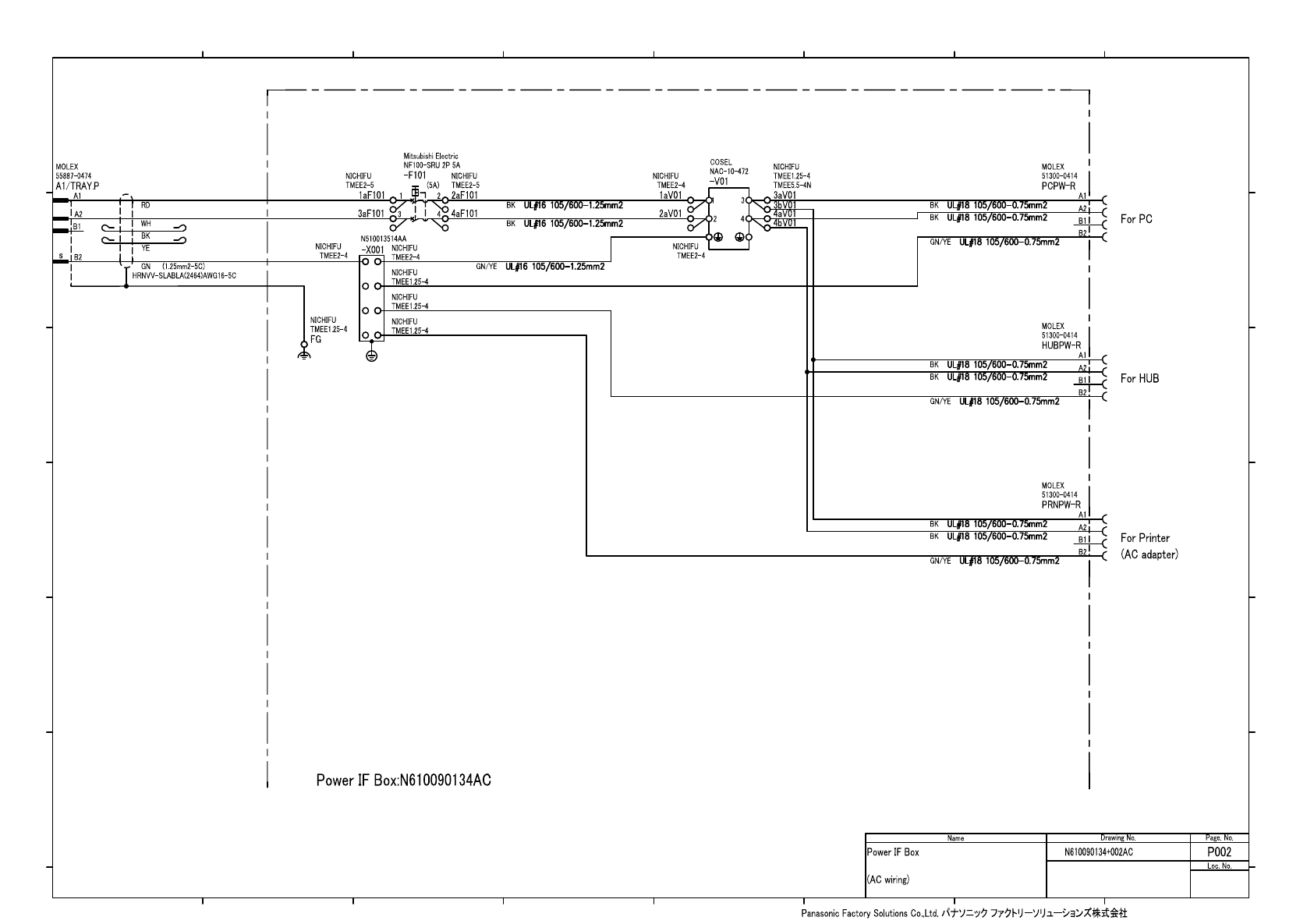
OPTION
3-4 POWER IF BOX
EJM6D
B-10-30
4-00
F4K1020-05A
1
2
3
4
5
6
7
8
A
B
C
D
E
F
1
2
3
4
5
6
7
8
A
B
C
D
E
F
该页面需要启用 JavaScript 才能进行交互式预览。